LEMON Manuals: Even more car manuals for everyone: 1960-2025
Home >> Pontiac >> 2008 >> Grand Prix V8-5.3L >> Repair and Diagnosis >> Powertrain Management >> Computers and Control Systems >> Relays and Modules - Computers and Control Systems >> Body Control Module >> Diagrams >> Electrical Diagrams >> Retained Accessory Power Diagram
April 5, 2026: LEMON Manuals is launched! Read the announcement.

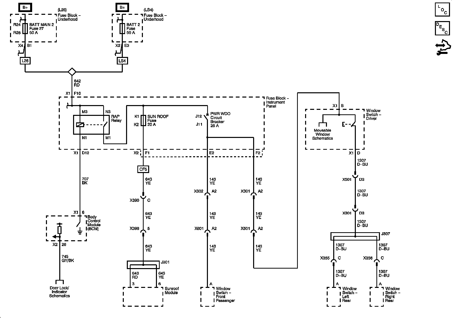
Retained Accessory Power Diagram



Power Moding Schematics

Retained Accessory Power (RAP)