LEMON Manuals: Even more car manuals for everyone: 1960-2025
Home >> Pontiac >> 2008 >> Solstice Base, Automatic >> Repair and Diagnosis >> External Pages >> Different car >> Section 136 (Data Communication System) >> Schematic & Routing Diagrams >> Data Communication Schematics
April 5, 2026: LEMON Manuals is launched! Read the announcement.

Data Communication Schematics

WARNING: This page is about a different car, the 2008 Cadillac DTS. However, it is still accessible from the selected car via links, so may be relevant.
Fig 1: Power Ground and Low Speed GMLAN Schematic
GM1885777Courtesy of GENERAL MOTORS CORP.
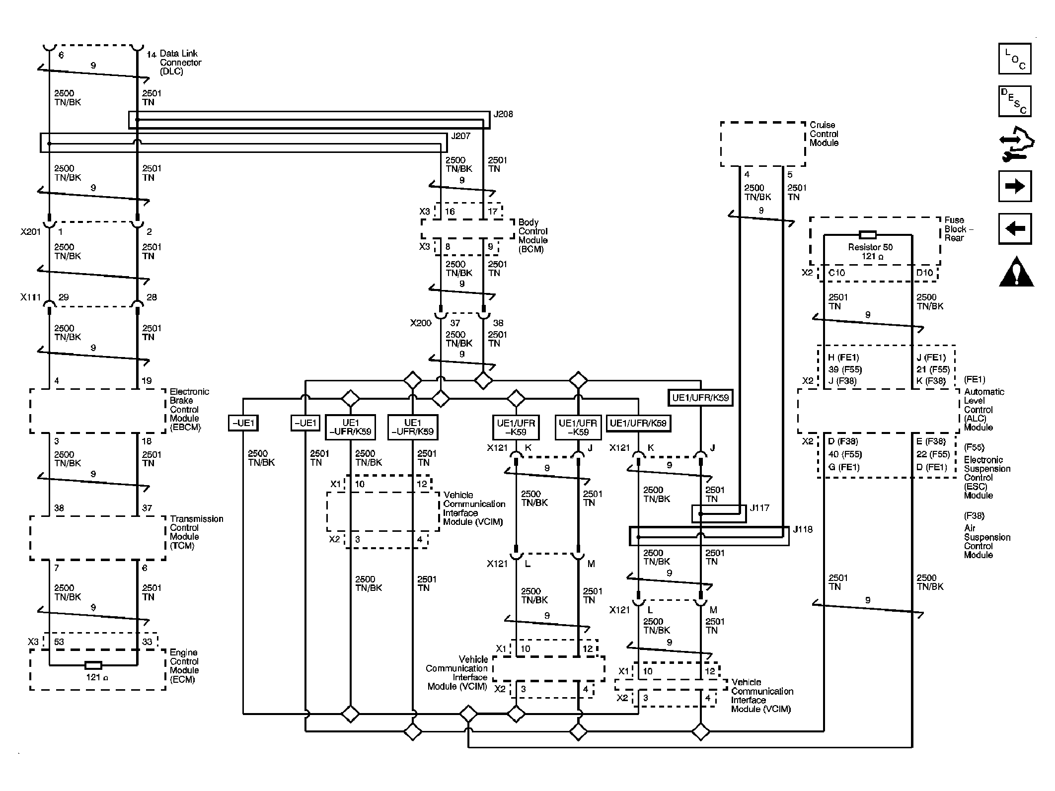
Fig 2: High Speed Serial Data Schematic
GM1885779Courtesy of GENERAL MOTORS CORP.
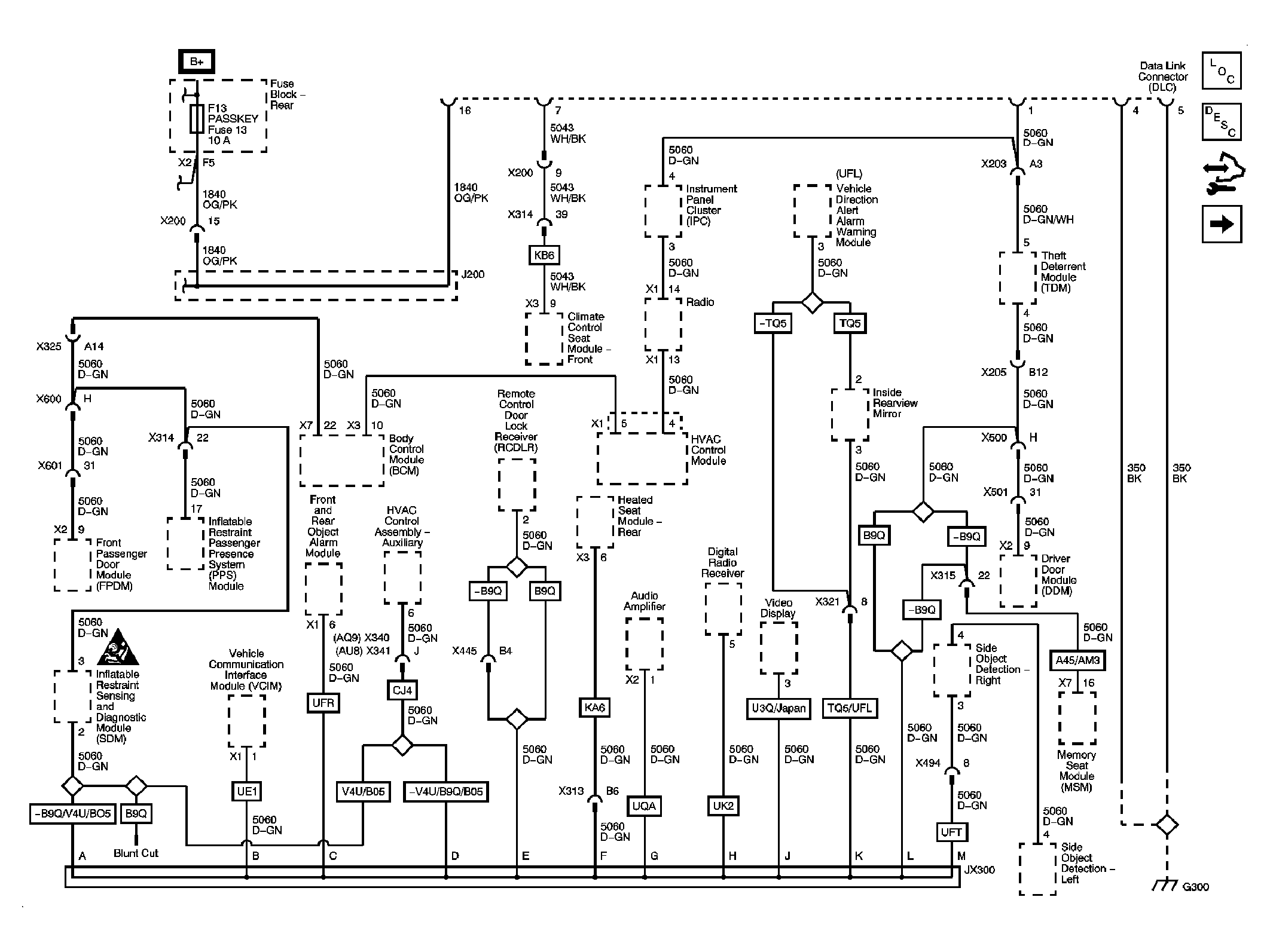
Fig 3: High Speed Serial Data, Wake Up Schematic
GM1885781Courtesy of GENERAL MOTORS CORP.
Fig 4: Local Interconnect Network (LIN) Schematic
GM1885783Courtesy of GENERAL MOTORS CORP.