LEMON Manuals: Even more car manuals for everyone: 1960-2025
Home >> Pontiac >> 2008 >> Solstice Base, Automatic >> Repair and Diagnosis >> External Pages >> Different car >> Section 144 (Shift Interlock System) >> Schematic & Routing Diagrams >> Shift Lock Control Schematics
April 5, 2026: LEMON Manuals is launched! Read the announcement.

Shift Lock Control Schematics

WARNING: This page is about a different car, the 2008 Cadillac DTS. However, it is still accessible from the selected car via links, so may be relevant.
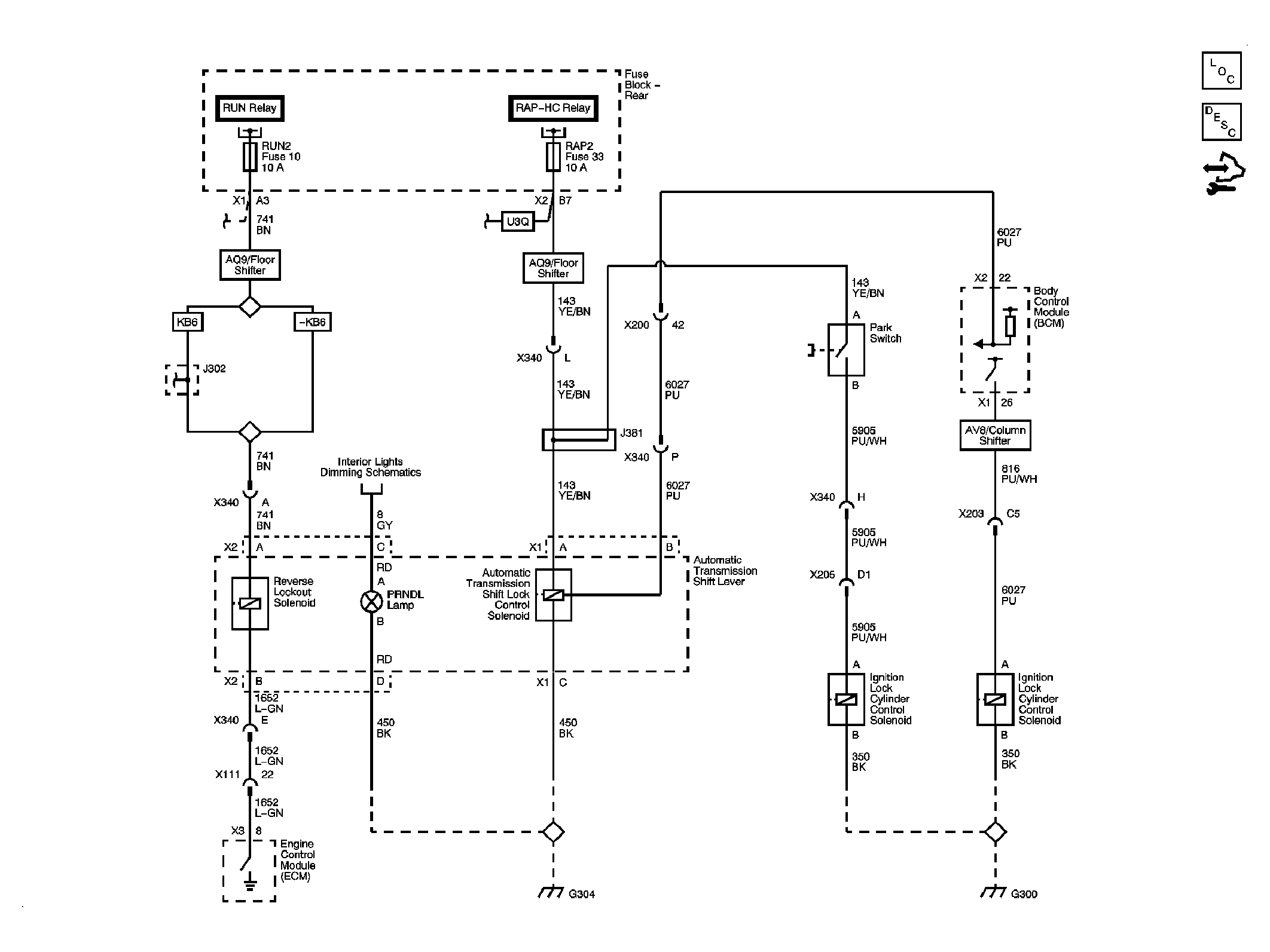
Fig 1: Shift Lock Control Schematic
GM1885224Courtesy of GENERAL MOTORS CORP.