LEMON Manuals: Even more car manuals for everyone: 1960-2025
Home >> Pontiac >> 2008 >> Torrent AWD V6-3.6L >> Repair and Diagnosis >> Body and Frame >> Frame >> Subframe >> Front Subframe >> Service and Repair >> Frame Replacement (LY7)
April 5, 2026: LEMON Manuals is launched! Read the announcement.

Frame Replacement (LY7)


Frame Replacement (LY7)

Special Tools
J 39580 Engine Support Table
Removal Procedure





1.Secure the radiator, air conditioning condenser, and fan module assembly to the upper tie bar to keep the assembly with the vehicle when the frame is removed.

2.Install the engine support fixture. Refer to Engine Support Fixture .

3.Raise and support the vehicle. Refer to Lifting and Jacking the Vehicle .

4.Remove the tire and wheel assemblies. Refer to Tire and Wheel Removal and Installation .

5.Remove the engine splash shields. Refer to Engine Splash Shield Replacement Service and Repair .

6.Remove the catalytic converters. Refer to Catalytic Converter Replacement - Left Side and Catalytic Converter Replacement - Right Side .

7.Remove the propeller shaft if the vehicle is equipped with AWD. Refer to Propeller Shaft Replacement .

8.Remove both left and right stabilizer shaft insulator clamps. Refer to Stabilizer Shaft Insulator Replacement .





1.Remove the lower ball joints from the steering knuckles. Refer to Lower Control Arm Replacement .





Important:Whenever the steering gear is moved in relation to the body, disconnect the intermediate shaft from the steering gear.

1.Disconnect the intermediate steering shaft from the steering gear. Refer to Intermediate Steering Shaft Replacement .





1.Remove the power steering gear mounting bolts (1) and secure the gear out of the way using mechanics wire or equivalent. Refer to Steering Gear Replacement .





1.Remove the front transmission mount thru bolt (1).





1.Remove the left transmission mount lower nuts (1).





1.Remove the rear transmission mount to frame bolts (1).





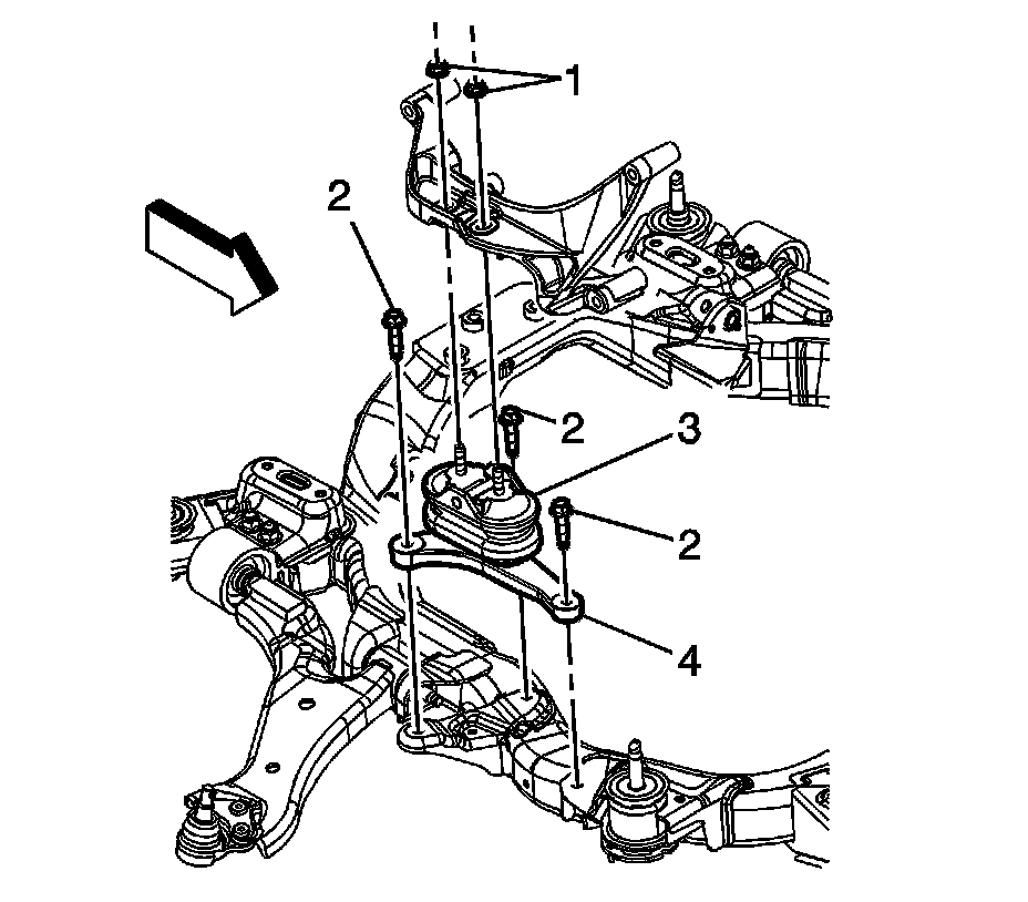
1.Remove the lower engine mount bracket to frame bolts (2).





1.Lower the vehicle until the frame contacts the J 39580 .





1.Remove the frame reinforcements. Refer to Drivetrain and Front Suspension Frame Reinforcement Replacement .





1.Remove the front frame bolts.

2.Raise the vehicle off of the frame.

3.If replacing the frame, remove the lower control arms. Refer to Lower Control Arm Replacement .

Installation Procedure

1.If removed, install the lower control arms. Refer to Lower Control Arm Replacement .





2.Lower the vehicle on to the frame.





Notice:Refer to Fastener Notice .

1.Install the front frame bolts.

TightenTighten the bolts to 155 N �m (114 lb ft).





1.Install the frame reinforcement. Refer to Drivetrain and Front Suspension Frame Reinforcement Replacement .

2.Raise the vehicle off of the J 39580 .





1.Install the lower engine mount bracket to frame bolts (2).

TightenTighten the bolts to 50 N �m (37 lb ft).





1.Install the rear transmission mount to frame bolts (1).

TightenTighten the bolts to 50 N �m (37 lb ft).





1.Install the left transmission mount lower nuts (1).

TightenTighten the nuts to 50 N �m (37 lb ft).





1.Install the front transmission mount thru bolt (1).

TightenTighten the bolt to 110 N �m (81 lb ft).





1.Install the power steering gear mounting bolts (1). Refer to Steering Gear Replacement .





1.Install the intermediate steering shaft to the steering gear. Refer to Intermediate Steering Shaft Replacement .





1.Install the lower ball joints to the steering knuckles. Refer to Lower Control Arm Replacement .

2.Install the propeller shaft if the vehicle is equipped with AWD. Refer to Propeller Shaft Replacement .

3.Install the catalytic converters. Refer to Catalytic Converter Replacement - Left Side and Catalytic Converter Replacement - Right Side .

4.Install both left and right stabilizer shaft insulator clamps. Refer to Stabilizer Shaft Insulator Replacement .

5.Install the engine splash shields. Refer to Engine Splash Shield Replacement Service and Repair .

6.Install the tire and wheel assemblies. Refer to Tire and Wheel Removal and Installation .

7.Remove the engine support fixture. Refer to Engine Support Fixture .





1.Release the radiator, air conditioning condenser, and fan module assembly from the upper tie bar.

2.Check the wheel alignment. Refer to Wheel Alignment Measurement .