LEMON Manuals: Even more car manuals for everyone: 1960-2025
Home >> Pontiac >> 2008 >> Vibe Automatic >> Repair and Diagnosis >> External Pages >> Different car >> Section 296 (Keyless Entry System And Remote Functions) >> Schematic and Routing Diagrams >> Remote Function Schematics
April 5, 2026: LEMON Manuals is launched! Read the announcement.

Remote Function Schematics

WARNING: This page is about a different car, the 2009 Pontiac Vibe. However, it is still accessible from the selected car via links, so may be relevant.
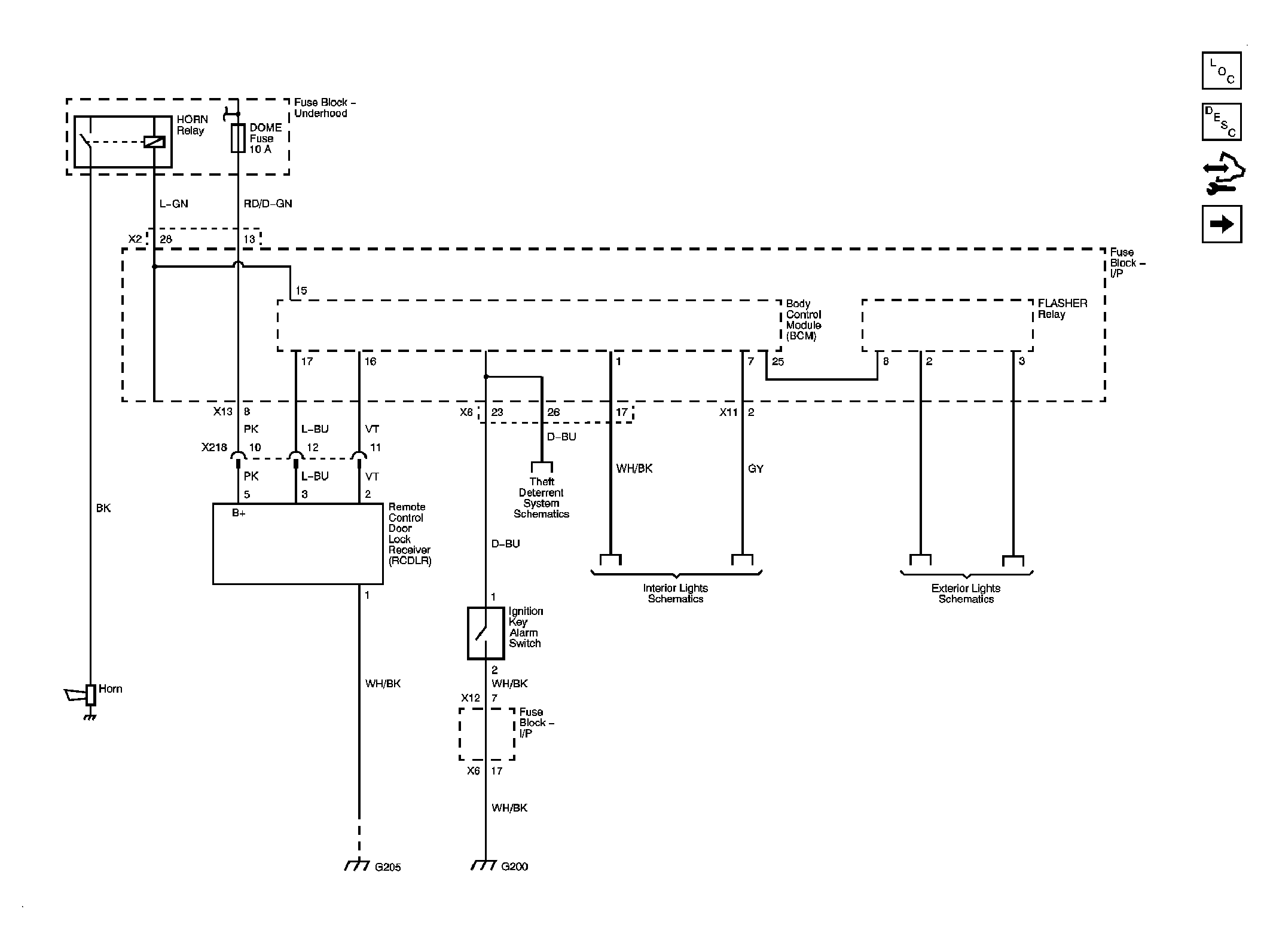
Fig 1: BCM, Remote Control Door Lock Receiver, Flasher Relay
GM2044887Courtesy of GENERAL MOTORS CORP.
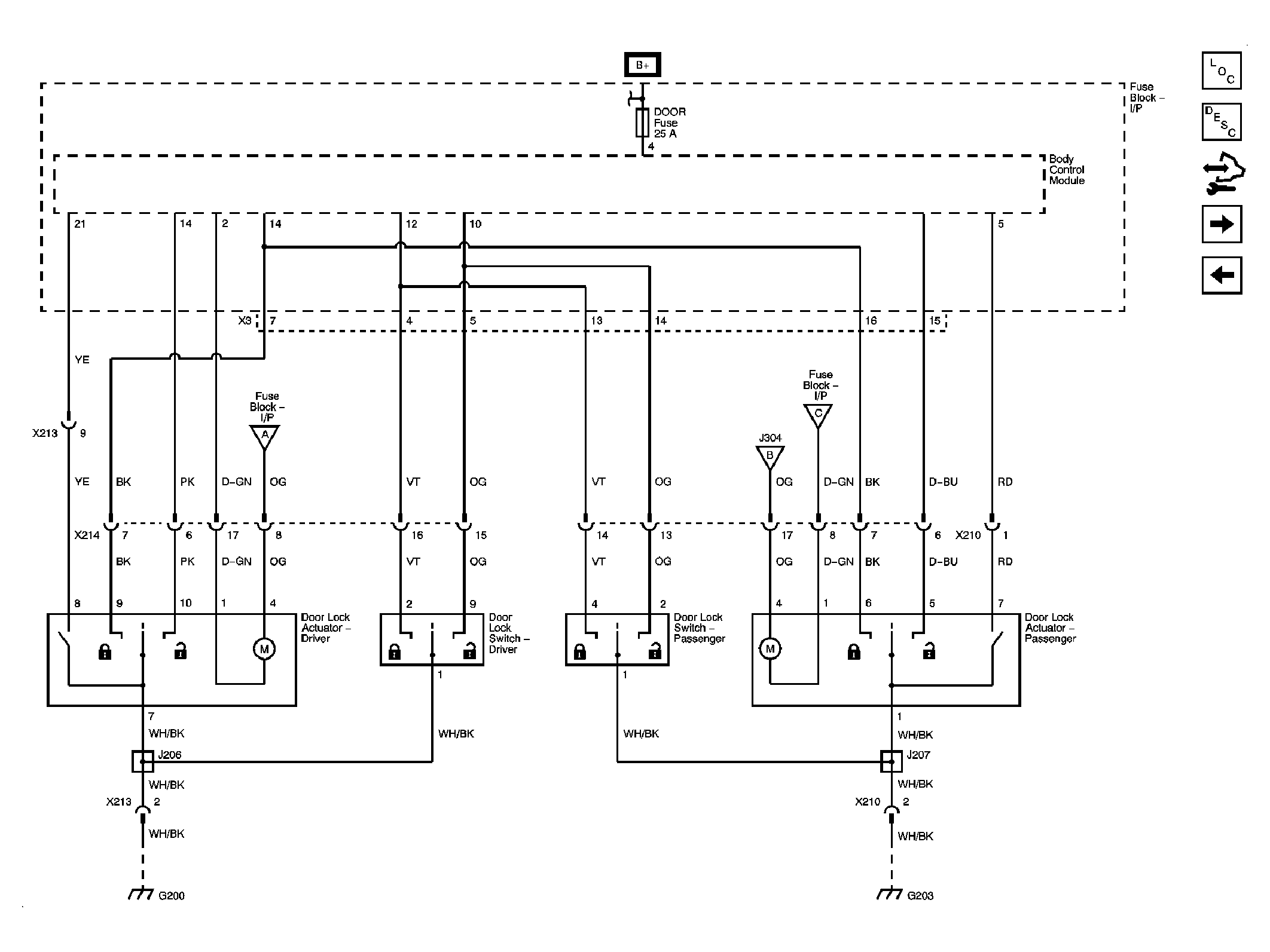
Fig 2: BCM, Front Door Lock Switches, Actuators
GM2044888Courtesy of GENERAL MOTORS CORP.
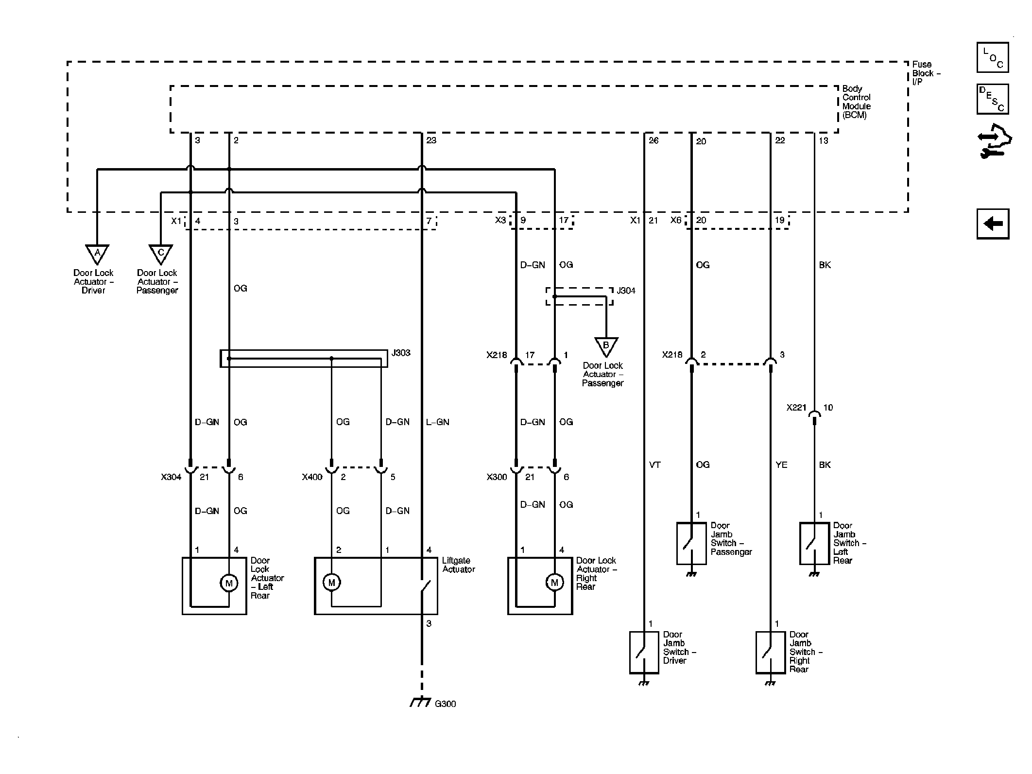
Fig 3: BCM, Rear Door Lock Actuators, Door Jamb Switches, Liftgate Actuator
GM2044889Courtesy of GENERAL MOTORS CORP.