LEMON Manuals: Even more car manuals for everyone: 1960-2025
Home >> Pontiac >> 2009 >> G8 Base >> Repair and Diagnosis >> External Pages >> Different car >> Section 20 (Cellular System, Entertainment System, And Navigation System) >> Schematic and Routing Diagrams >> Radio/Navigation System Schematics
April 5, 2026: LEMON Manuals is launched! Read the announcement.

Radio/Navigation System Schematics

WARNING: This page is about a different car, the 2008 Pontiac G8. However, it is still accessible from the selected car via links, so may be relevant.
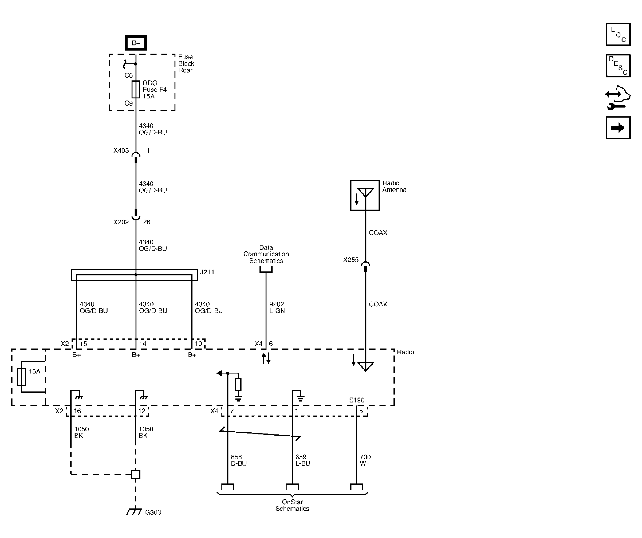
Fig 1: Radio Power, Ground, and Serial Data
GM2034221Courtesy of GENERAL MOTORS CORP.
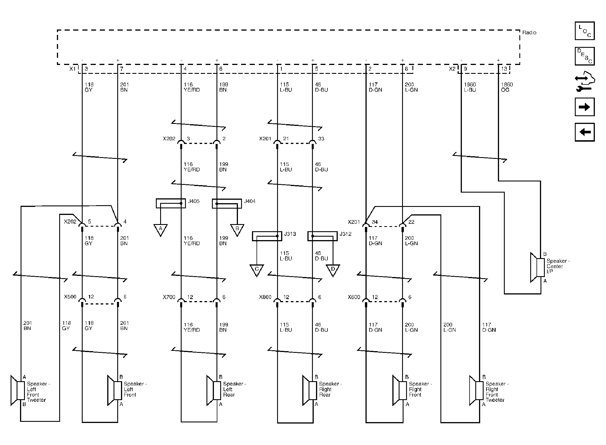
Fig 2: Speakers (except UWP)
GM2034222Courtesy of GENERAL MOTORS CORP.
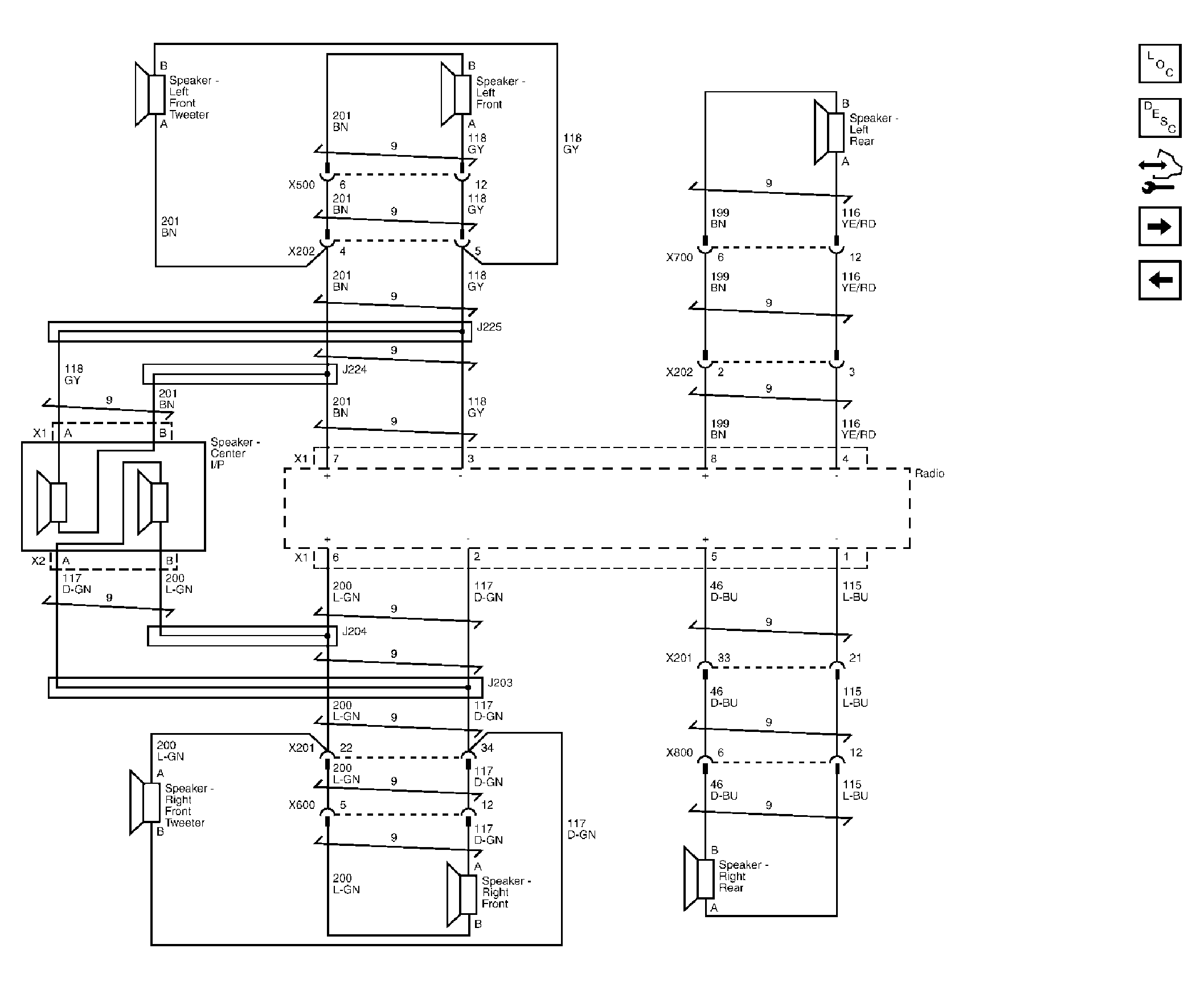
Fig 3: Speakers (UWP)
GM2034224Courtesy of GENERAL MOTORS CORP.
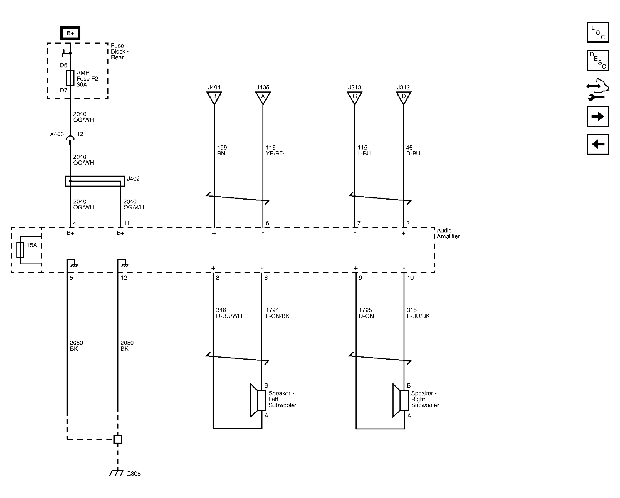
Fig 4: Amplifier (UWP)
GM2034223Courtesy of GENERAL MOTORS CORP.