LEMON Manuals: Even more car manuals for everyone: 1960-2025
Home >> Pontiac >> 2009 >> G8 Base >> Repair and Diagnosis >> External Pages >> Different car >> Section 249 (Fixed And MOVEABLE Windows System) >> Schematic and Routing Diagrams >> Moveable Window Schematics (AXE)
April 5, 2026: LEMON Manuals is launched! Read the announcement.

Moveable Window Schematics (AXE)

WARNING: This page is about a different car, the 2010 Saturn Outlook, 2010 GMC Acadia, 2010 Chevrolet Traverse, and 2010 Buick Enclave. However, it is still accessible from the selected car via links, so may be relevant.
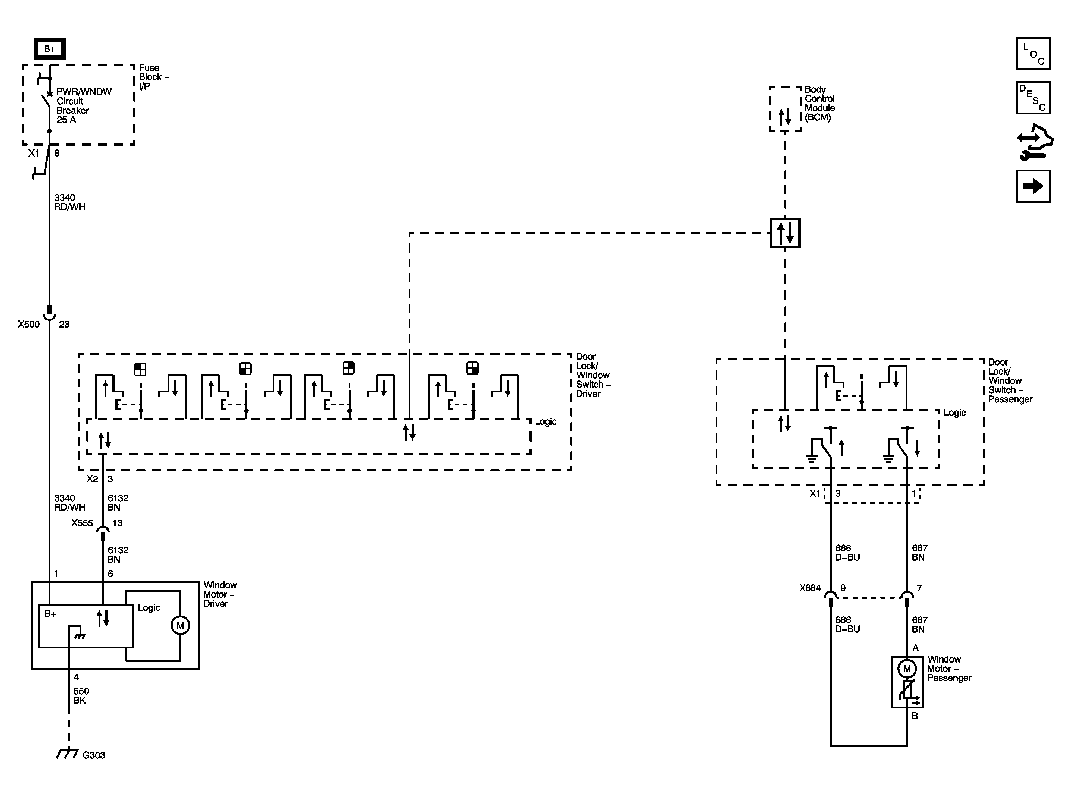
Fig 1: Front Moveable Window Circuit Schematic (AXE)
GM2247917Courtesy of GENERAL MOTORS CORP.
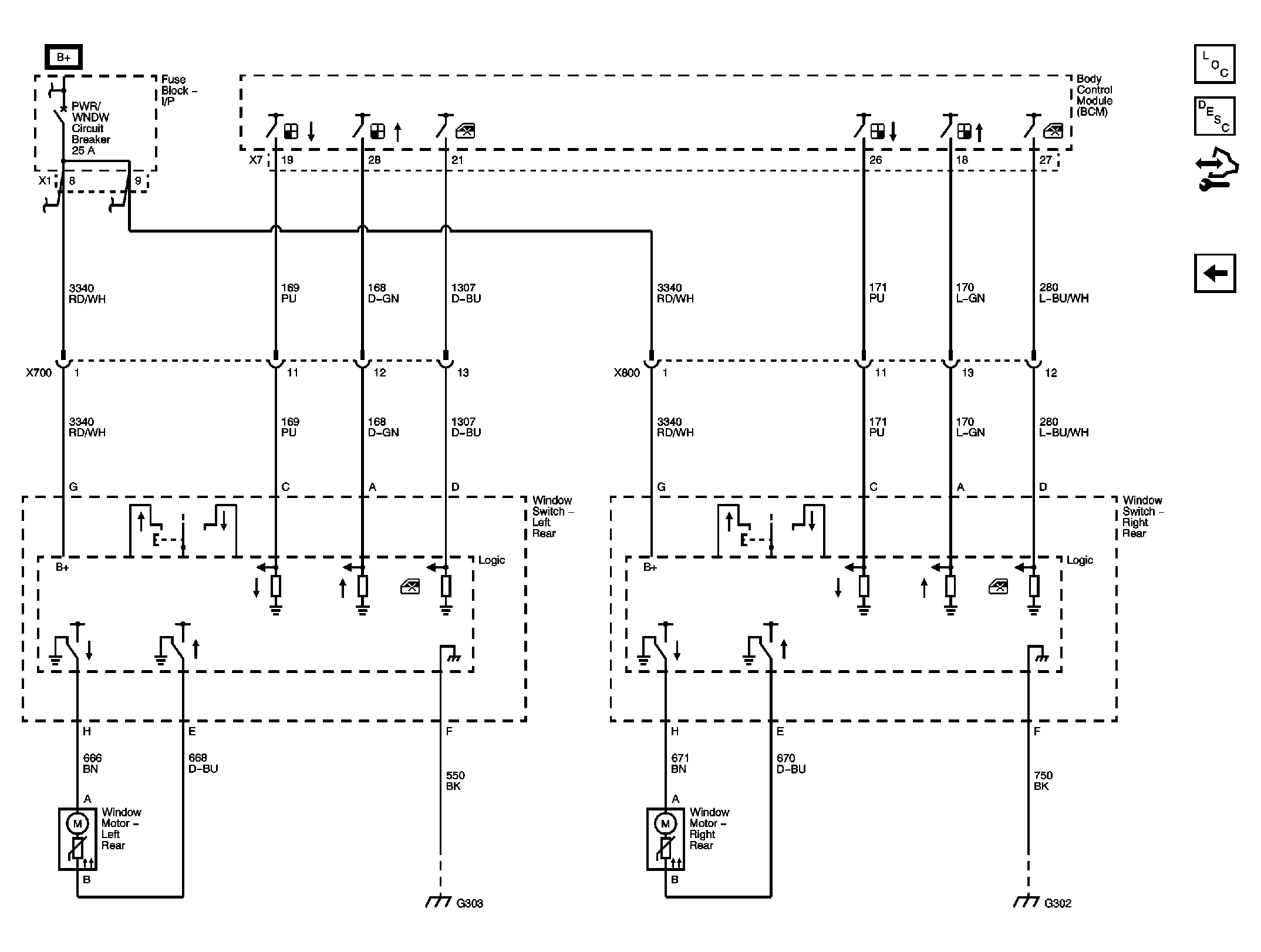
Fig 2: Rear Moveable Window Circuit Schematic (AXE)
GM2247919Courtesy of GENERAL MOTORS CORP.