LEMON Manuals: Even more car manuals for everyone: 1960-2025
Home >> Pontiac >> 2009 >> G8 Base >> Repair and Diagnosis >> External Pages >> Different variant/trim >> Section 2 (Engine Control System & Fuel System - 6.0L, 6.2L - Introduction) >> Schematic and Routing Diagrams >> Engine Controls Schematics
April 5, 2026: LEMON Manuals is launched! Read the announcement.

Engine Controls Schematics

WARNING: This page is about a different variant/trim than selected.
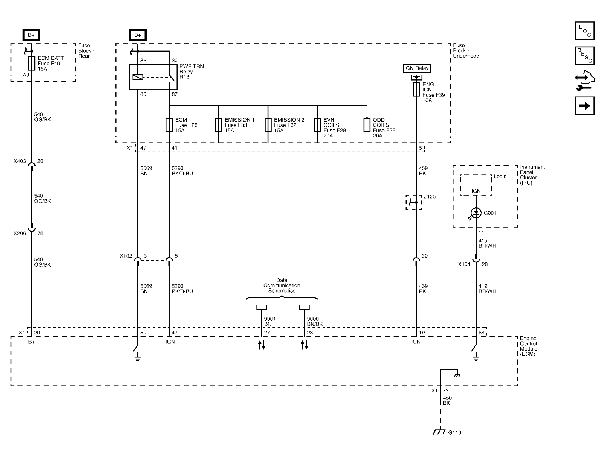
Fig 1: Module Power, Ground and Serial Data
GM2034136Courtesy of GENERAL MOTORS CORP.
Fig 2: Engine Data Sensors - 5-Volt and Low Reference
GM2034152Courtesy of GENERAL MOTORS CORP.
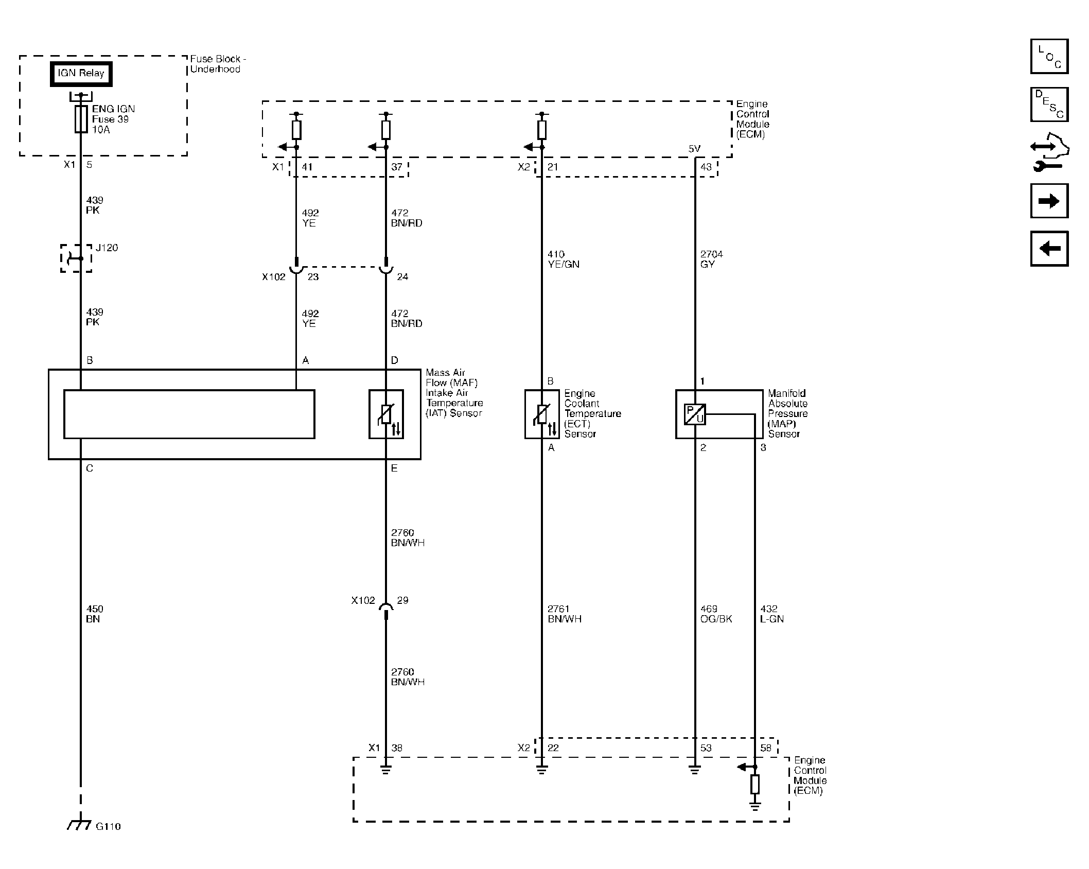
Fig 3: Engine Data Sensors - Pressure and Temperature
GM2034135Courtesy of GENERAL MOTORS CORP.
Fig 4: Engine Data Sensors - Throttle Controls
GM2073139Courtesy of GENERAL MOTORS CORP.
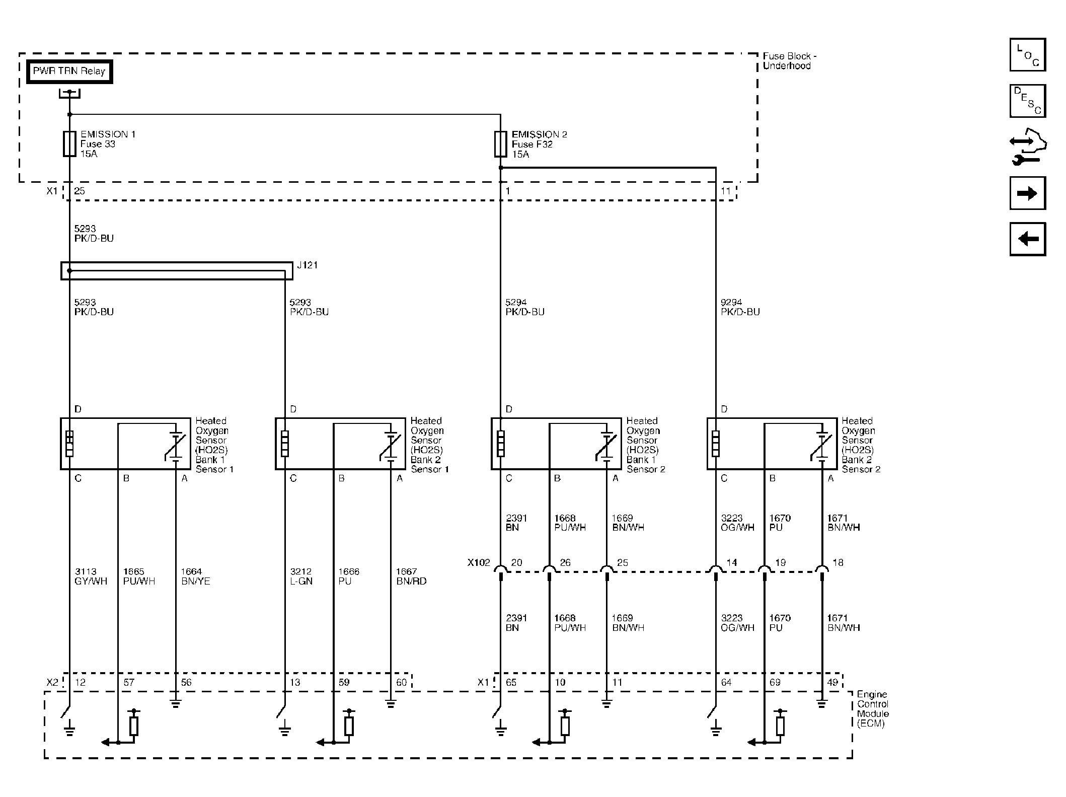
Fig 5: Engine Data Sensors - Oxygen Sensors
GM2034155Courtesy of GENERAL MOTORS CORP.
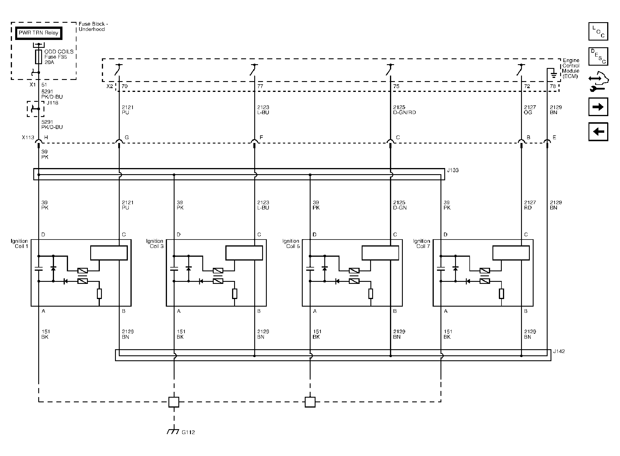
Fig 6: Ignition Controls - Ignition System Coils 1, 3, 5, and 7
GM2073141Courtesy of GENERAL MOTORS CORP.
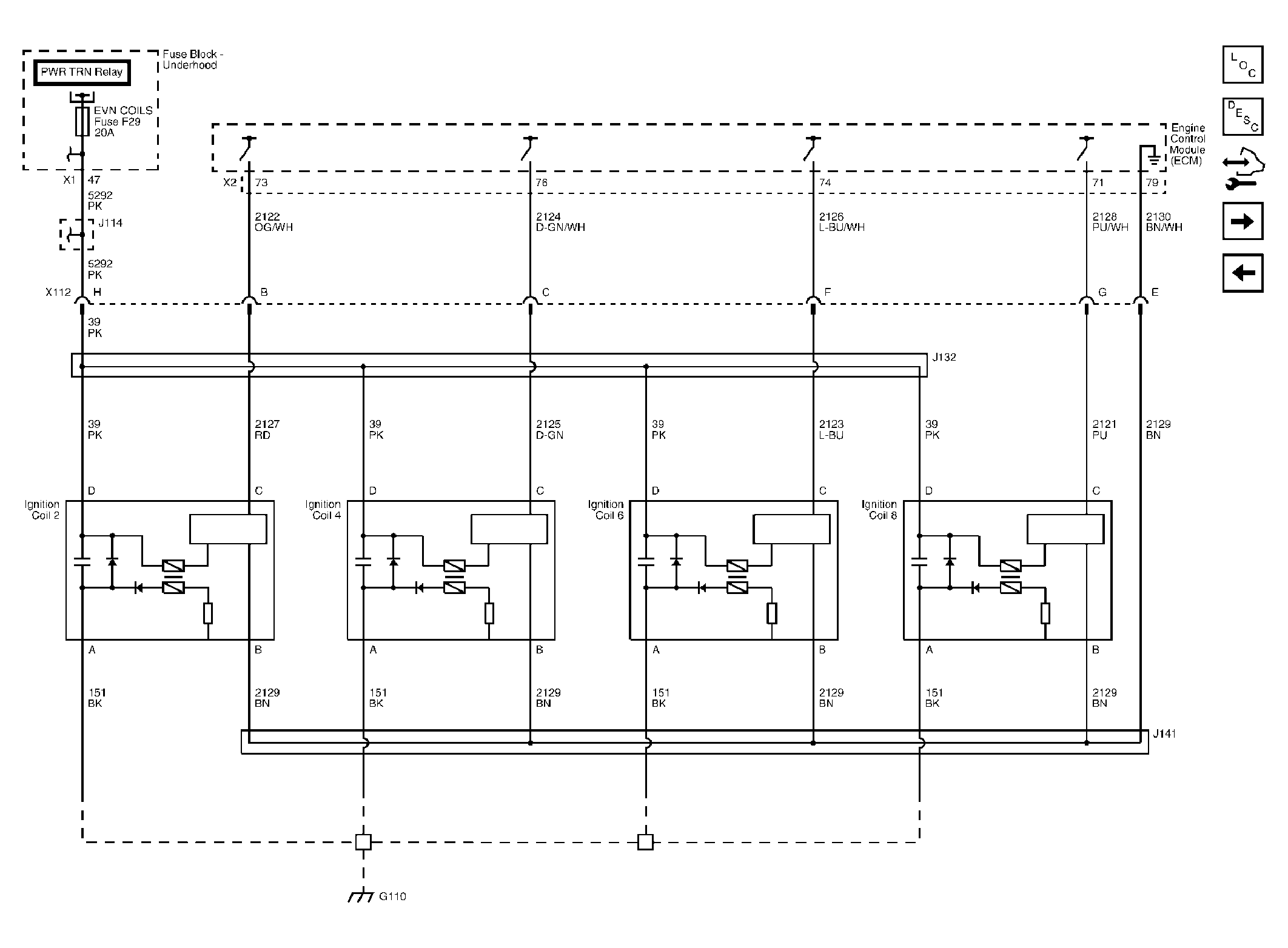
Fig 7: Ignition Controls - Ignition System Coils 2, 4, 6, and 8
GM2073143Courtesy of GENERAL MOTORS CORP.
Fig 8: Ignition Controls - Sensors
GM2073146Courtesy of GENERAL MOTORS CORP.
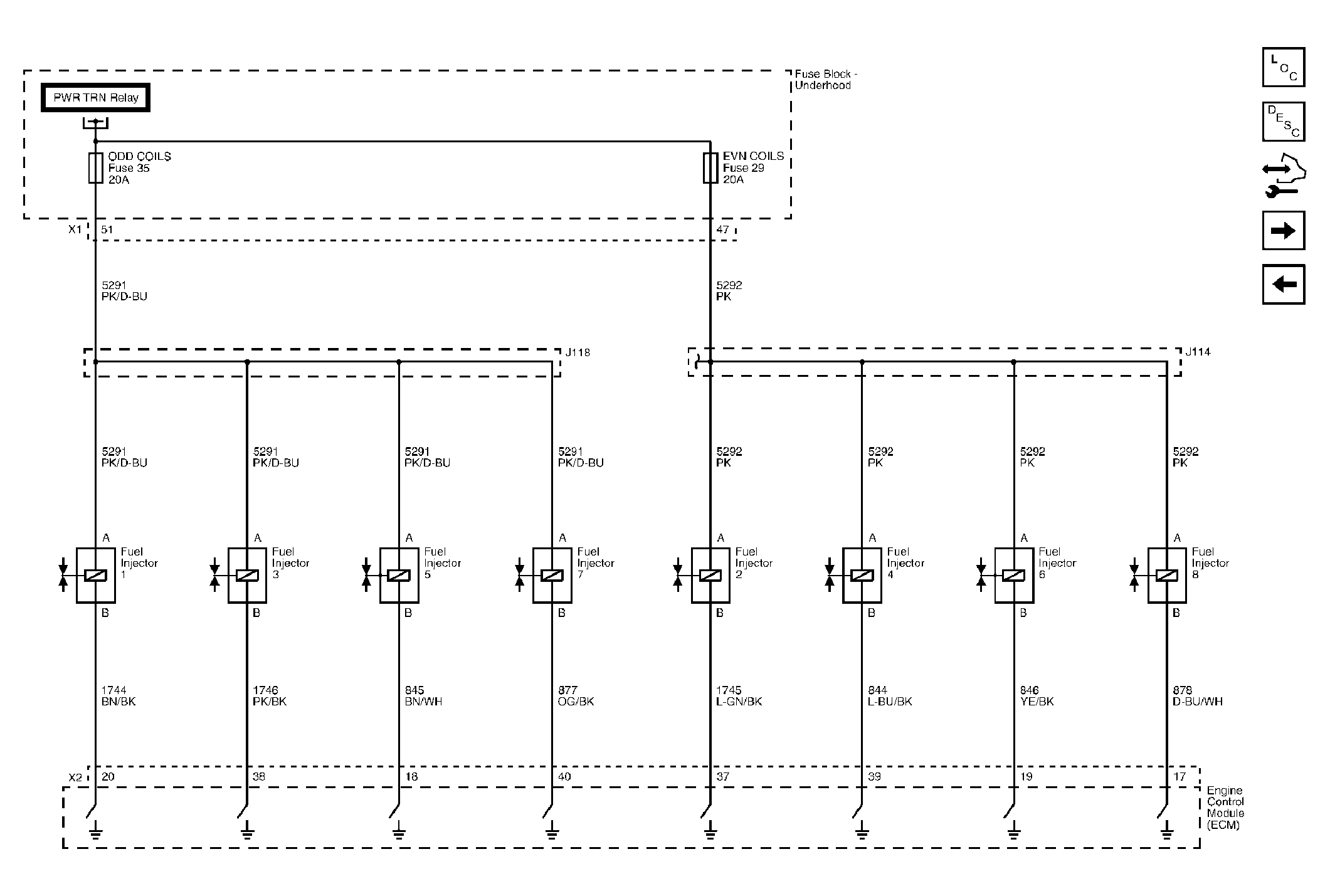
Fig 9: Fuel Controls - Fuel Injectors
GM2073177Courtesy of GENERAL MOTORS CORP.
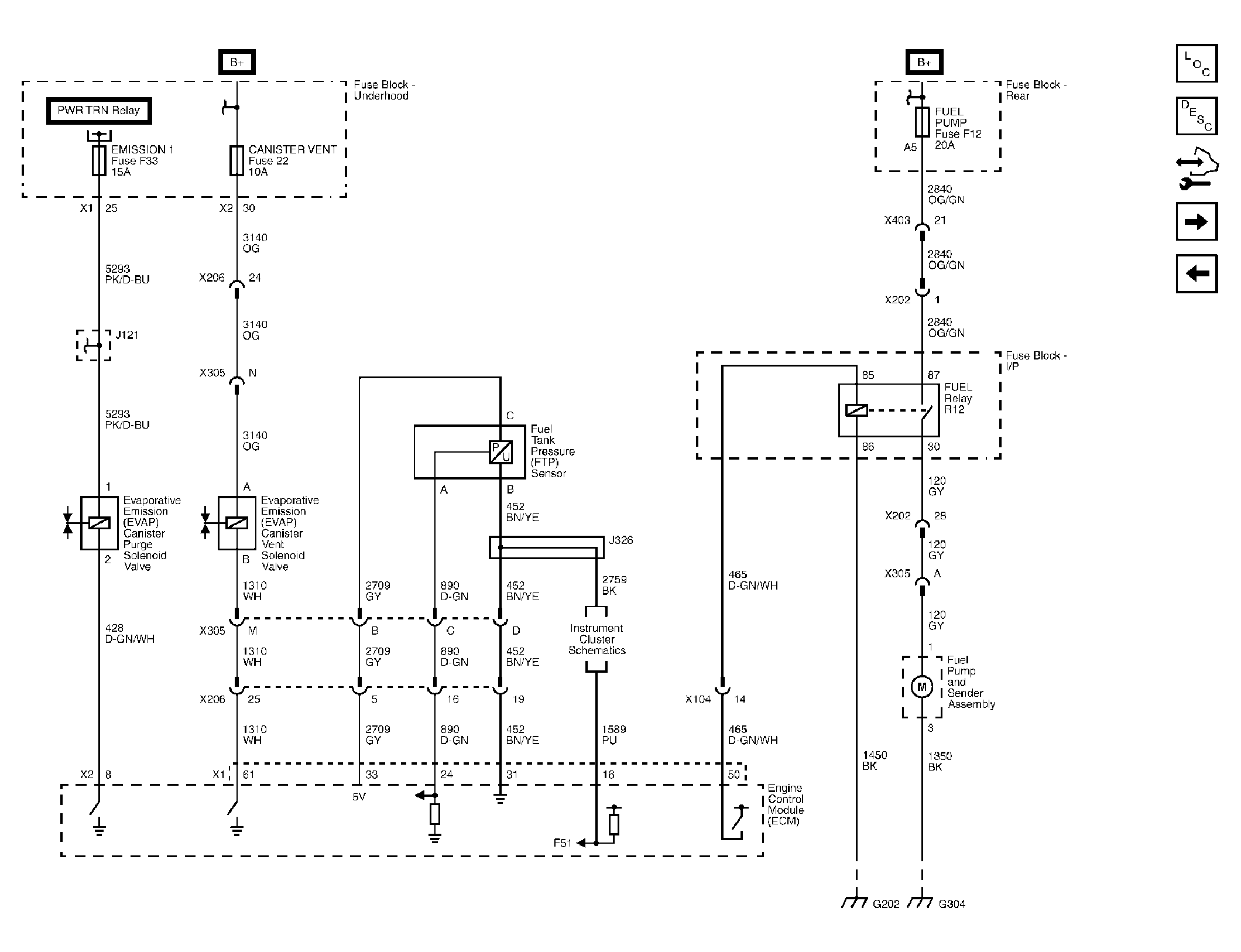
Fig 10: Fuel Controls - Fuel Pump and EVAP Controls
GM2073159Courtesy of GENERAL MOTORS CORP.
Fig 11: Controlled/Monitored Subsystem References
GM2073197Courtesy of GENERAL MOTORS CORP.