LEMON Manuals: Even more car manuals for everyone: 1960-2025
Home >> Pontiac >> 2009 >> G8 V6-3.6L >> Repair and Diagnosis >> Diagrams >> Electrical Diagrams >> Powertrain Management >> Computers and Control Systems >> Body Control Module
April 5, 2026: LEMON Manuals is launched! Read the announcement.

Body Control Module




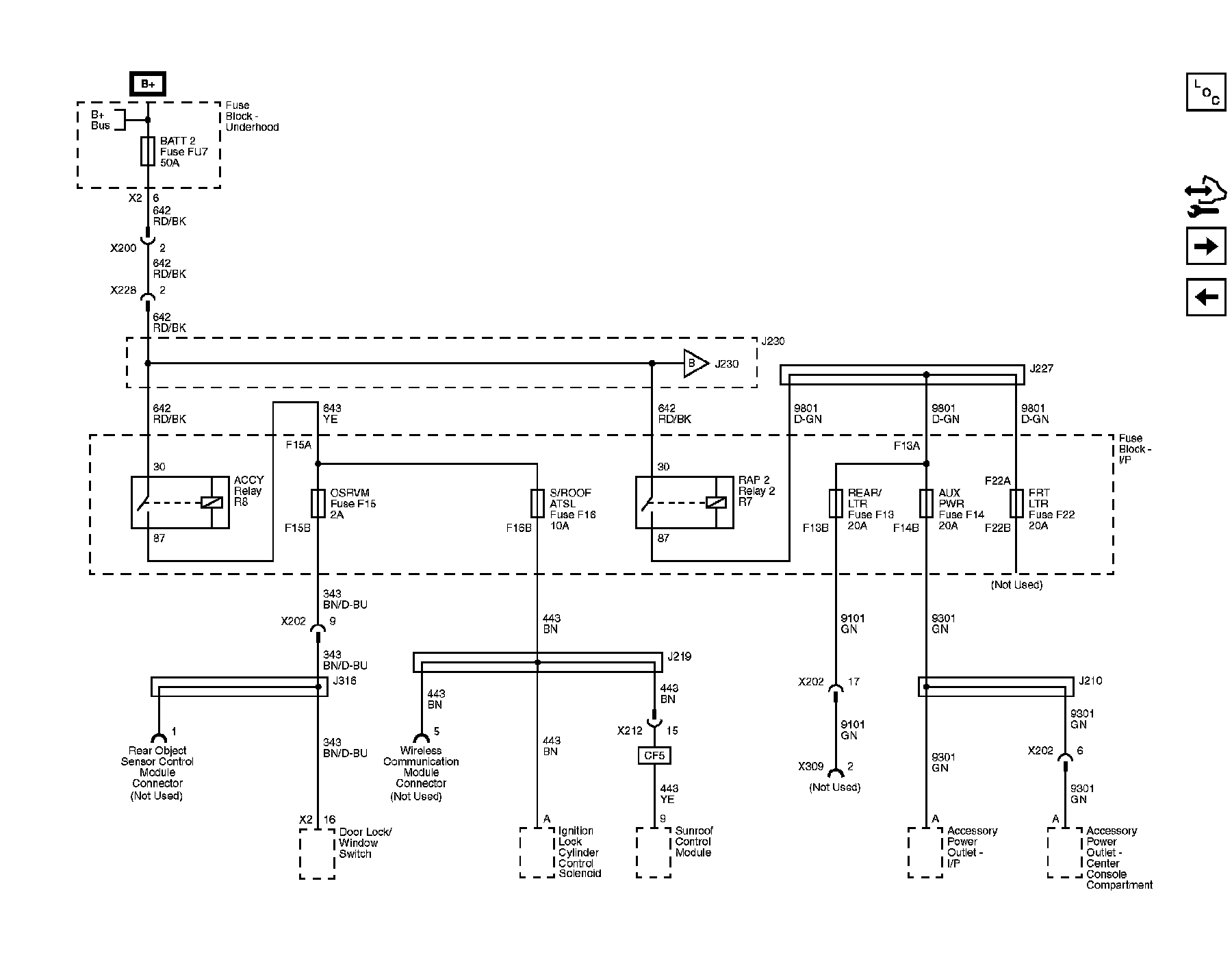
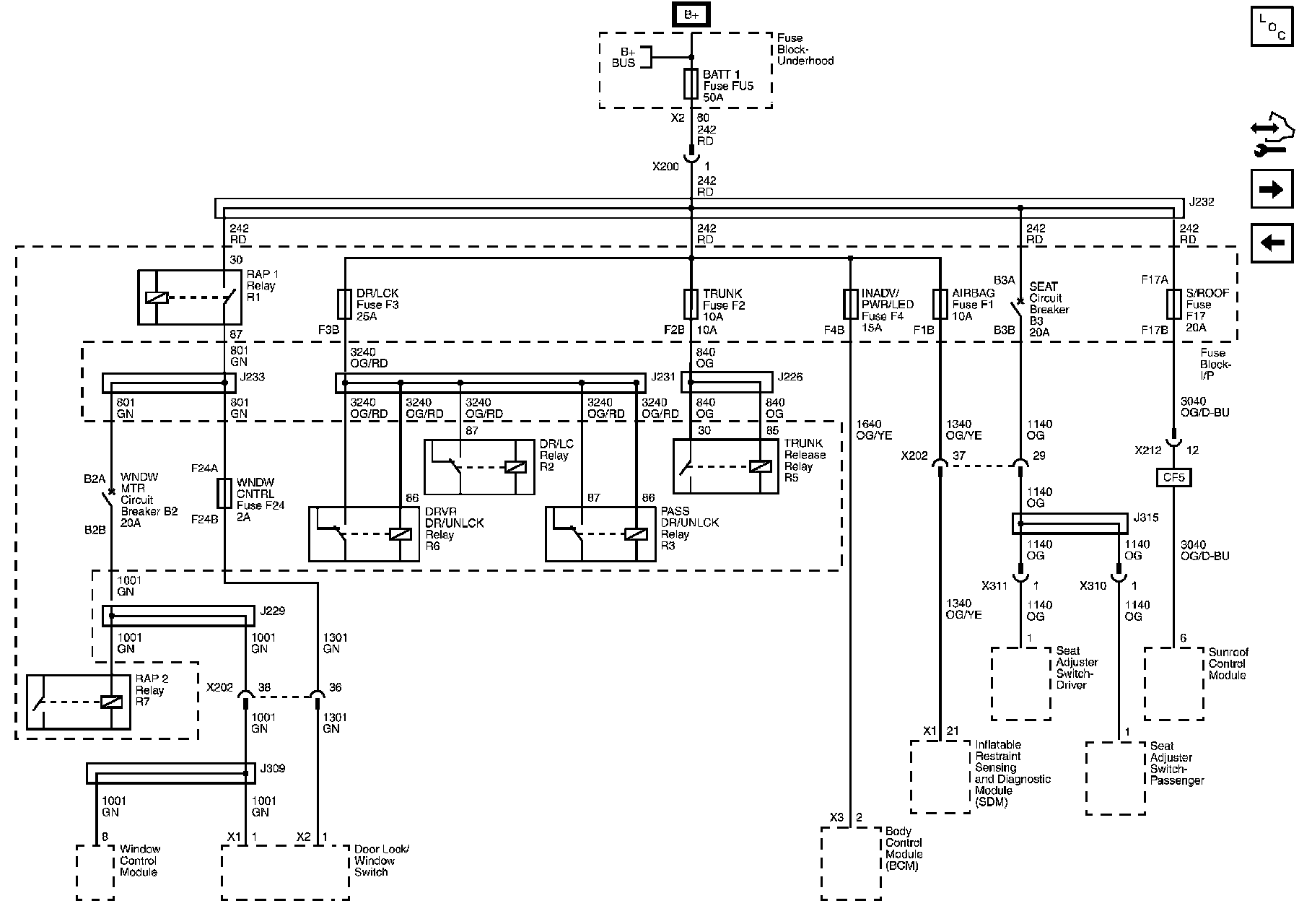
Power Distribution Schematics

AIRBAG, BATT 1, DR/LCK, INADV/PWR/LED, S/ROOF, TRUNK, WNDW CNTRL Fuses and Seat and WNDW MTR Circuit Breakers






AUX PWR, BATT 2, FRT LTR, OSRVM, REAR LTR, and S/ROOF ATSL Fuses