LEMON Manuals: Even more car manuals for everyone: 1960-2025
Home >> Pontiac >> 2009 >> Torrent Base, AWD >> Repair and Diagnosis >> External Pages >> Different car >> Section 81 (Data Communication System) >> Schematic and Routing Diagrams >> Data Communication Schematics
April 5, 2026: LEMON Manuals is launched! Read the announcement.

Data Communication Schematics

WARNING: This page is about a different car, the 2008 Pontiac Torrent and 2008 Chevrolet Equinox. However, it is still accessible from the selected car via links, so may be relevant.
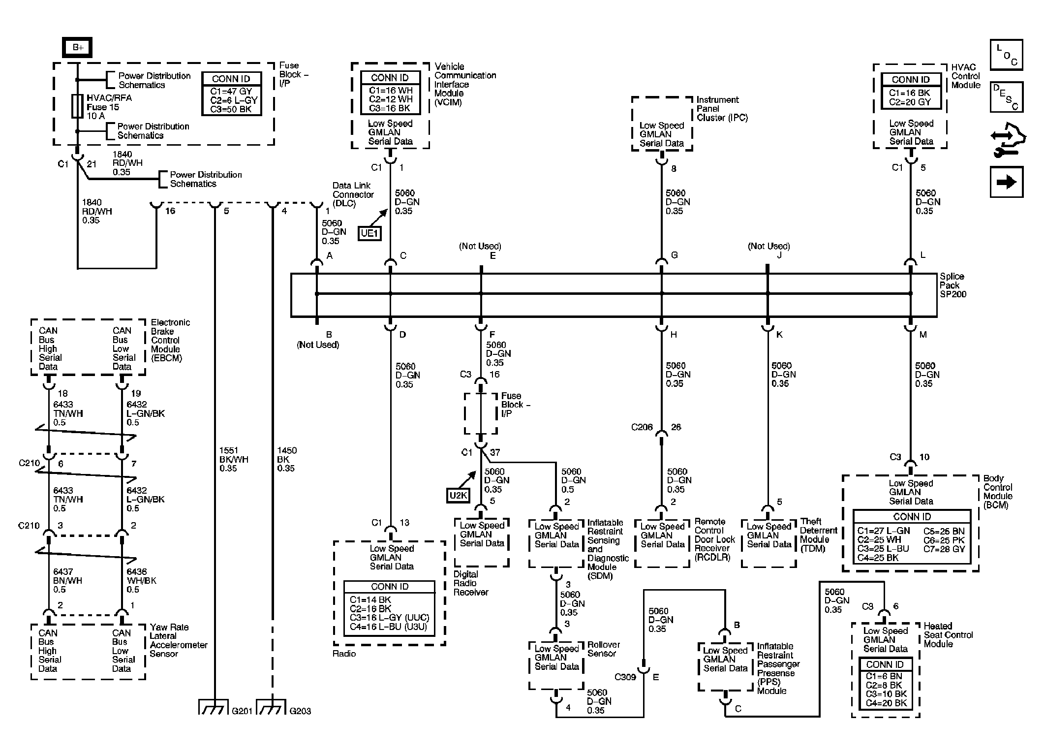
Fig 1: Low Speed GMLAN
GM1923701Courtesy of GENERAL MOTORS CORP.
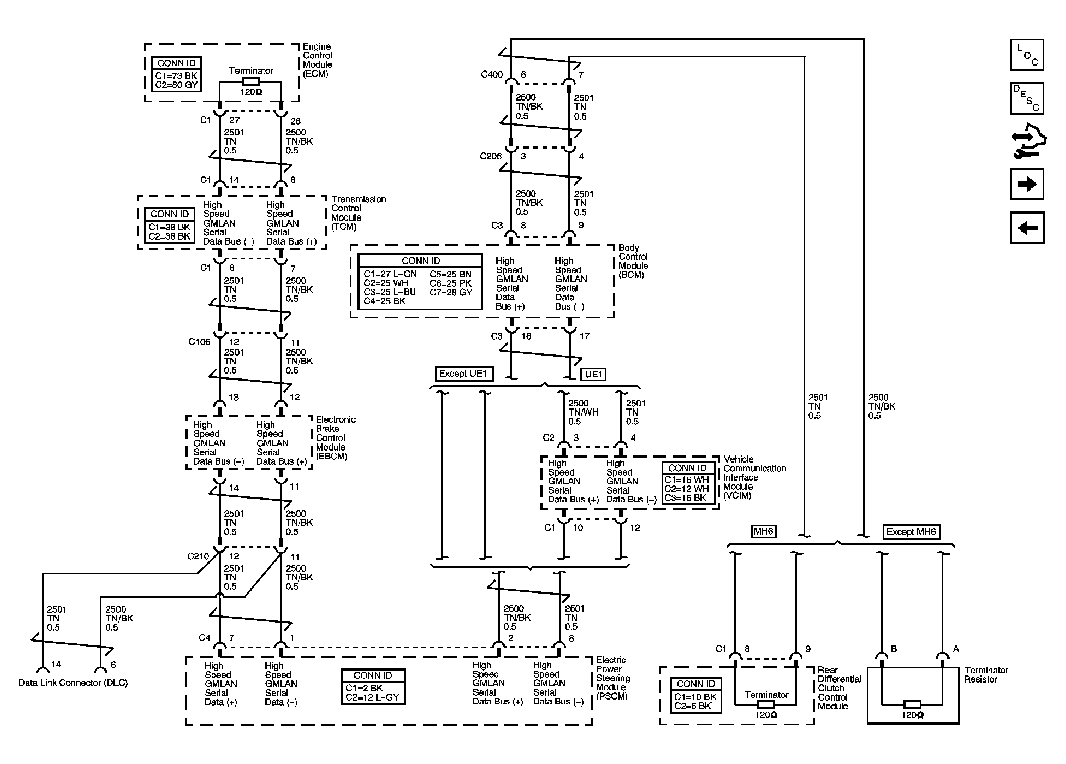
Fig 2: High Speed GMLAN
GM1923703Courtesy of GENERAL MOTORS CORP.