LEMON Manuals: Even more car manuals for everyone: 1960-2025
Home >> Pontiac >> 2009 >> Torrent GXP, AWD >> Repair and Diagnosis >> Engine Performance >> System >> Engine Controls And Fuel - 3.6L - Introduction >> Schematic and Routing Diagrams >> Engine Controls Schematics
April 5, 2026: LEMON Manuals is launched! Read the announcement.

Engine Controls Schematics

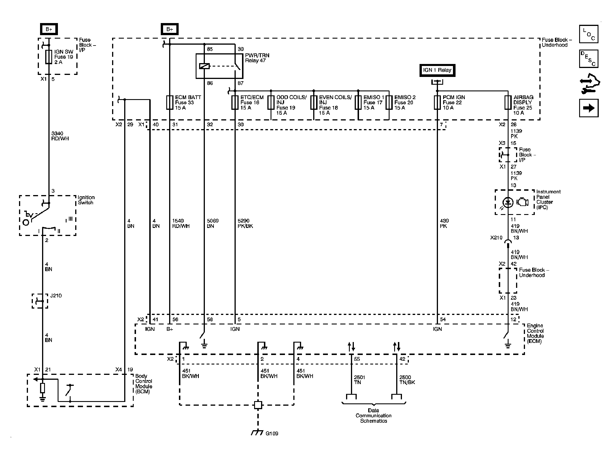
Fig 1: Module, Power, Ground, MIL, and Serial Data Schematic
GM2085805Courtesy of GENERAL MOTORS CORP.
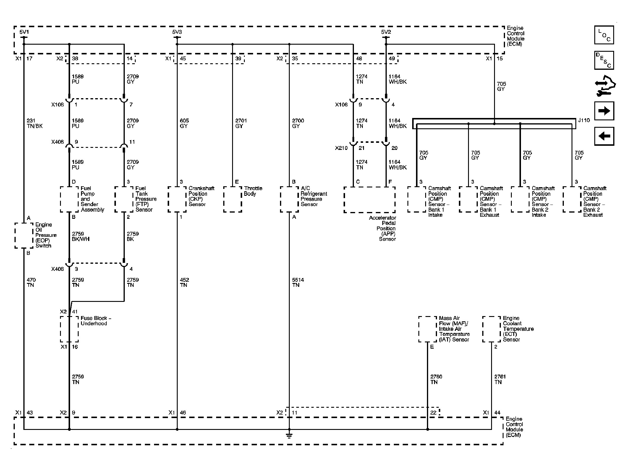
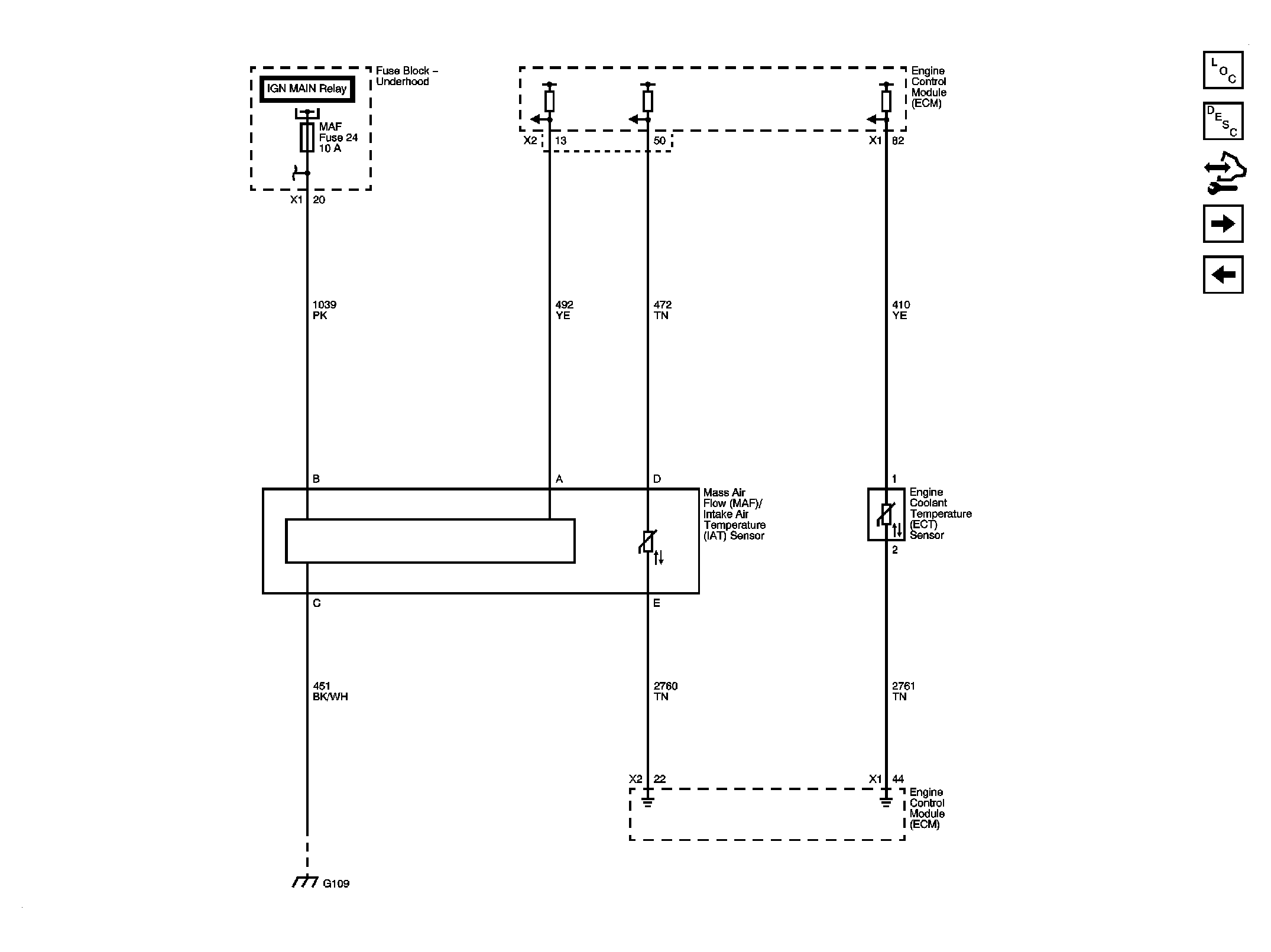
Fig 2: Engine Data Sensors - MAF and Engine Coolant Temperature Sensor Schematic
GM2085811Courtesy of GENERAL MOTORS CORP.
Fig 3: 5-Volt and Low Reference Schematic
GM2085809Courtesy of GENERAL MOTORS CORP.
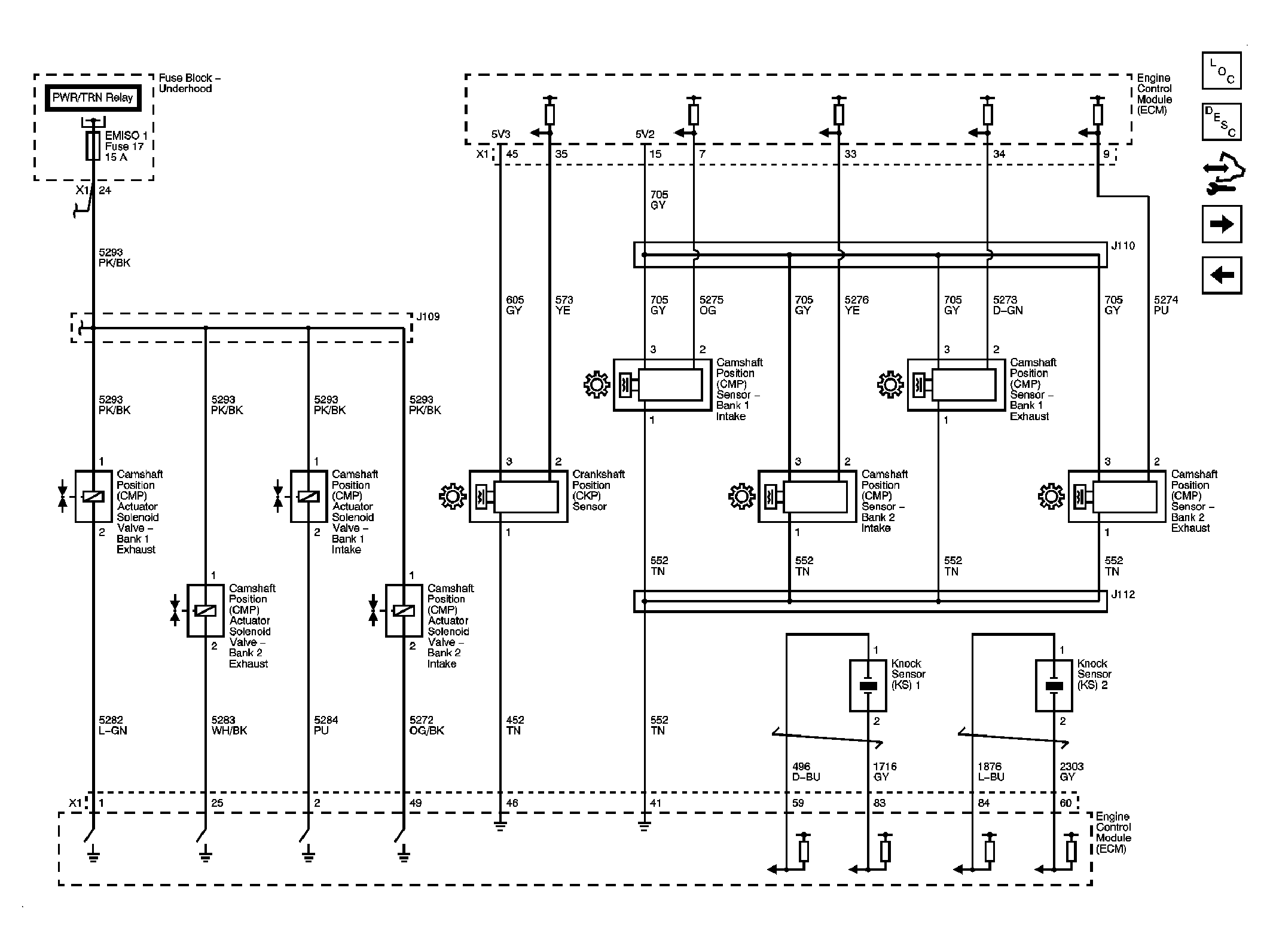
Fig 4: CMP Sensors and Solenoids, Knock Sensors, and Crankshaft Position Sensor Schematic
GM2085812Courtesy of GENERAL MOTORS CORP.
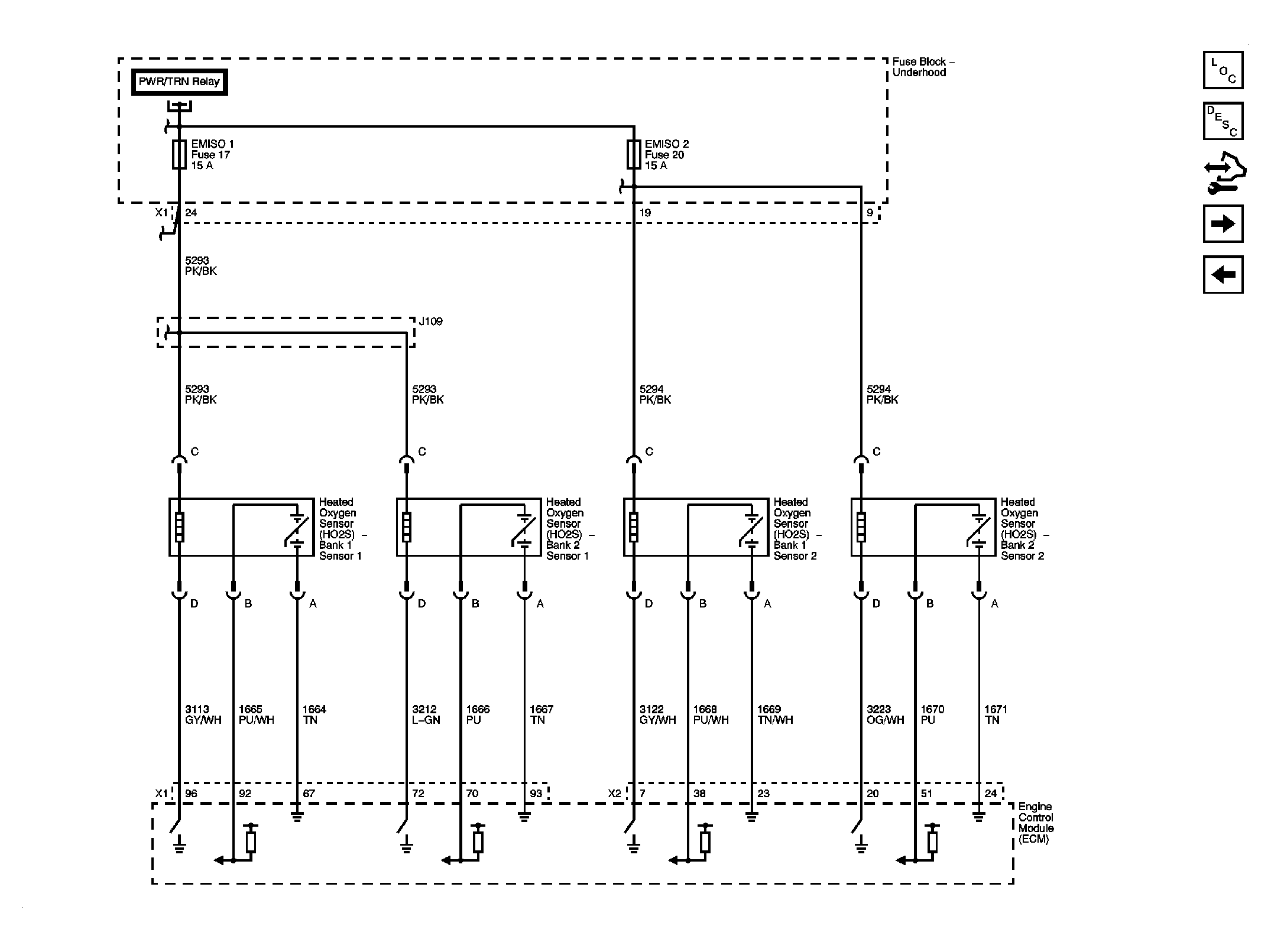
Fig 5: Engine Data Sensors - Oxygen Sensors Schematic
GM2085813Courtesy of GENERAL MOTORS CORP.
Fig 6: Engine Data Sensors - Electronic Throttle Controls Schematic
GM2085814Courtesy of GENERAL MOTORS CORP.
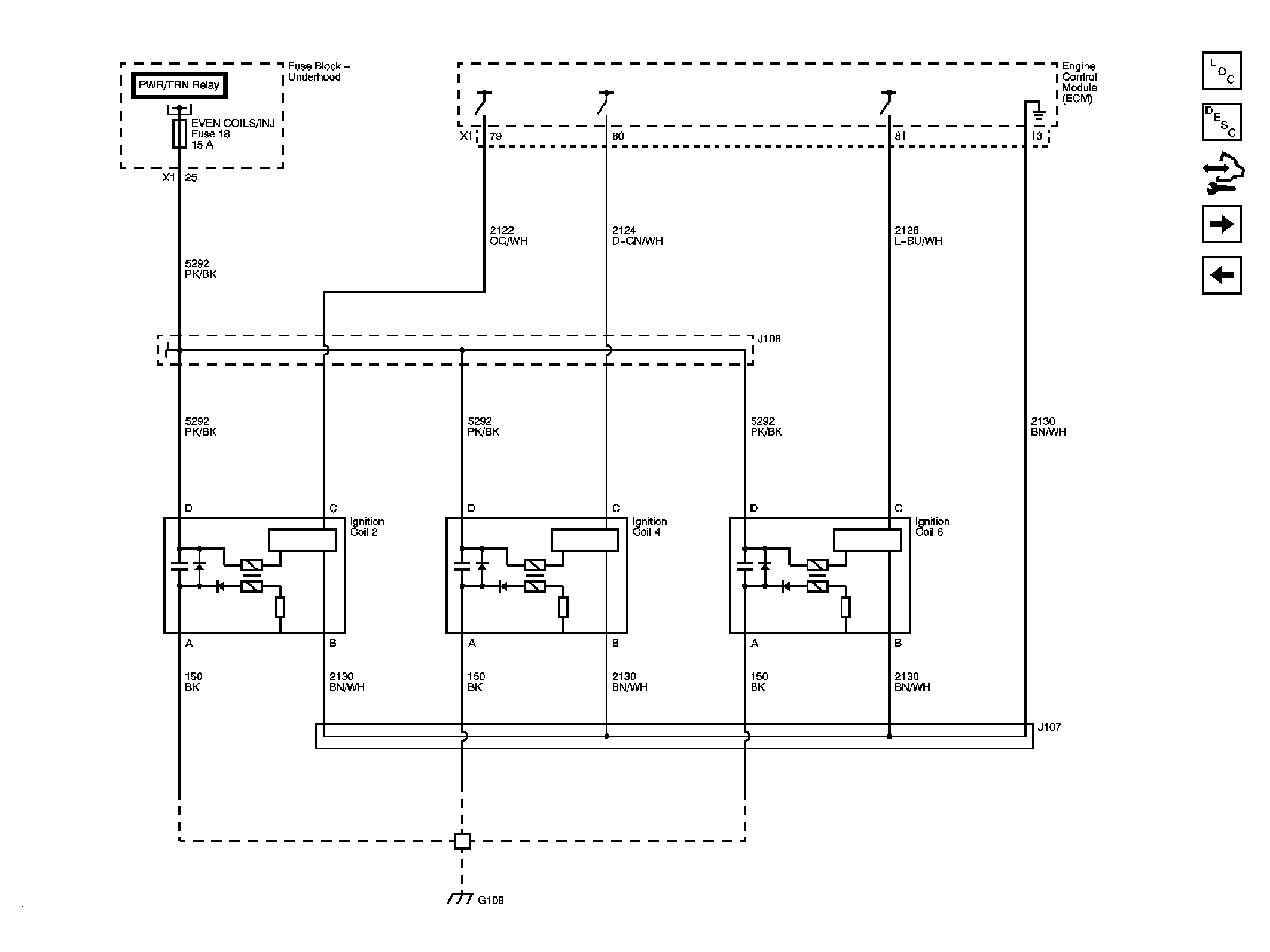
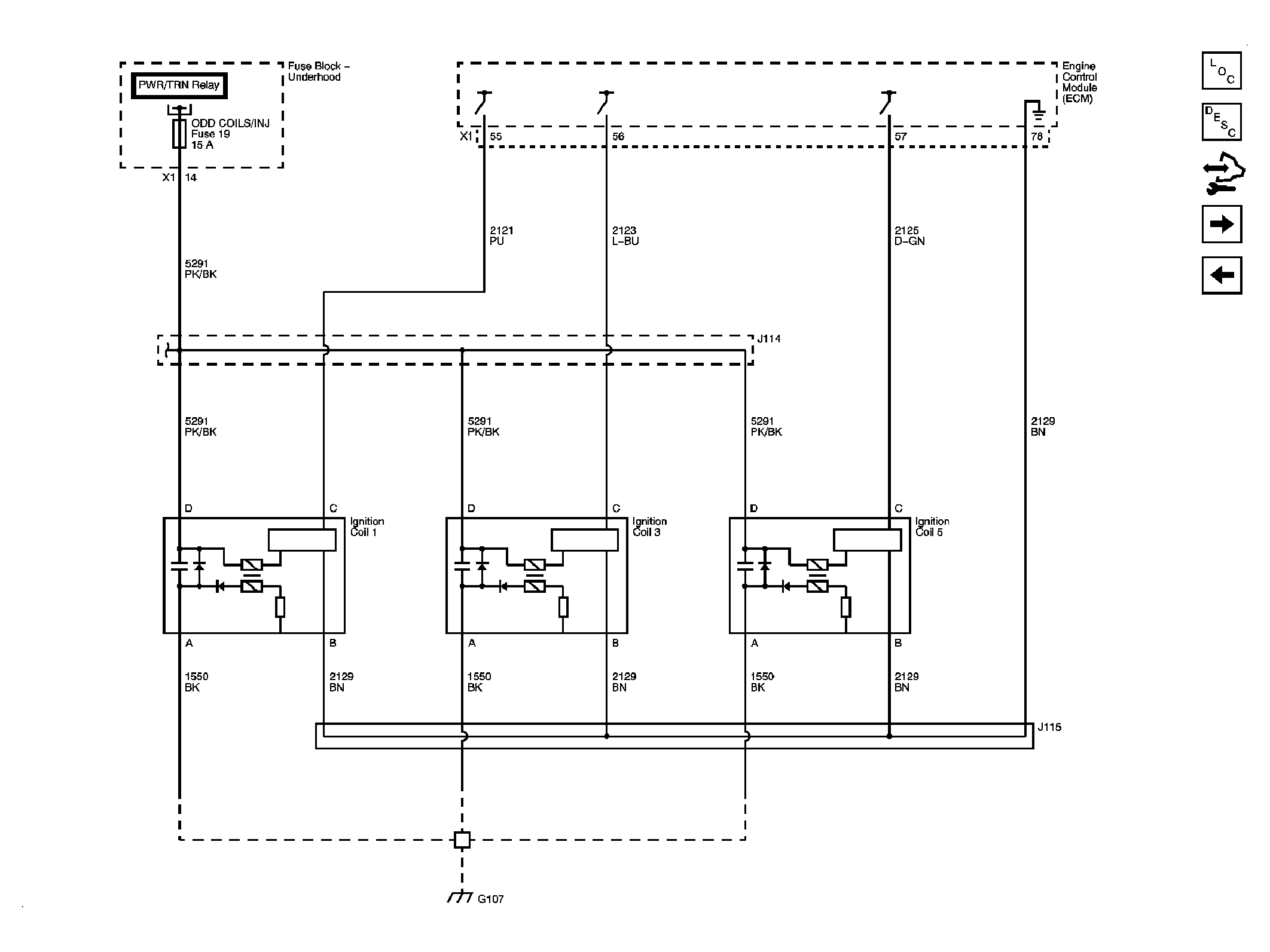
Fig 7: Bank 1 Ignition Coils Schematic
GM2085816Courtesy of GENERAL MOTORS CORP.
Fig 8: Bank 2 Ignition Coils Schematic
GM2085817Courtesy of GENERAL MOTORS CORP.
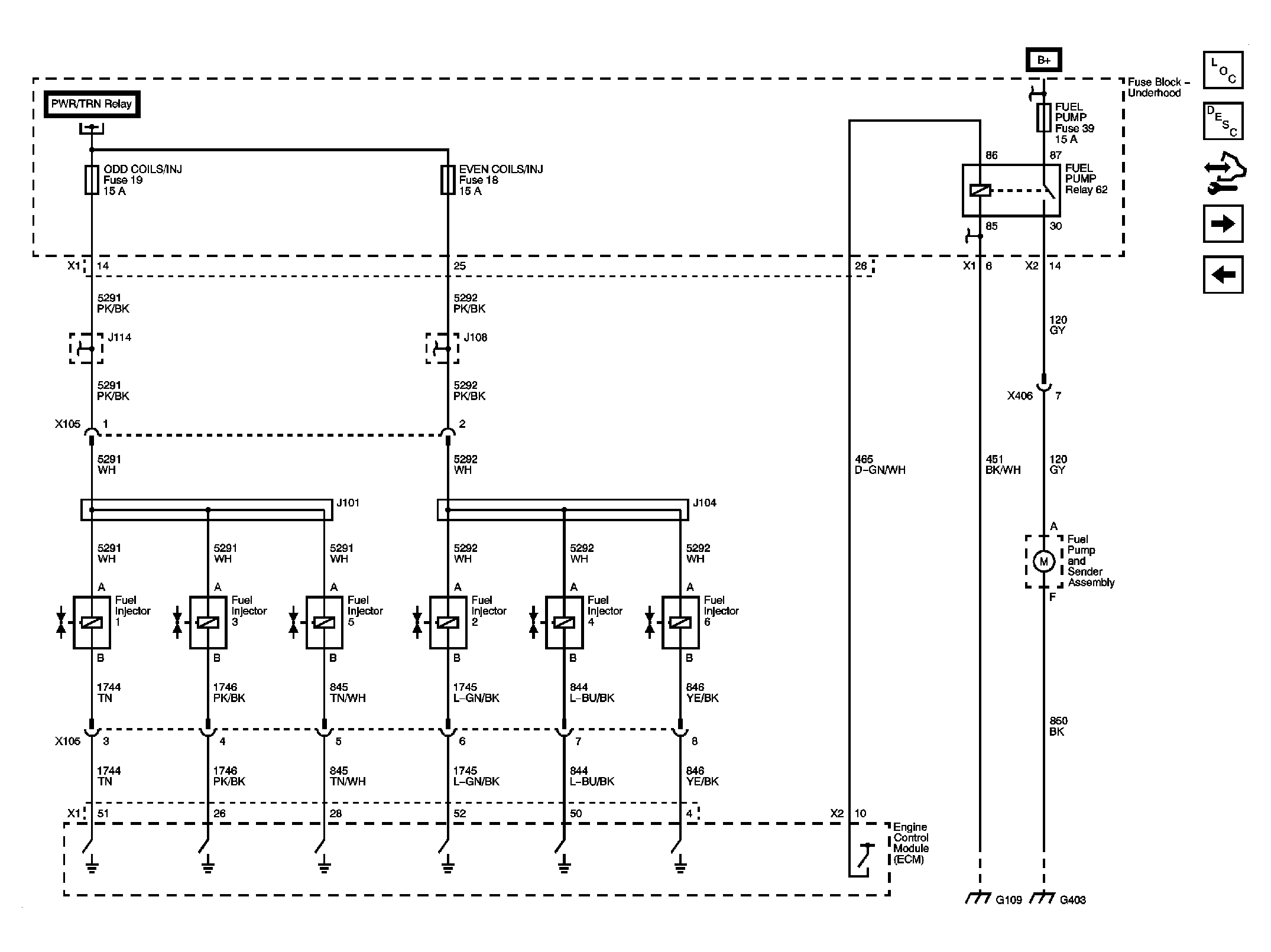
Fig 9: Fuel Pump and Injectors Schematic
GM2085818Courtesy of GENERAL MOTORS CORP.
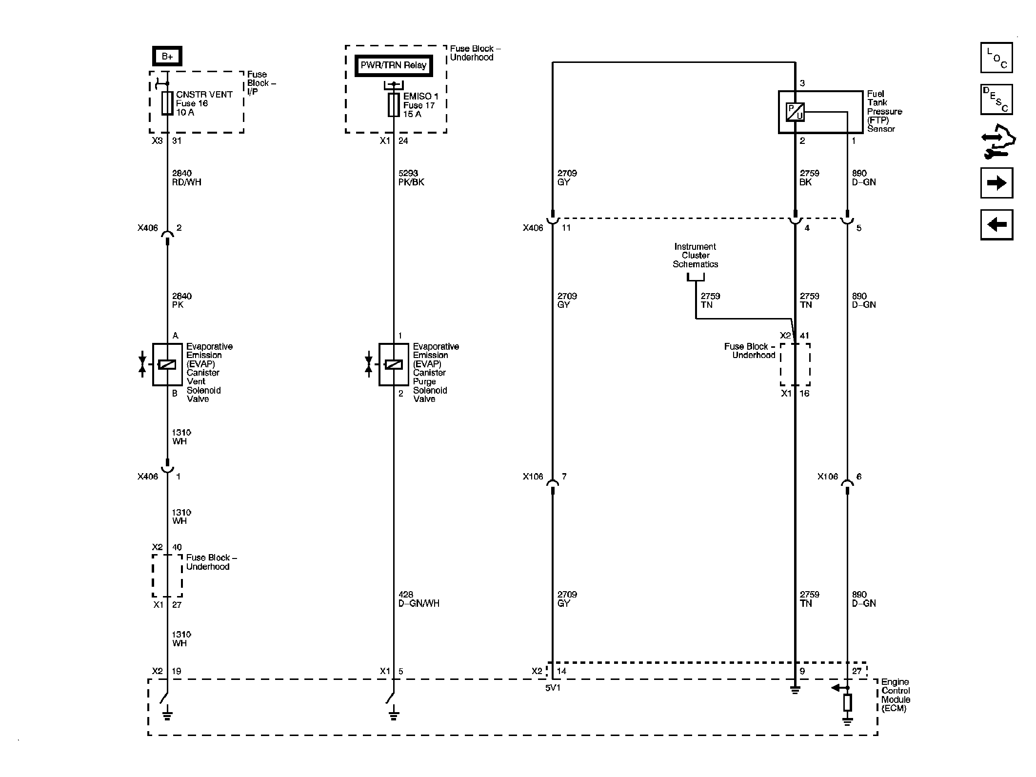
Fig 10: Evaporative Emissions and Fuel Tank Pressure Sensor Schematic
GM2085820Courtesy of GENERAL MOTORS CORP.
Fig 11: Controlled/Monitored Subsystems References Schematic
GM2085821Courtesy of GENERAL MOTORS CORP.