LEMON Manuals: Even more car manuals for everyone: 1960-2025
Home >> Pontiac >> 2010 >> G5 Base, Automatic >> Repair and Diagnosis >> Engine Performance >> Engine Control Systems >> Engine Controls And Fuel - 2.2L - Repair Instructions >> Repair Instructions >> Engine Control Module Replacement >> Removal Procedure
April 5, 2026: LEMON Manuals is launched! Read the announcement.

Removal Procedure

    Fig 1: View Of Engine Control Module (ECM) Cover
    GM1656931Courtesy of GENERAL MOTORS CORP.
  1. Using a scan tool, retrieve the percentage of remaining engine oil. Record the remaining engine oil life.
  2. Disconnect the negative battery cable. Refer to Battery Negative Cable Disconnection and Connection .
  3. Remove the engine control module cover.
  4. Fig 2: View Of Body Wiring Harness Electrical Connector
    GM1833664Courtesy of GENERAL MOTORS CORP.
  5. Disconnect the body wiring harness electrical connector (1) from the ECM.
  6. Fig 3: View Of Engine Wiring Harness Electrical Connector
    GM1833663Courtesy of GENERAL MOTORS CORP.
  7. Disconnect the engine wiring harness electrical connector (1) from the ECM.
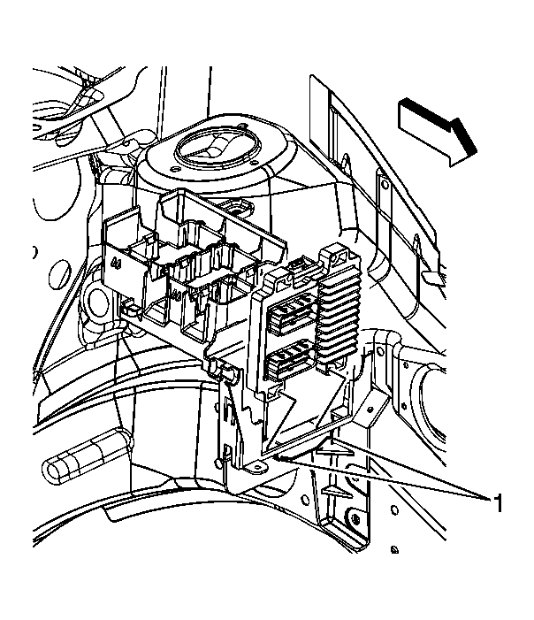
  8. Fig 4: View of ECM Retaining Tab
    GM1833662Courtesy of GENERAL MOTORS CORP.
    CAUTION: Control module damage may result when the metal case contacts battery voltage. DO NOT contact the control module metal case with battery voltage when servicing a control module, using battery booster cables or when charging the vehicles battery.
  9. Release the retaining tab (1) in order to release the ECM from the underhood junction block bracket.