LEMON Manuals: Even more car manuals for everyone: 1960-2025
Home >> Pontiac >> 2010 >> G5 Base, Automatic >> Repair and Diagnosis >> Engine Performance >> System >> Data Communication System >> Schematic and Routing Diagrams >> Data Communication Schematics
April 5, 2026: LEMON Manuals is launched! Read the announcement.

Data Communication Schematics

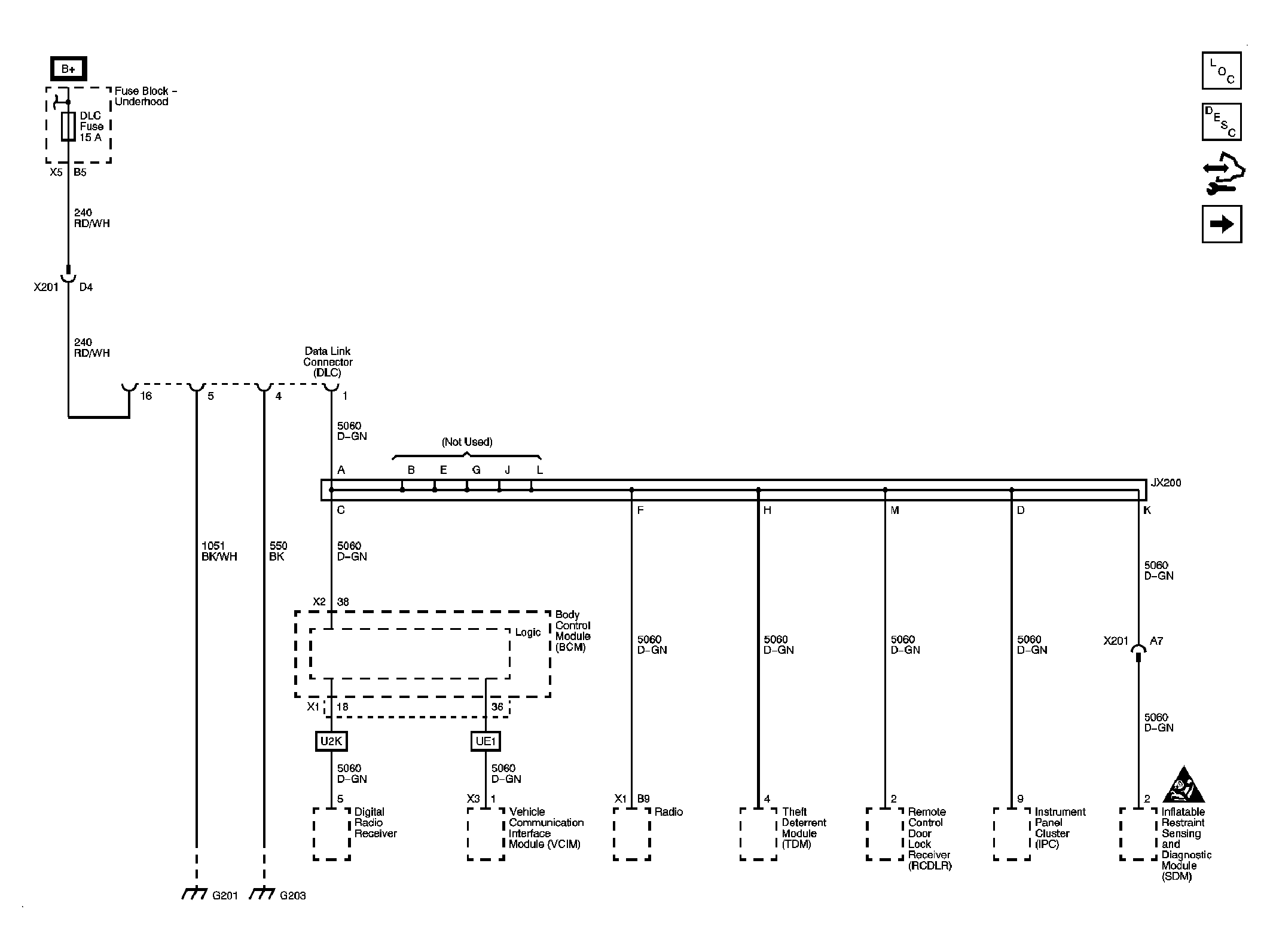
Fig 1: Power, Ground, Low Speed GMLAN
GM2249282Courtesy of GENERAL MOTORS CORP.
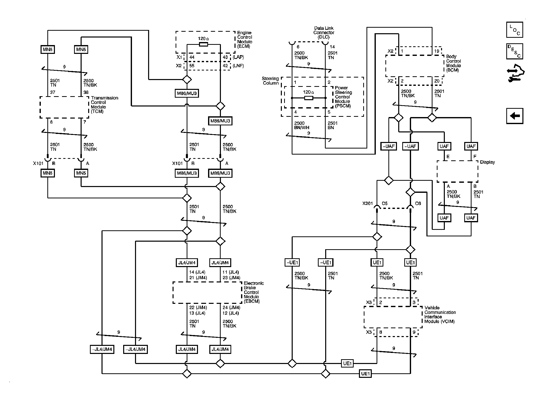
Fig 2: High Speed GMLAN
GM2249285Courtesy of GENERAL MOTORS CORP.