LEMON Manuals: Even more car manuals for everyone: 1960-2025
Home >> Porsche >> 1999 >> Boxster (986) F6-2.5L >> Repair and Diagnosis >> Powertrain Management >> Computers and Control Systems >> Description and Operation >> Function of Components >> Front View
April 5, 2026: LEMON Manuals is launched! Read the announcement.

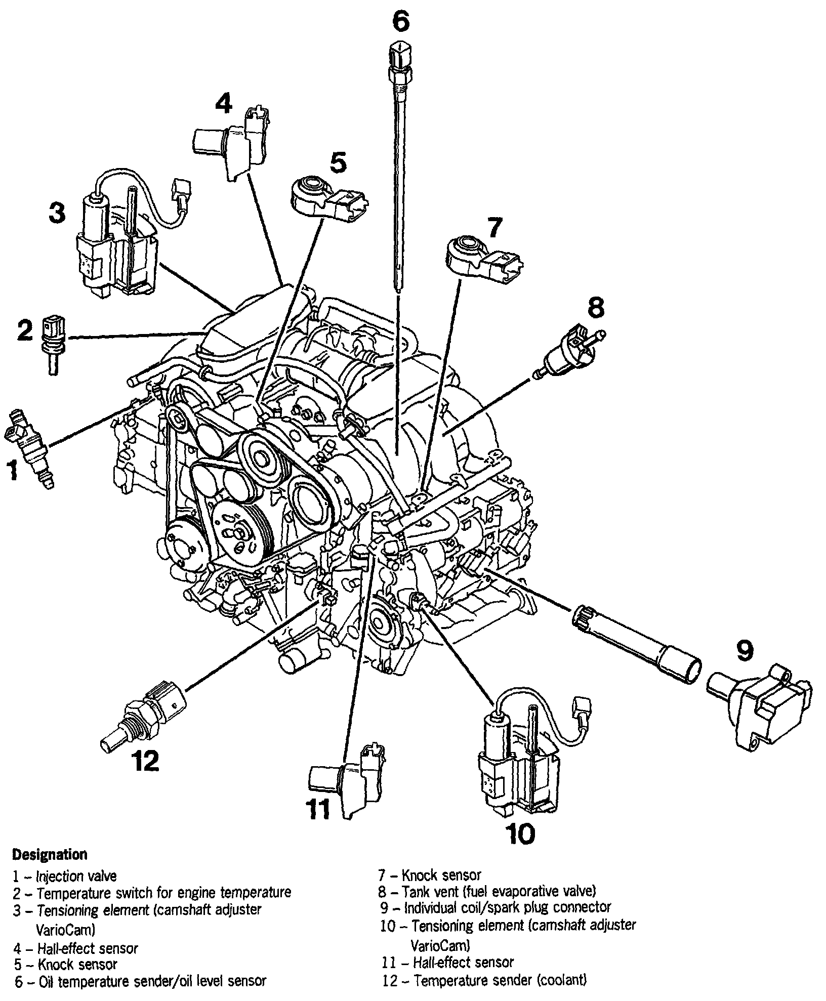
Front View





Components On The Engine - Front View:






1. Injection valves
The valve coils consist of brass and have an internal resistance of approximately 12 ohms. The injection valves are activated sequentially, and the electrical leads therefore must not be swapped. The change in the quantity injected is controlled by the DME control module via variable valve opening times.

2. Temperature switch for the engine compartment fan
An NTC thermistor is installed between the intake pipes of cylinders 1 and 2 in order to measure the engine compartment temperature. The DME control module activates the engine compartment fan depending on the respective engine compartment temperature and various additional factors.

3. Tensioning element (camshaft adjuster VarioCam)
In order to increase torque and improve cylinder charging, the engine is equipped with two VarioCam drive links installed in the chain tensioners of the camshafts.

The two drive links are actuated via solenoid valves, which are in turn activated by the DME control module.

4. Hall-effect sensor
A plug-in Hall-effect sensor is installed in the cylinder head at the 3rd cylinder of cylinder bank 1 - 3 in order to detect the ignition TDC of the 1st cylinder. The Hall signal is produced by a rotor fastened on the inlet camshaft of cylinder bank 1 - 3.

In addition to detection of ignition TDC of the 1st cylinder and the associated allocation of injection signals (sequential), ignition signals (stationary high-voltage distribution) and knock-sensor signals (knock regulation), the Hall signal is also used for diagnosis of the VarioCam system in the Boxster.

5. Knock sensor

Function
If the knock-sensor voltage, in combination with an amplification factor calculated by the control module, reaches a maximum voltage threshold, the DME control module interprets this as "knocking". When knocking is detected, the calculated ignition timing angle is retarded by a crankshaft angle of 2.25° at the corresponding cylinder (cylinder selective). The maximum retardation per cylinder depends on the engine rpm and can be up to 15° crk behind the nominal ignition timing angle.

When knocking is no longer detected, the ignition timing angle is returned to its optimum value in small increments.

Safety function
If the DME control module detected a fault on knock sensor 1, knock sensor 2, the Hall-effect sensor, or an error in calculation of the engine load signal, the DME control module will retard the calculated ignition timing angle by 9° crk as from the condition "Knock regulation active" and as from a fixed engine and intake air temperature.

6. Oil temperature sender
The DME control module uses the oil temperature to calculate the switching rpm for the VarioCam system. The oil temperature sender and oil level sender form a single component that is screwed into the crankcase.

7. Knock sensor
See Item 5 above.

8. Fuel evaporative valve
A solenoid valve is installed in the line between the intake housing and carbon canister. The flow direction of the one-way valve is stamped into the plastic housing. The valve is filled below the intake pipe for cylinder 5.

The fuel evaporative valve is closed when de-energized. When the ignition is switched on, the DME control module applies positive voltage to the fuel evaporative valve via terminal 54. When the engine has started and the operating conditions listed beside this column have been reached, the fuel evaporative valve is connected to ground by the DME control module as well (but via terminal 61) and opens.

9. Individual ignition coil
The individual ignition coil and the spark plug are connected via a spark plug connector with an internal resistance of approx. 2.5 kOhms. The individual ignition coil is provided with positive voltage (terminal 3) and negative voltage (terminal 2) via the electrical lead on the keyed 3-pole plug contact. Terminal 1 on the individual ignition coil leads to the ignition driver. The coils are energized when the injection, ignition and oxygen sensor relay is closed.

10. Tensioning element (camshaft adjuster)
See Item 3 above.

11. Hall-effect sensor
See Item 4 above.

12. Engine coolant temperature sensor
The engine temperature sender is designed as a double NTC thermistor. The control module uses the temperature sender signal to calculate the injection signal during the warm-up phase in order to enrich the mixture when the engine is started, to calculate the ignition timing angle during the warm-up phase and to control the electric fans. One temperature-dependent resistance (resistance measured between contacts 2 and 3 in the connector housing) provides the signal for indication of the engine coolant temperature in the instrument cluster, and the other temperature dependent resistance (measured between contacts 1 and 4 in the connector housing) informs the DME control module about the coolant temperature.
The engine coolant temperature sensor is screwed into the coolant guide housing.