LEMON Manuals: Even more car manuals for everyone: 1960-2025
Home >> Porsche >> 2001 >> Boxster Base, Automatic >> Repair and Diagnosis >> Engine Performance >> Fuel Delivery >> Fuel System, Electronic Injection >> Disassembling and assembling intake distributor >> Notes
April 5, 2026: LEMON Manuals is launched! Read the announcement.

Disassembling and assembling intake distributor: Notes

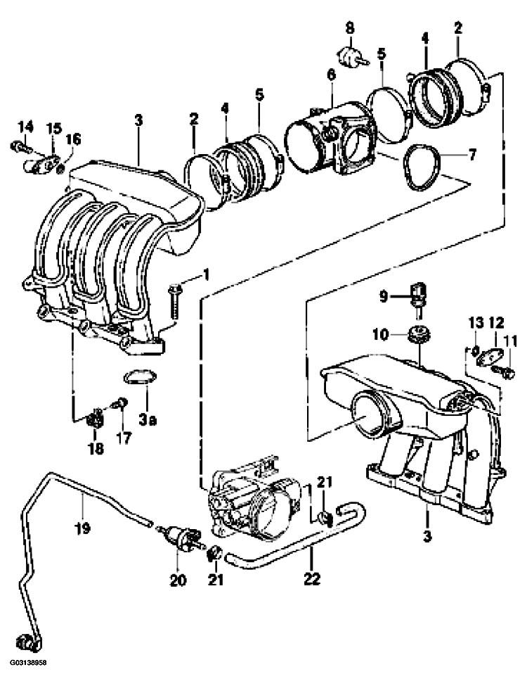
Fig 1: Exploded View Of Intake Distributor (Manifold) Assembly
G03138958Courtesy of PORSCHE OF NORTH AMERICA, INC.
INTAKE DISTRIBUTOR REMOVAL & INSTALLATION PROCEDURE

No.  Designation  Qty.  Removal  Installation 
1 Hexagon-head bolt 6x35 12   Tightening torque: 10 Nm (7 ftlb.)
2 Hose clamp 90-110/9 2    
3 Intake distributor 2    
3a O-ring 48x3 6    
4 Rubber sleeve 2   Connecting bores for vacuum control pipes face the front (in direction of travel).
5 Hose clamp 90-110/9 2    
6 Intermediate piece 1    
7 Sealing ring 1   Replace
8 Check valve 1   Ensure correct installation position. Assemble with black side facing rubber sleeve (see ASSEMBLY INSTRUCTIONS  ).
9 Temperature sensor for intake air 1    
10 Grommet 1    
11 Hexagon-head bolt 6.0x18 2    
12 Closure cap 1    
13 O-ring 11x2.5 1   Replace
14 Hexagon-head bolt 6.0x18 2    
15 Adapter 1    
16 O-ring 11x2.5 1   Replace
17 Hexagon-head bolt 1    
18 Fastening clamp for vent line 1    
19 Vent line 1    
20 Tank venting valve 1    
21 Hose clamp 8-16/9 1