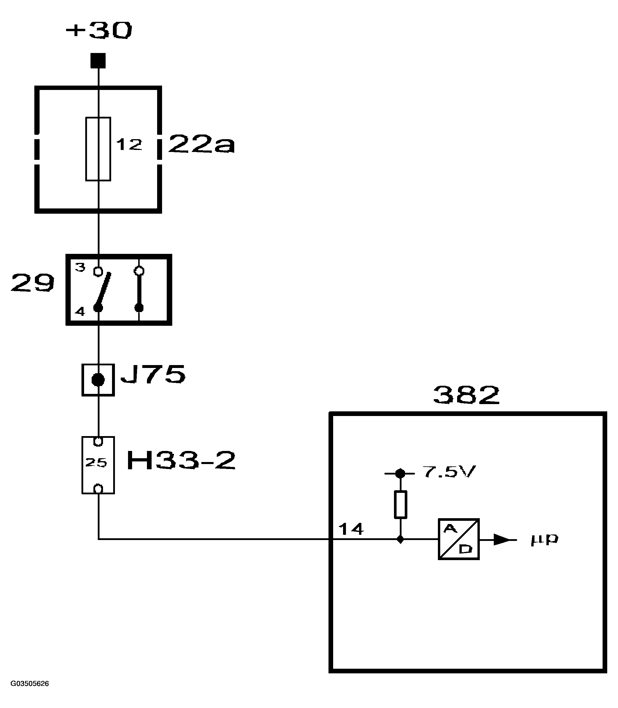
Brakelight switch: Notes
Current is supplied to the control module on pin 14 via the brakelight switch when the brake pedal is depressed.
Information on the status of the brakelight switch (ON/OFF) is used by the control module as follows:
- If the brake pedal is released and then depressed while the ABS is active, the control module will start from the beginning of the control cycle again.
- Brakelight switch ON is one of 4 criteria on which the control module determines whether or not to activate the EDB function.
- The pump motor test is normally conducted at 6 km/h (3.7 mph) but with brake light switch ON, the test will be conducted at 15 km/h (9.3 mph).
- If the brake pedal is depressed while the TCS function is active (brake light ON), the TC/ABS control module will disengage the TCS function for brake application and select the brake function. All other TCS functions will remain in operation.