LEMON Manuals: Even more car manuals for everyone: 1960-2025
Home >> Saab >> 2001 >> 9-3 Base, 2D Hatchback, Automatic >> Repair and Diagnosis >> Brakes >> Traction Control >> TC/Abs System Version 5.3 - Repair >> Technical Description Control >> Engine torque >> Notes
April 5, 2026: LEMON Manuals is launched! Read the announcement.

Engine torque: Notes

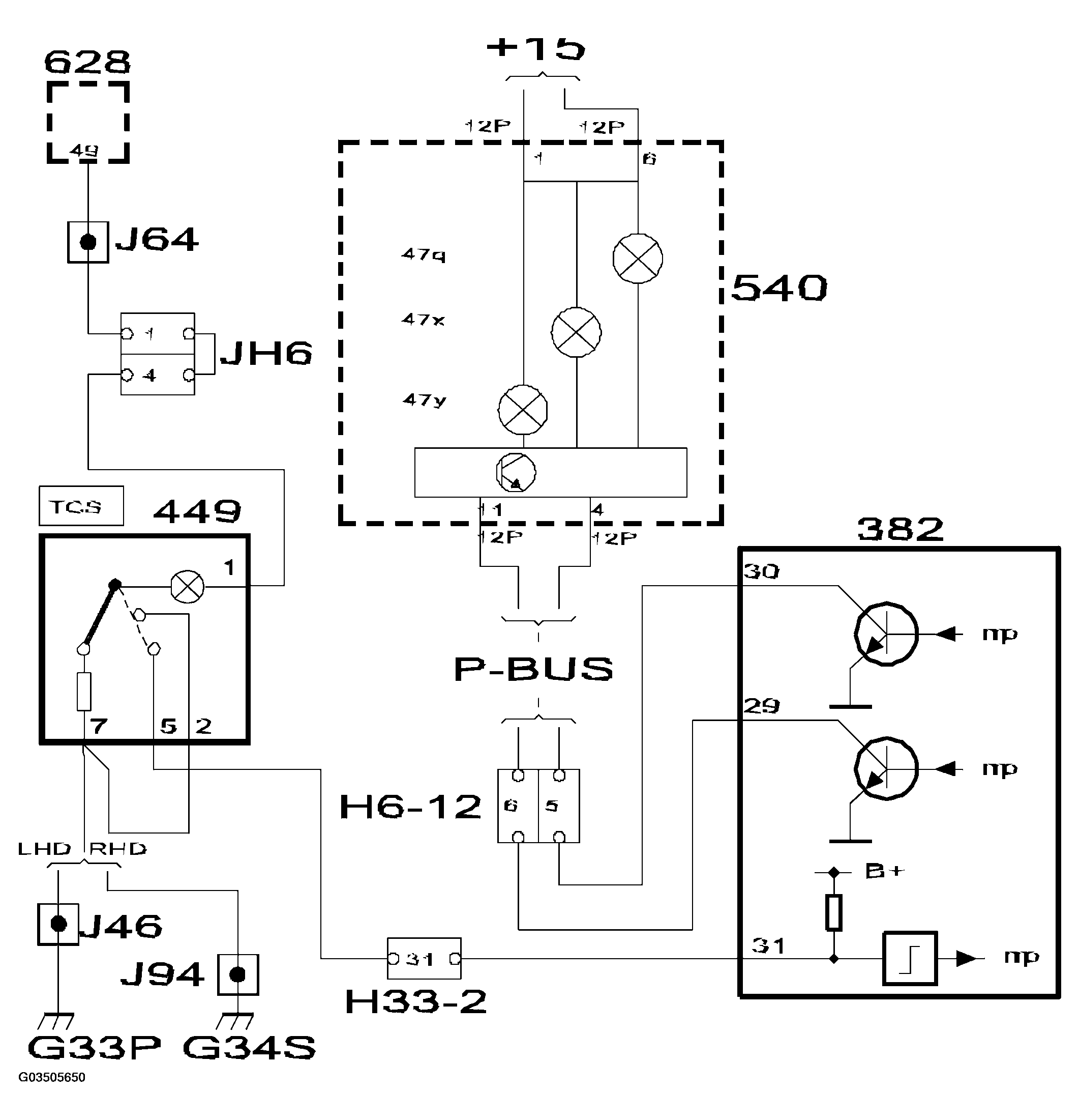
Fig 1: TCS Switch ON/OFF - Circuit Diagram
G03505650Courtesy of SAAB-SCANIA OF AMERICA, INC.
Fig 2: Engine Torque - Communication Diagram
G03505651Courtesy of SAAB-SCANIA OF AMERICA, INC.

Trionic converts the current air mass/combustion to information on engine torque. This information is sent on the P-bus.

The TC/ABS control module uses the information on engine torque to calculate the current driving wheel torque and detect any faults in the system.

The engine torque and vehicle speed is used to calculate the gear ratio of cars with manual gearbox. The control module in automatic transmission places information on the gear ratio on the P-bus.

Using the information on engine torque and current gear ratio, the control module can calculate the driving wheel torque. This is used to calculate the magnitude of any braking in progress and the limit for engine torque.