LEMON Manuals
: Even more car manuals for everyone: 1960-2025
Home
>>
Saab
>>
2001
>>
9-3 Base, 4D Hatchback, Automatic
>>
Repair and Diagnosis
>>
Engine Performance
>>
System
>>
TRIONIC T7 Fuel Control System
>>
Technical Description
>>
Ignition discharge module
>>
Notes
April 5, 2026:
LEMON Manuals is launched!
Read the announcement.
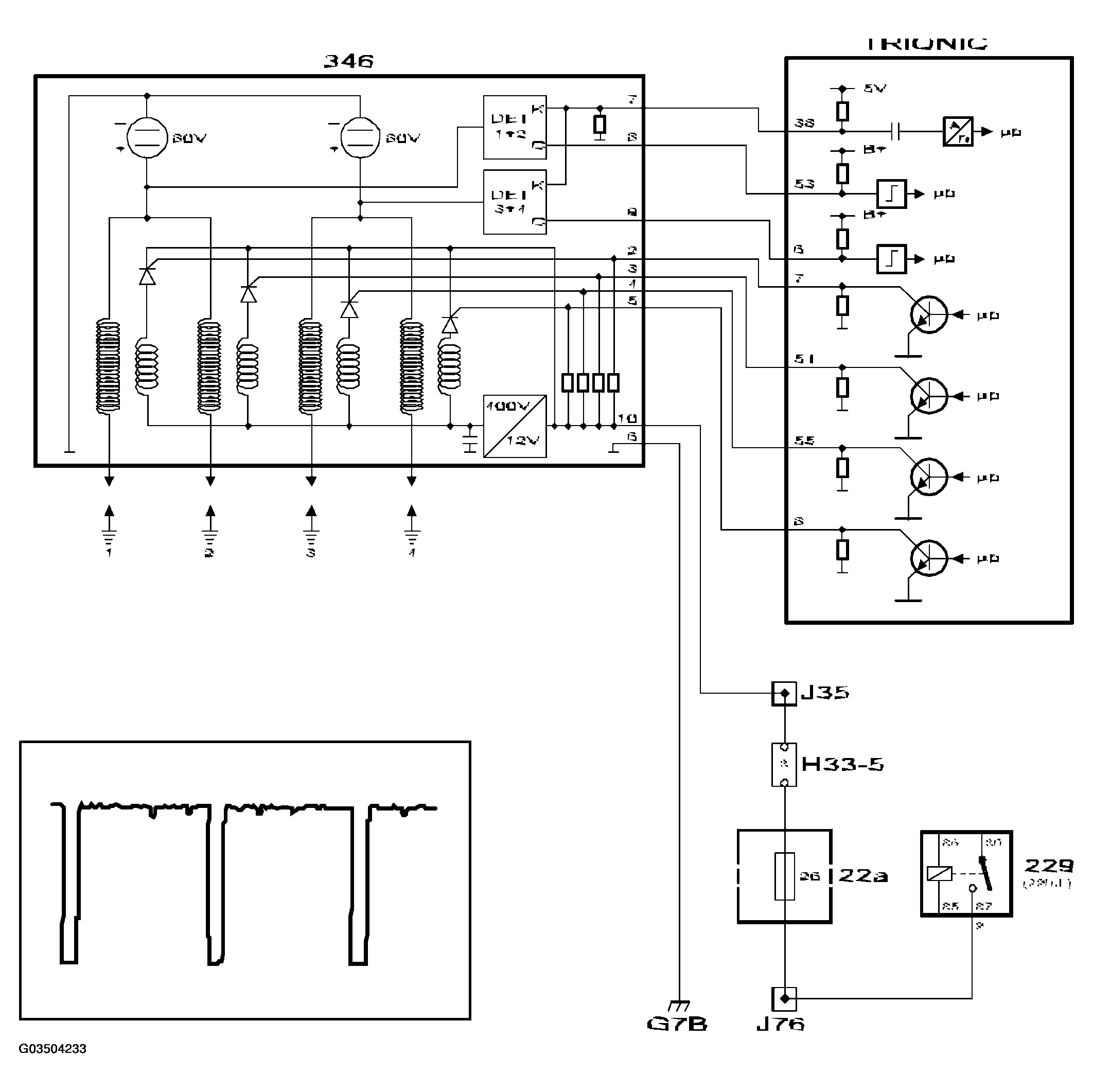
Ignition discharge module: Notes
Fig 1: Circuit Diagram - Ignition System
Courtesy of SAAB-SCANIA OF AMERICA, INC.