LEMON Manuals: Even more car manuals for everyone: 1960-2025
Home >> Saab >> 2003 >> 9-3 Linear, Standard >> Repair and Diagnosis >> Engine Performance >> System >> TRIONIC T7 Fuel Control System >> Technical Description >> Injectors >> Notes
April 5, 2026: LEMON Manuals is launched! Read the announcement.

Technical Description: Injectors: Notes

Fig 1: Identifying Injectors
G03577000Courtesy of SAAB-SCANIA OF AMERICA, INC.
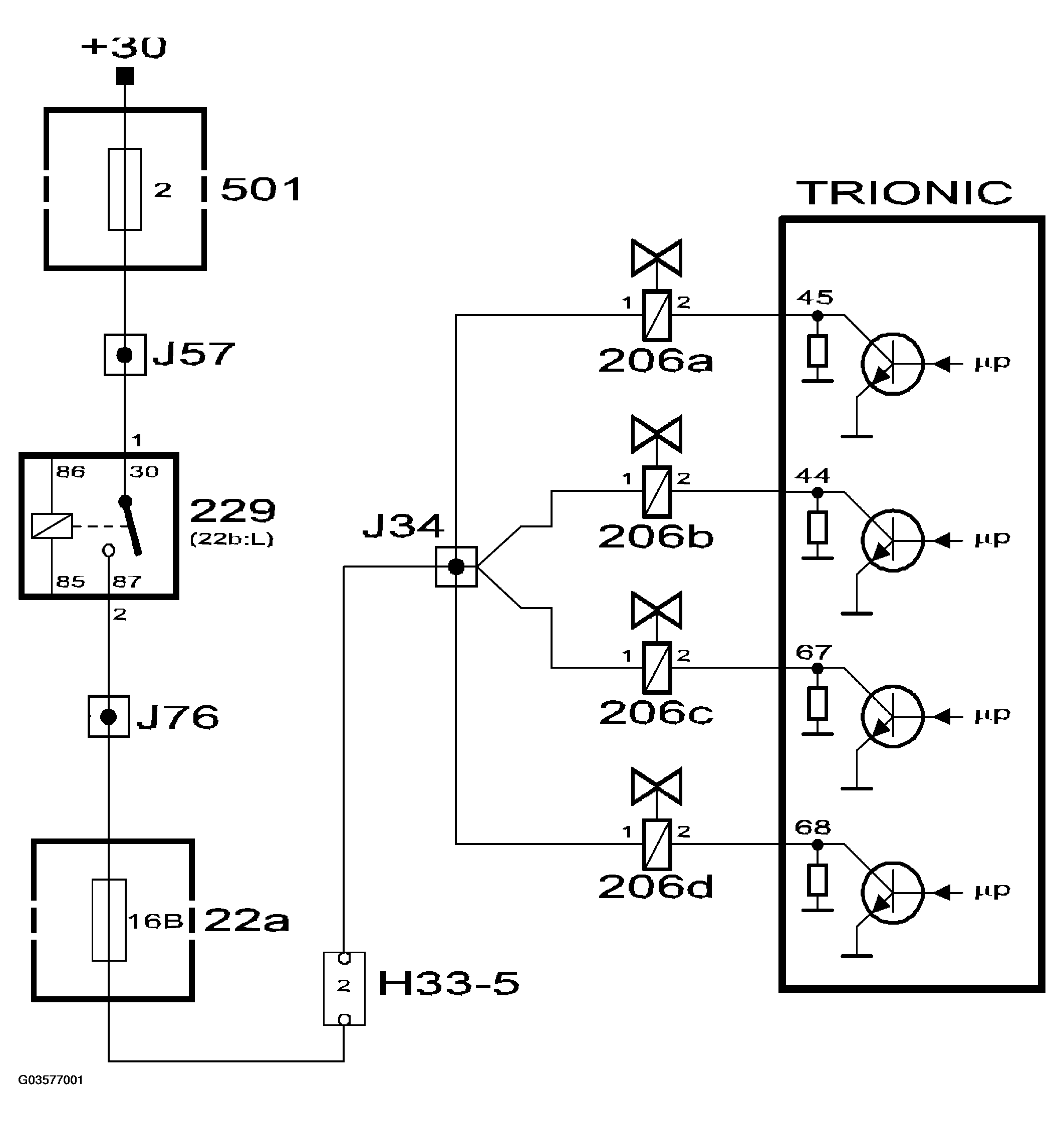
Fig 2: Circuit Diagram - Ignition System
G03577001Courtesy of SAAB-SCANIA OF AMERICA, INC.

The injectors are of solenoid type with needle and seat. They open when a current flows through the coil and are closed by a powerful spring when the current is cut.

To achieve optimum combustion and thereby cleaner exhaust gases, the injectors have air-flushed jets to give a good distribution of the fuel.

Air is fed to the injectors from a passage in the intake manifold. Air from in front of the throttle is led to the passage via a bypass in the throttle body.

The injectors must not be rotated; the connectors must point straight up. Otherwise, the fuel will hit the walls of the intake passages and affect emissions and driveability.

The injectors are identical on all 4-cyl engines.

The injectors are supplied with current from the main relay, while the control module grounds them as follows:

The microprocessor controls the transistor in the firing order so that injection is completed just as the inlet valve in the cylinder in question opens.