LEMON Manuals: Even more car manuals for everyone: 1960-2025
Home >> Saab >> 2003 >> 9-3 Vector, Automatic >> Repair and Diagnosis >> Electrical >> Body Electrical >> Control Module (Late; 9440) >> Technical Description >> Ionization Detection Module (740) >> Main task >> Connection
April 5, 2026: LEMON Manuals is launched! Read the announcement.

Main task: Connection

PINS DESCRIPTION

Pin No. Signal type Description
1 Ignition trigger cylinder 4, in Synchronization of ionization current measurement for cylinder 4.
2 Ignition trigger cylinder 3, in Synchronization of ionization current measurement for cylinder 3.
3 Knock signal, out Knock signal, raw value to ECM.
4 Combustion signal 1, out Combustion signal, raw value to ECM.
5 n/c  
6 n/c  
7 Ionization signal 2, in Ionization signal from ignition coil cylinder 2.
8 Ionization signal 3, in Ionization signal from ignition coil cylinder 3.
9 Ignition trigger cylinder 1, in Synchronization of ionization current measurement for cylinder 1.
10 Ignition trigger cylinder 2, in Synchronization of ionization current measurement for cylinder 2.
11 Combustion signal 2, out Combustion signal, raw value to ECM.
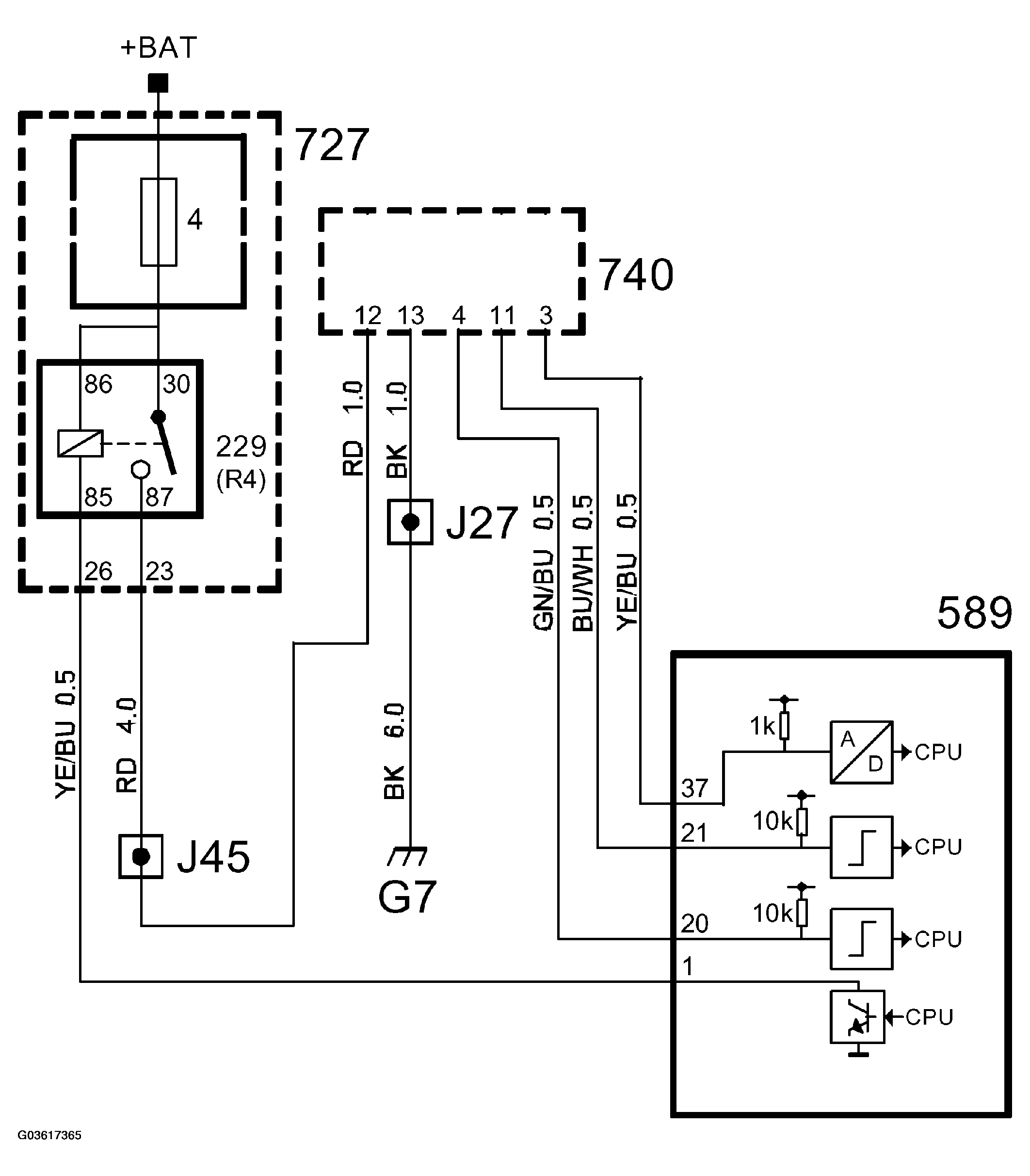
12 B+ Power supply B+ from main relay.
13 B power supply B- from grounding point G7.
14 n/c  
15 Ionization signal 4, in Ionization signal from ignition coil cylinder 4.
16 Ionization signal 1, in Ionization signal from ignition coil cylinder 1.
Fig 1: Identifying Ionization Detection Module Pins (1 Of 2)
G03617361Courtesy of SAAB-SCANIA OF AMERICA, INC.
Fig 2: Identifying Ionization Detection Module Pins (2 Of 2)
G03617362Courtesy of SAAB-SCANIA OF AMERICA, INC.
Fig 3: Identifying Ignition Switch
G03617363Courtesy of SAAB-SCANIA OF AMERICA, INC.

CDM performs an initial processing of the ionization signal from each ignition coil. CDM generates a common knock signal from the ionization information of the four cylinders. This signal is used by ECM to evaluate engine knocks.

After the spark has been fired, ECM "listens" to the knock signal of each cylinder over a certain number of crankshaft degrees, known as "windows".

The ionization signal is bandpass filtered to filter out the part of the signal containing knock information.

Knock information is characterized by "ringings" which are oscillations in the ionization signal. To obtain the combustion signal, the ionization signal passes a low-pass filter, where relatively slower oscillations pass through.

These ionization signal oscillations make up the part containing information on combustion quality.

Wiring diagram, ignition coils

Fig 4: Ionization Detection Module Wiring Diagram
G03617364Courtesy of SAAB-SCANIA OF AMERICA, INC.

Wiring diagram, power supply and communication

Fig 5: Wiring Diagram, Power Supply And Communication
G03617365Courtesy of SAAB-SCANIA OF AMERICA, INC.