LEMON Manuals: Even more car manuals for everyone: 1960-2025
Home >> Saab >> 2003 >> 9-3 Vector, Automatic >> Repair and Diagnosis >> Engine Performance >> System >> TRIONIC T7 Fuel Control System >> Technical Description >> Control module power supply >> Notes
April 5, 2026: LEMON Manuals is launched! Read the announcement.

Control module power supply: Notes

Fig 1: Identifying Communication Flow - Control Module Power Supply
G03576896Courtesy of SAAB-SCANIA OF AMERICA, INC.
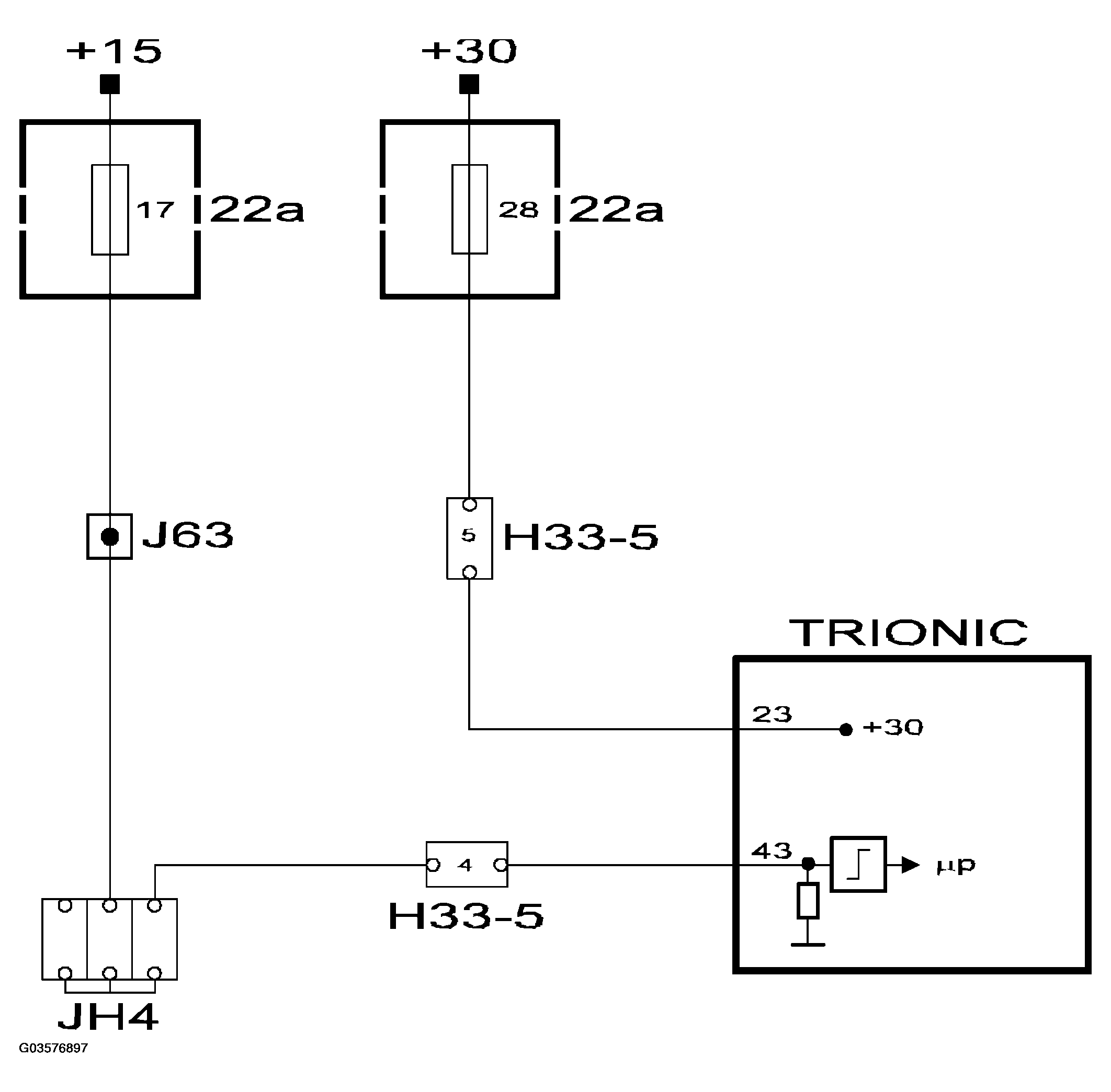
Fig 2: Control Module Power Supply Circuit Diagram
G03576897Courtesy of SAAB-SCANIA OF AMERICA, INC.