LEMON Manuals: Even more car manuals for everyone: 1960-2025
Home >> Saab >> 2003 >> 9-3 Vector, Automatic >> Repair and Diagnosis >> Engine Performance >> System >> TRIONIC T7 Fuel Control System >> Technical Description >> Ignition discharge module >> Notes
April 5, 2026: LEMON Manuals is launched! Read the announcement.

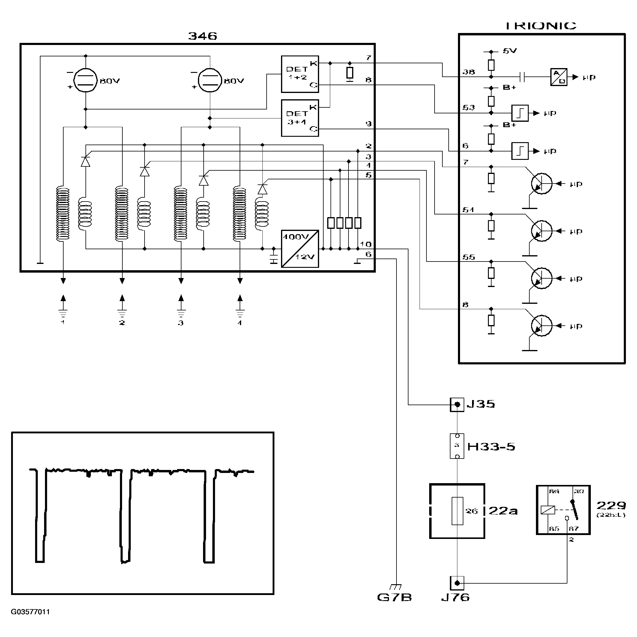
Ignition discharge module: Notes

Fig 1: Circuit Diagram - Ignition System
G03577011Courtesy of SAAB-SCANIA OF AMERICA, INC.