LEMON Manuals: Even more car manuals for everyone: 1960-2025
Home >> Saab >> 2004 >> 9-3 Linear, Automatic >> Repair and Diagnosis >> Engine Performance >> TRIONIC T8 Fuel Control System >> Technical Description >> Ionization Detection Module (740) >> Connection
April 5, 2026: LEMON Manuals is launched! Read the announcement.

Ionization Detection Module (740): Connection

PIN DESCRIPTION

Pin No. Signal type Description
1 Ignition trigger cylinder 4, in Synchronization of ionization current measurement for cylinder 4.
2 Ignition trigger cylinder 3, in Synchronization of ionization current measurement for cylinder 3.
3 Knock signal, out Knock signal, raw value to ECM.
4 Combustion signal 1, out Combustion signal, raw value to ECM.
5 n/c  
6 n/c  
7 Ionization signal 2, in Ionization signal from ignition coil cylinder 2.
8 Ionization signal 3, in Ionization signal from ignition coil cylinder 3.
9 Ignition trigger cylinder 1, in Synchronization of ionization current measurement for cylinder 1.
10 Ignition trigger cylinder 2, in Synchronization of ionization current measurement for cylinder 2.
11 Combustion signal 2, out Combustion signal, raw value to ECM.
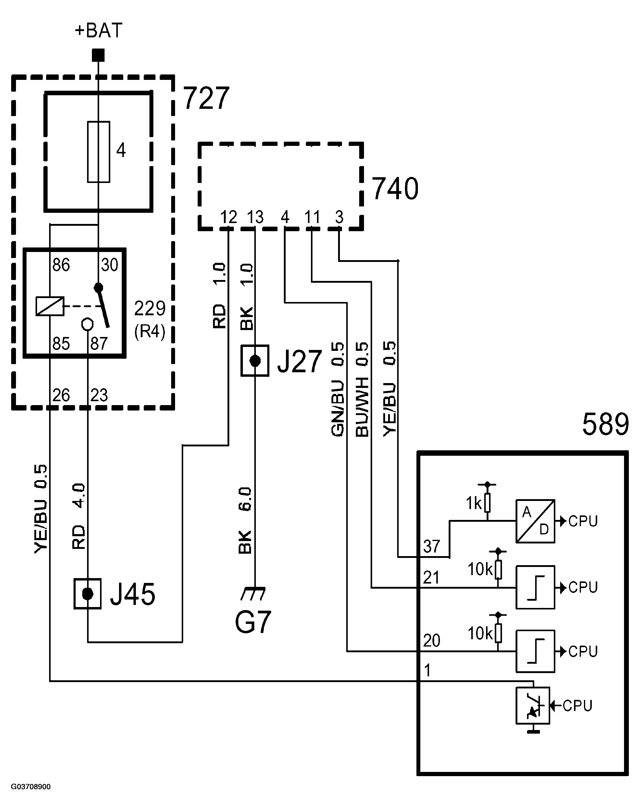
12 B+ Power supply B+ from main relay.
13 B- power supply B- from grounding point G7.
14 n/c  
15 Ionization signal 4, in Ionization signal from ignition coil cylinder 4.
16 Ionization signal 1, in Ionization signal from ignition coil cylinder 1.
Fig 1: Ionization Detection Module (740) Functional Diagram (1 Of 3)
G03708896Courtesy of SAAB-SCANIA OF AMERICA, INC.
Fig 2: Ionization Detection Module (740) Functional Diagram (2 Of 3)
G03708897Courtesy of SAAB-SCANIA OF AMERICA, INC.
Fig 3: Ionization Detection Module (740) Functional Diagram (3 Of 3)
G03708898Courtesy of SAAB-SCANIA OF AMERICA, INC.

CDM performs an initial processing of the ionization signal from each ignition coil. CDM generates a common knock signal from the ionization information of the four cylinders. This signal is used by ECM to evaluate engine knocks.

After the spark has been fired, ECM "listens" to the knock signal of each cylinder over a certain number of crankshaft degrees, known as "windows".

The ionization signal is band pass filtered to filter out the part of the signal containing knock information.

Knock information is characterized by "ringings" which are oscillations in the ionization signal. To obtain the combustion signal, the ionization signal passes a low-pass filter, where relatively slower oscillations pass through.

These ionization signal oscillations make up the part containing information on combustion quality.

Wiring diagram, ignition coils

Fig 4: Identifying Ignition Coils Wiring Diagram
G03708899Courtesy of SAAB-SCANIA OF AMERICA, INC.

Wiring diagram, power supply and communication

Fig 5: Identifying Power Supply And Communication Wiring Diagram
G03708900Courtesy of SAAB-SCANIA OF AMERICA, INC.