LEMON Manuals: Even more car manuals for everyone: 1960-2025
Home >> Saab >> 2004 >> 9-5 Linear, Standard >> Repair and Diagnosis >> Body & Frame >> Seats >> Technical Description >> PSM Control module >> Notes
April 5, 2026: LEMON Manuals is launched! Read the announcement.

PSM Control module: Notes

Fig 1: Identifying PSM Control Module
G03746954Courtesy of SAAB-SCANIA OF AMERICA, INC.
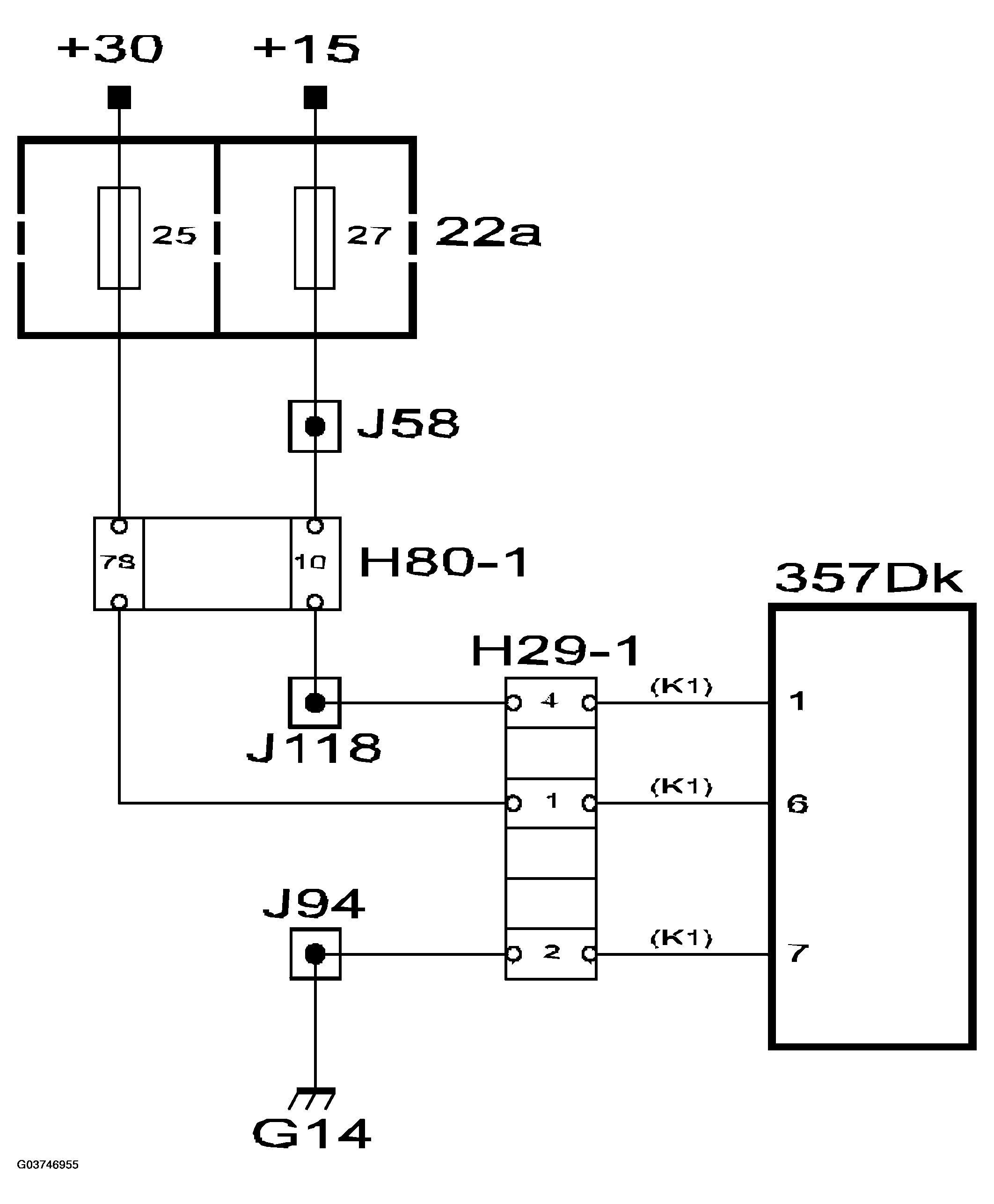
Fig 2: Circuit Diagram - PSM Control Module
G03746955Courtesy of SAAB-SCANIA OF AMERICA, INC.

The PSM control module is located on a bracket under the driver's seat and has three connectors: K1, K2 and K3.

Motors with Hall sensors and switches are powered from the control module.

The control module controls the following functions:

The driver's seat is adjusted and the settings stored when the ignition is ON (+15 and +54) or when one of the front doors is open. The information on +54 is received by PSM via the bus from DICE, and the information on front door open/closed from TWICE.

When the ignition is OFF and one of the front doors is open, the seat can be adjusted for 20 minutes. If the door is closed and then opened again, a further period of 20 minutes begins.

The driver's seat can also be operated for 30 seconds after the door has been closed with the ignition OFF.

When the motors are running, the control module monitors the power consumption of each motor and counts the pulses from the Hall sensors between the different seat movements. The Hall sensors are mounted in the motor concerned and are connected across pins 3 and 4. The memory settings are stored in a non-volatile memory and are retained even when the power to the control module is turned off.