LEMON Manuals: Even more car manuals for everyone: 1960-2025
Home >> Saab >> 2005 >> 9-3 Linear, 2D Convertible, Automatic >> Repair and Diagnosis >> Brakes >> Anti-Lock/Traction Control >> Technical description >> TCS/ESP, detailed description >> TCS function >> TCS modulation >> Notes
April 5, 2026: LEMON Manuals is launched! Read the announcement.

TCS modulation: Notes

Since TCS modulation braking occurs without depression of the brake pedal, the hydraulic unit must build up and modulate the pressure to the driven wheel which is to be braked if it develops wheelspin in excess of the permitted limit.

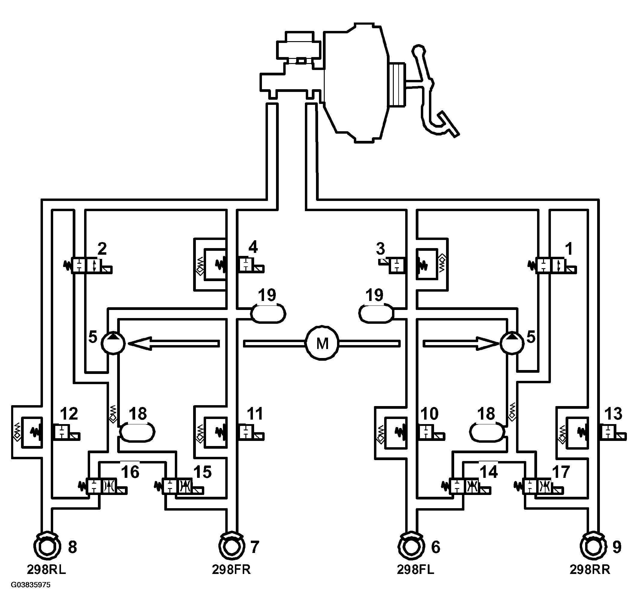
Fig 1: TCS Modulation Diagram
G03835975Courtesy of SAAB-SCANIA OF AMERICA, INC.
  1. Pressure Increase Valve Front Left 
  2. Pressure Increase Valve 
  3. Pressure Relief Valve Left Front 
  4. Pressure Relief Valve Front Right 
  5. Pump 
  6. Wheel sensor, FL 
  7. Wheel sensor, FR 
  8. Wheel sensor, RL 
  9. Wheel sensor, RR 
  10. Inlet valve, FL (ABS) 
  11. Inlet valve, FR (ABS) 
  12. Inlet valve, RL (ABS) 
  13. Inlet valve, RR (ABS) 
  14. Outlet valve, FL (ABS) 
  15. Outlet valve, FR (ABS) 
  16. Outlet valve, RL (ABS) 
  17. Outlet valve, RR (ABS) 
  18. Accumulator chamber 
  19. Pressure chamber