LEMON Manuals: Even more car manuals for everyone: 1960-2025
Home >> Saab >> 2005 >> 9-3 Linear, 2D Convertible, Automatic >> Repair and Diagnosis >> Engine Performance >> TRIONIC T8 Fuel Control System >> Technical description >> Ventilation >> Notes
April 5, 2026: LEMON Manuals is launched! Read the announcement.

Technical description: Ventilation: Notes

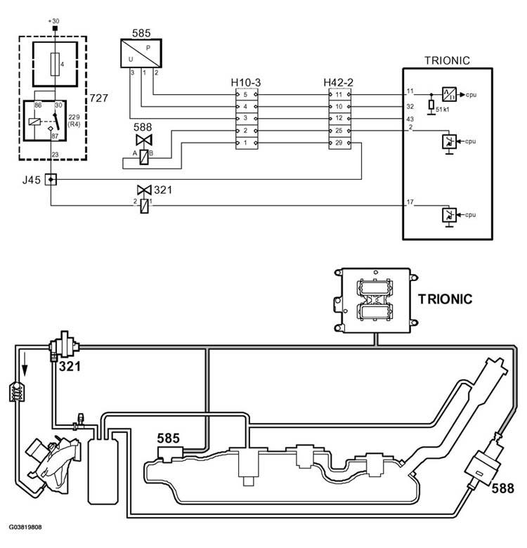
Fig 1: Identifying Circuit Diagram
G03819808Courtesy of SAAB-SCANIA OF AMERICA, INC.

The illustration shows the system with vapor recovery (ORVR) and tank leak diagnosis.

The fuel which evaporates in the tank is passed through a pipe to the evaporative emission canister. The active charcoal in the canister absorbs the hydrocarbon vapors. When the engine starts, ambient air is drawn through the canister via the purge valve and a check valve into the intake manifold. The petrol vapors follow and are burned in the engine.

In currentless state, the purge valve is closed. It is supplied from the main relay and controlled with a 16 Hz PWM from control module pin 17(B). For tank leak diagnosis however the frequency is 8 Hz.

Fig 2: Identifying Sensor
G03819809Courtesy of SAAB-SCANIA OF AMERICA, INC.

The flow is regulated by the pulse conditions so that is always constitutes a particular proportion of the total flow consumed by the engine.

If the air/fuel ratio of the flow differs from 14.7:1, the closed loop system is affected. However it is not the task of the closed loop system to correct for purge surplus and therefore the purge has a correction factor which is influenced by the closed loop system as soon as the purge begins. The entire lambda control deviation from 1.00 is moved to the purge correction factor, which means that the lambda control fluctuates around 1.00 (0%) even if the purge contains large quantities of hydrocarbon or consists of pure air.

When the purge is not active, a factor of 1.00 is used and the entire fuel error corrected by the closed loop system and the multiplicative and additive adaptation.

The limit value for purge adaptation is 0.75 or 1.25.

The following conditions should be fulfilled for the purge to be engaged:

The function is active throughout the drive cycle and reduces the risk of valve noise. The valve leaks more when cold.

Diagnosis tool shows 25% when the correction factor is 1.25 and -25% when the correction factor is 0.75.

Fig 3: Identifying EVAP Canister
G03819810Courtesy of SAAB-SCANIA OF AMERICA, INC.