LEMON Manuals: Even more car manuals for everyone: 1960-2025
Home >> Saab >> 2005 >> 9-5 Linear, Automatic >> Repair and Diagnosis >> Brakes >> Traction Control >> Stabilizer System >> Technical description >> Brake Light Switch >> Notes
April 5, 2026: LEMON Manuals is launched! Read the announcement.

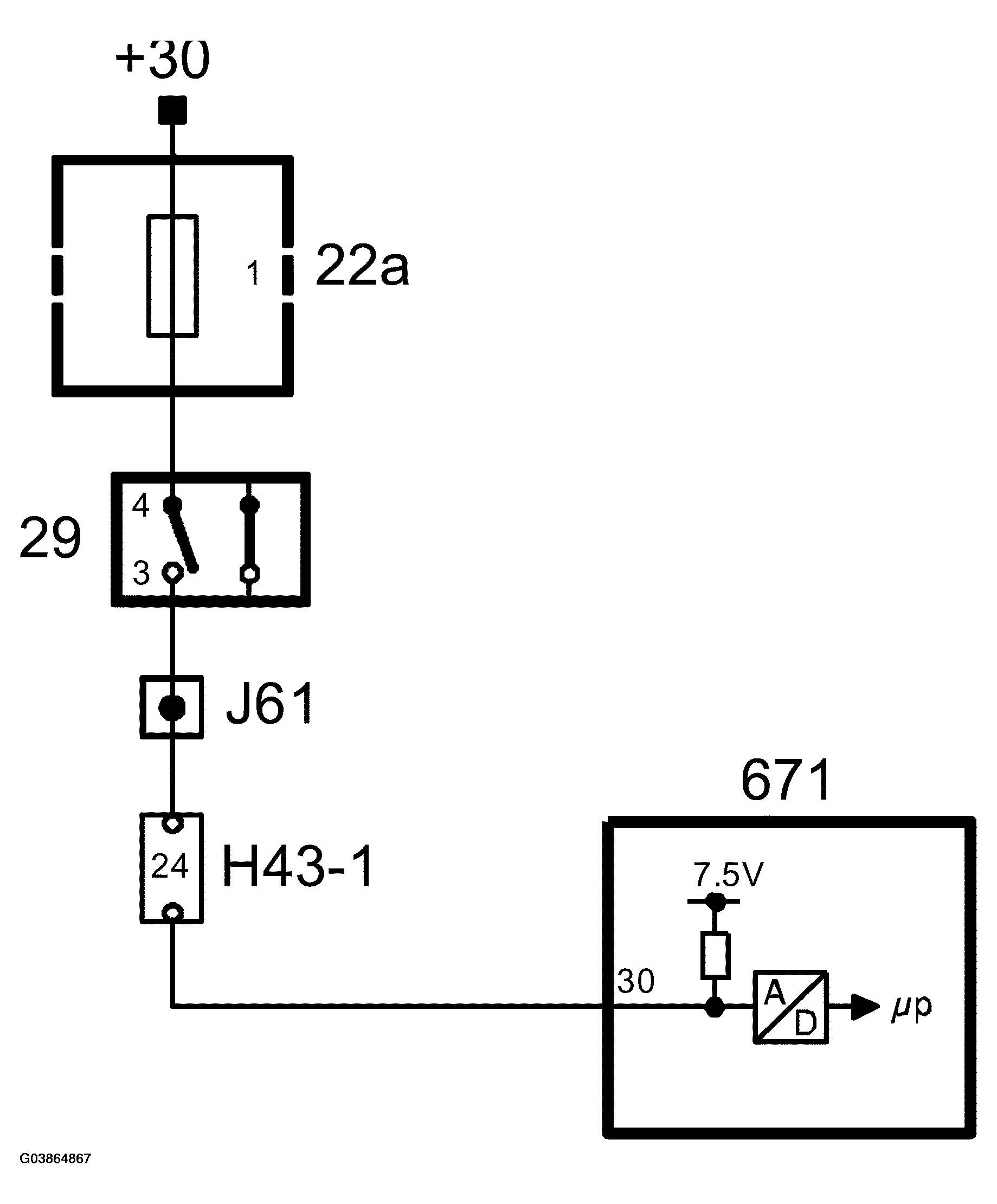
Brake Light Switch: Notes

The control module receives voltage on pin 30 from the brake light switch when the brake pedal is depressed.

The control module uses information on brake light switch status (ON/OFF):