LEMON Manuals: Even more car manuals for everyone: 1960-2025
Home >> Saab >> 2006 >> 9-2X F4-2.5L >> Repair and Diagnosis >> Restraints and Safety Systems >> Air Bag Systems >> Air Bag Control Module >> Testing and Inspection >> Airbag Control Module I/O Signal
April 5, 2026: LEMON Manuals is launched! Read the announcement.

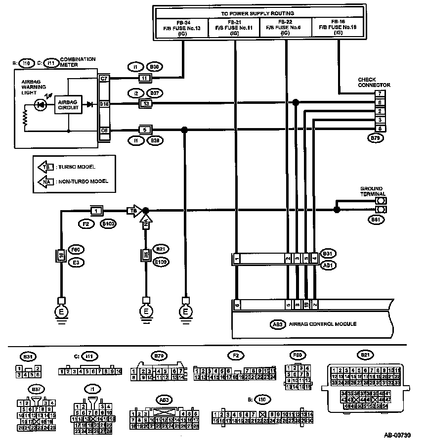
Airbag Control Module I/O Signal

Wiring Diagram:



Wiring Diagram:



Wiring Diagram: