LEMON Manuals: Even more car manuals for everyone: 1960-2025
Home >> Saab >> 2010 >> 9-5 >> Repair and Diagnosis >> Body & Frame >> Seats >> Wiring diagram >> Module Power, Ground, Serial Data, and Controls >> Notes
April 5, 2026: LEMON Manuals is launched! Read the announcement.

Module Power, Ground, Serial Data, and Controls: Notes

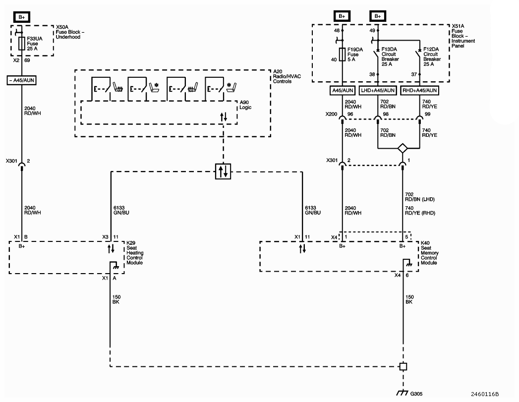
Fig 1: Module Power, Ground, Serial Data And Controls - Circuit Diagram
G09438152Courtesy of SAAB-SCANIA OF AMERICA, INC.