LEMON Manuals: Even more car manuals for everyone: 1960-2025
Home >> Saab >> 2011 >> 9-3X Automatic >> Repair and Diagnosis >> Engine Performance >> TRIONIC T8 Fuel Control System >> Component Locator >> Crimp J40, engine harness, Trionic >> Notes
April 5, 2026: LEMON Manuals is launched! Read the announcement.

Crimp J40, engine harness, Trionic: Notes

Location:  Approximately 190 mm from crankshaft position sensor branching point towards the engine control module

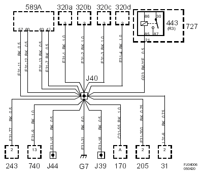
Fig 1: Crimp J40, Engine Harness, Trionic - Circuit Diagram
G06230636Courtesy of SAAB-SCANIA OF AMERICA, INC.


Location:  Approximately 190 mm from crankshaft position sensor branching point towards the engine control module

Fig 1: Crimp J40, Engine Harness, Trionic - Circuit Diagram
G06230749Courtesy of SAAB-SCANIA OF AMERICA, INC.