LEMON Manuals: Even more car manuals for everyone: 1960-2025
Home >> Saturn >> 2002 >> L100 L4-2.2L VIN F >> Repair and Diagnosis >> Diagrams >> Exploded Views >> Manual Transmission/Transaxle
April 5, 2026: LEMON Manuals is launched! Read the announcement.

Manual Transmission/Transaxle

EXPLODED VIEWS DIAGNOSTICS








TRANSAXLE CASE AND CLUTCH HOUSING








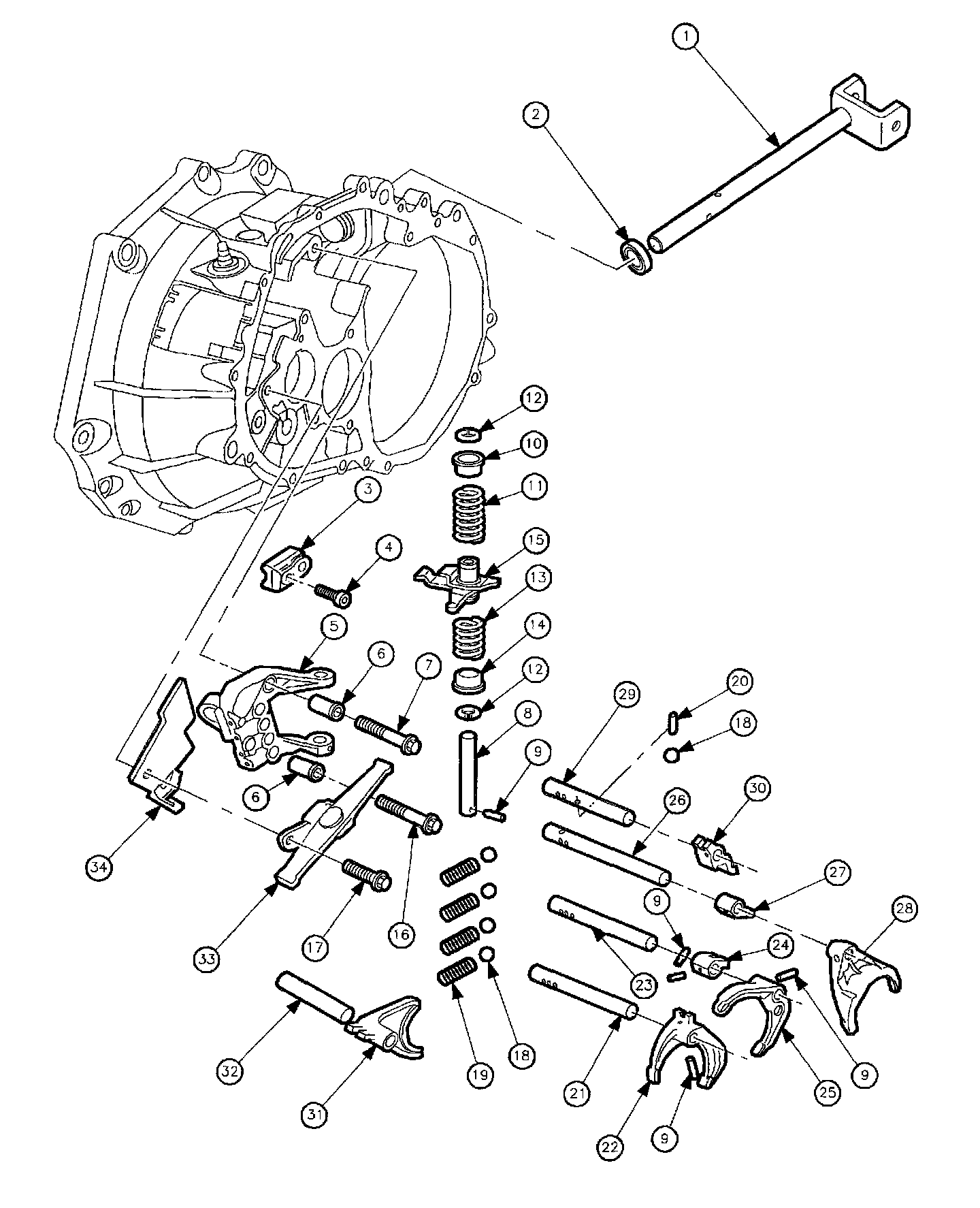
INTERNAL SHIFT MECHANISM











INPUT AND OUTPUT SHAFT COMPONENTS





DIFFERENTIAL ASSEMBLY COMPONENTS