LEMON Manuals: Even more car manuals for everyone: 1960-2025
Home >> Saturn >> 2004 >> ION L4-2.0L SC VIN P >> Repair and Diagnosis >> Powertrain Management >> Computers and Control Systems >> Description and Operation >> Boost Control System
April 5, 2026: LEMON Manuals is launched! Read the announcement.

Boost Control System

BOOST CONTROL SYSTEM DESCRIPTION

BOOST CONTROL SYSTEM OPERATION

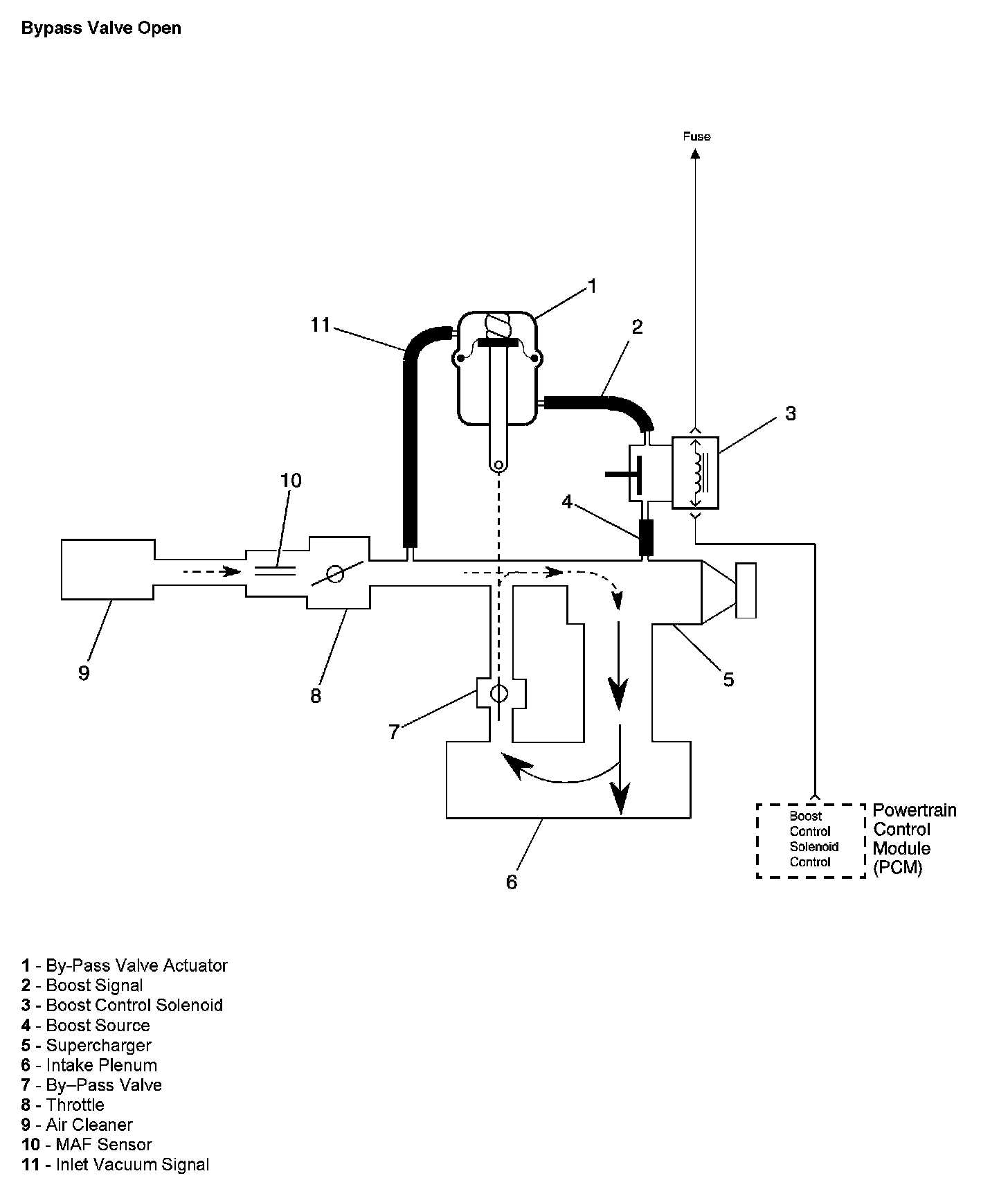
Bypass Valve Open:




Bypass Valve Open

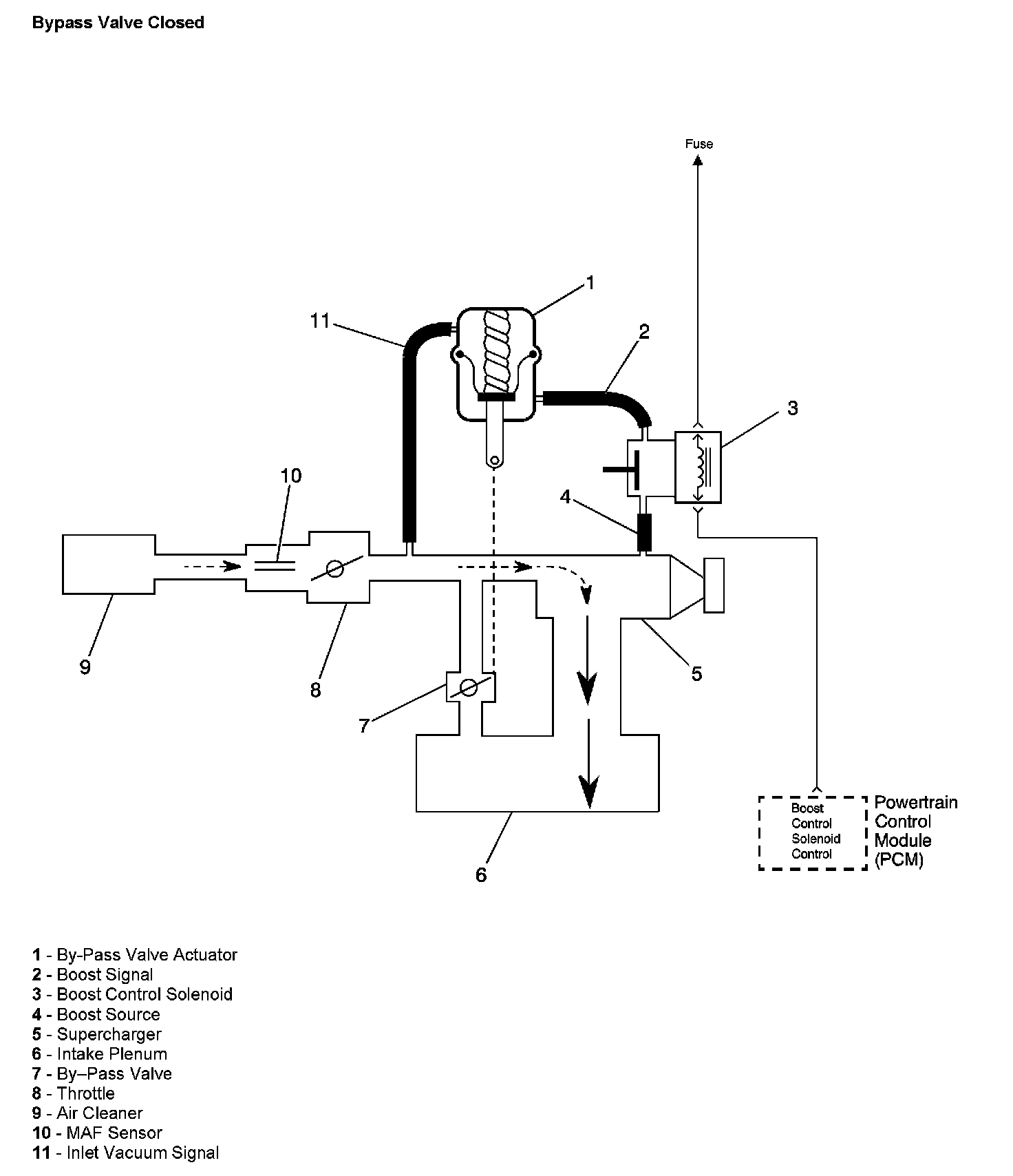
Bypass Valve Closed:




Bypass Valve Closed

Operation
Supercharger boost pressure is regulated to prevent engine and drive train damage. When the engine is operating under high boost conditions, the powertrain control module (PCM) limits boost pressure to 9 psi. The PCM disables boost under the following conditions:
- When reverse gear is selected
- When the engine coolant temperature is excessively high
- When drivetrain abuse is detected

The PCM controls boost pressure by using the boost control solenoid. The boost control solenoid is normally an open valve. Under most conditions, the PCM commands the boost control solenoid to operate at a 100 percent duty cycle. This keeps the solenoid valve closed and allows only inlet vacuum to control the position of the bypass valve. At idle, engine vacuum is applied to the upper side of the bypass valve actuator, counteracting spring tension to hold the bypass valve open. As engine load is increased, engine vacuum is decreased, causing the spring in the bypass valve actuator to overcome the applied vacuum, closing the bypass valve and allowing the boost pressure to increase. The bypass valve starts to close when the vacuum measures 250 mm Hg (10 in Hg) and is fully closed at 90 mm Hg (3.5 in Hg). When reduced boost pressure is desired, the PCM commands the boost control solenoid to operate at a 0 percent duty cycle. This opens the solenoid valve and allows boost pressure to enter the bypass valve actuator at the lower side to counteract the spring tension, opening the bypass valve and recirculating excess boost pressure back into the supercharger inlet.

Results Of Incorrect Operation
An open boost control solenoid control circuit, an open ignition 1 circuit, or boost control solenoid valve stuck open will cause reduced engine power, especially during wide open throttle operation.

The boost control solenoid control circuit shorted to ground, boost control solenoid valve stuck closed or a restriction in the boost source or signal hoses will cause full boost to be commanded at all times and a possible overboost condition during high engine load situations.

A restriction in the vacuum signal hose to the bypass valve actuator or a stuck closed bypass valve will cause a rough idle and reduced fuel economy.