LEMON Manuals: Even more car manuals for everyone: 1960-2025
Home >> Saturn >> 2004 >> ION L4-2.0L SC VIN P >> Repair and Diagnosis >> Powertrain Management >> Ignition System >> Testing and Inspection
April 5, 2026: LEMON Manuals is launched! Read the announcement.

Ignition System: Testing and Inspection

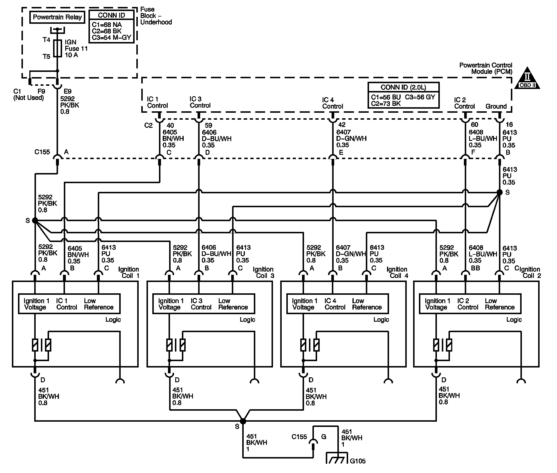
ELECTRONIC IGNITION (EI) SYSTEM DIAGNOSIS

CIRCUIT DESCRIPTION




Each ignition coil/module has the following circuits:
- An ignition voltage circuit
- A ground
- An ignition control (IC) circuit
- A low reference circuit

The PCM controls the individual coils by transmitting timing pulses on the IC circuit of each ignition coil/module to enable a spark event.

The spark plugs are connected to each coil by a short boot. The boot contains a spring that conducts the spark energy from the coil to the spark plug. The spark plug electrode is tipped with platinum for long wear and higher efficiency.

TEST

Steps 1-11:




Steps 12-14: