LEMON Manuals: Even more car manuals for everyone: 1960-2025
Home >> Saturn >> 2005 >> Relay AWD >> Repair and Diagnosis >> External Pages >> Different car >> Section 39 (Engine Cooling System) >> Component Locator >> Cooling System Component Views
April 5, 2026: LEMON Manuals is launched! Read the announcement.

Cooling System Component Views

WARNING: This page is about a different car, the 2005 Chevrolet Malibu. However, it is still accessible from the selected car via links, so may be relevant.
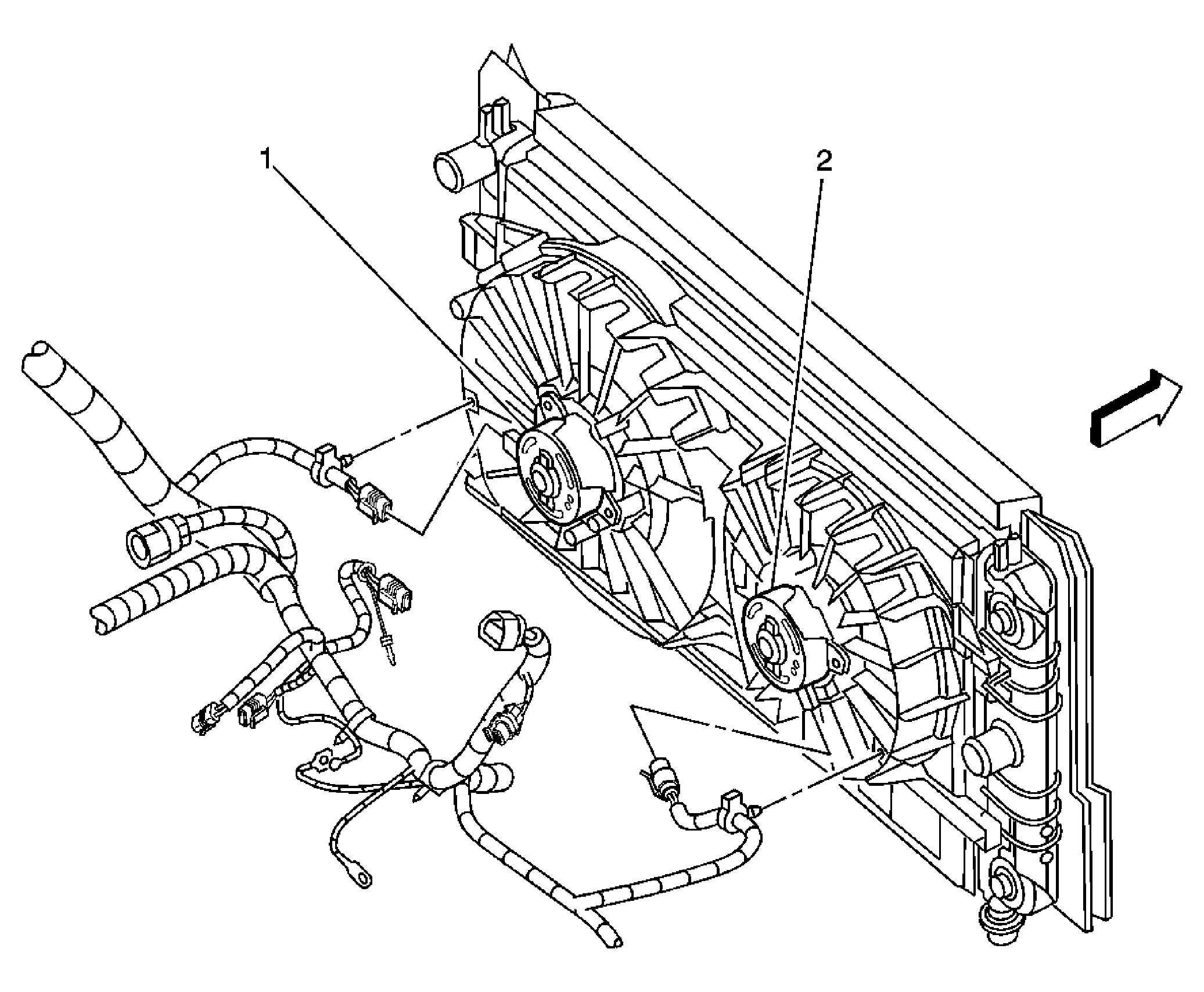
Fig 1: Front of Engine Compartment Component Views
GM1265615Courtesy of GENERAL MOTORS CORP.
Callout Component Name
1 Cooling Fan - Left
2 Cooling Fan - Right
Fig 2: Power and Grounding Component Views - Left Rear of Engine Compartment
GM1264030Courtesy of GENERAL MOTORS CORP.
Callout Component Name
1 Coolant Level Switch
2 Battery
3 Electronic Brake Control Module (EBCM)
4 C101
5 G103
6 Fuse Block - Underhood
7 Powertrain Control Module (PCM)
8 Powertrain Control Module (PCM), C3
9 Powertrain Control Module (PCM), C2
10 Powertrain Control Module (PCM), C1