LEMON Manuals: Even more car manuals for everyone: 1960-2025
Home >> Saturn >> 2005 >> Vue Base, 2.2 D, AWD >> Repair and Diagnosis >> Engine Performance >> System >> Engine Controls - 2.2L (L61) Introduction >> Schematic and Routing Diagrams >> Engine Controls Schematics
April 5, 2026: LEMON Manuals is launched! Read the announcement.

Engine Controls Schematics

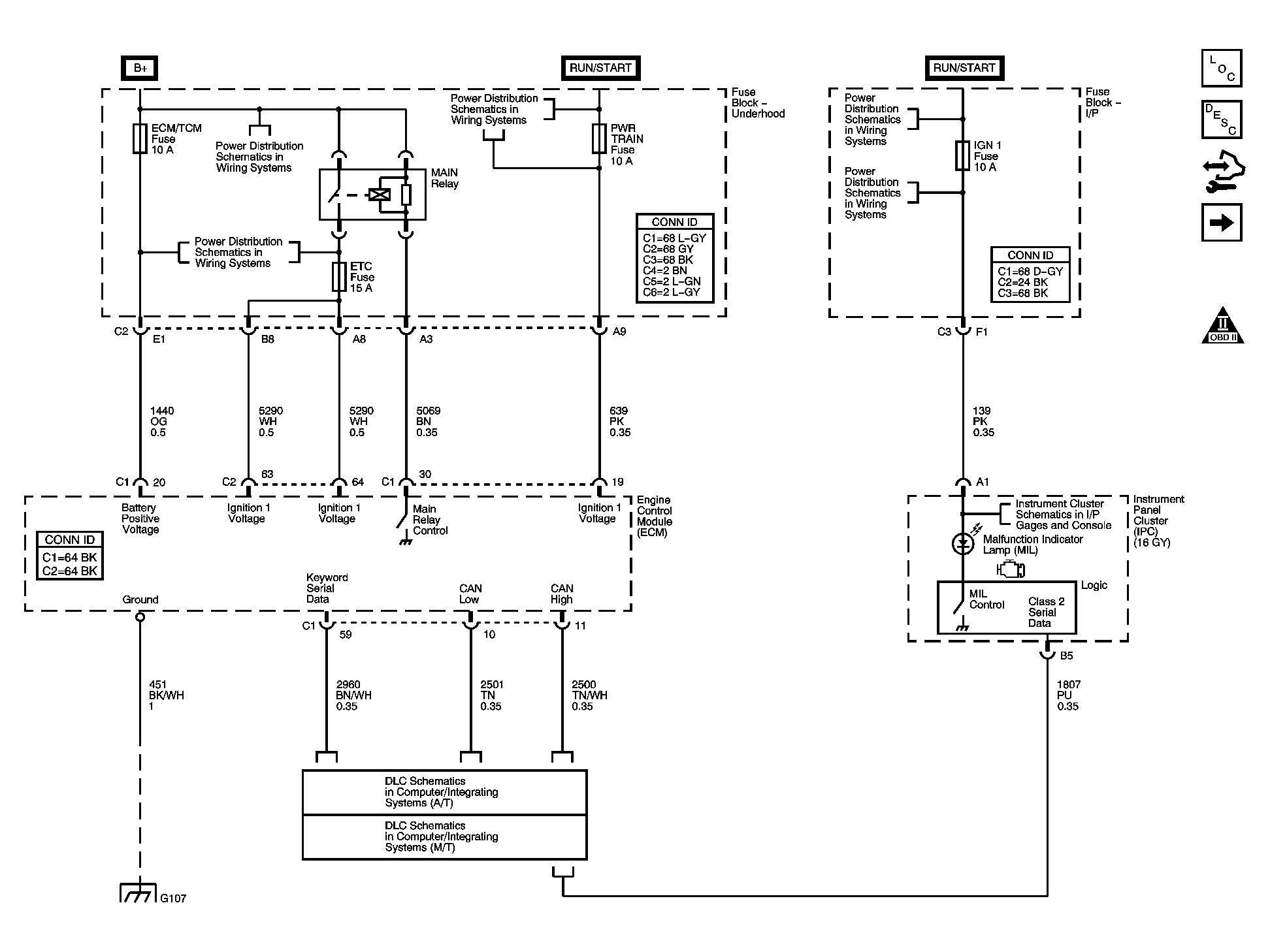
Fig 1: Power, Ground, MIL and Communication
GM1503619Courtesy of GENERAL MOTORS CORP.
Fig 2: Engine Data Sensors - 5-Volt and Low References
GM1503622Courtesy of GENERAL MOTORS CORP.
Fig 3: Engine Data Sensors - Pressure, Temperature and Electronic Throttle Controls
GM1503621Courtesy of GENERAL MOTORS CORP.
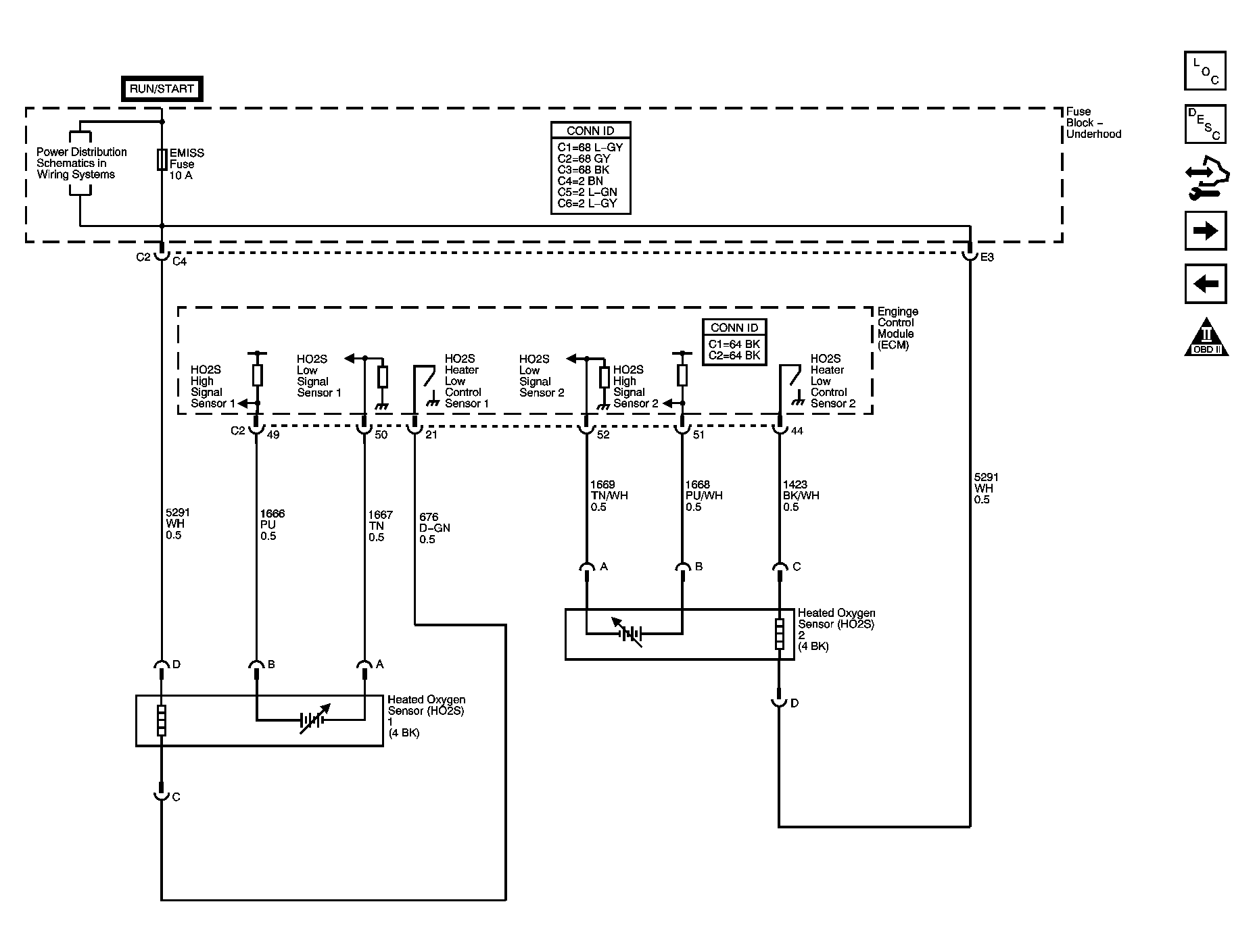
Fig 4: Engine Data Sensors - Oxygen Sensors
GM1503627Courtesy of GENERAL MOTORS CORP.
Fig 5: Engine Data Sensors - Ignition Controls
GM1503624Courtesy of GENERAL MOTORS CORP.
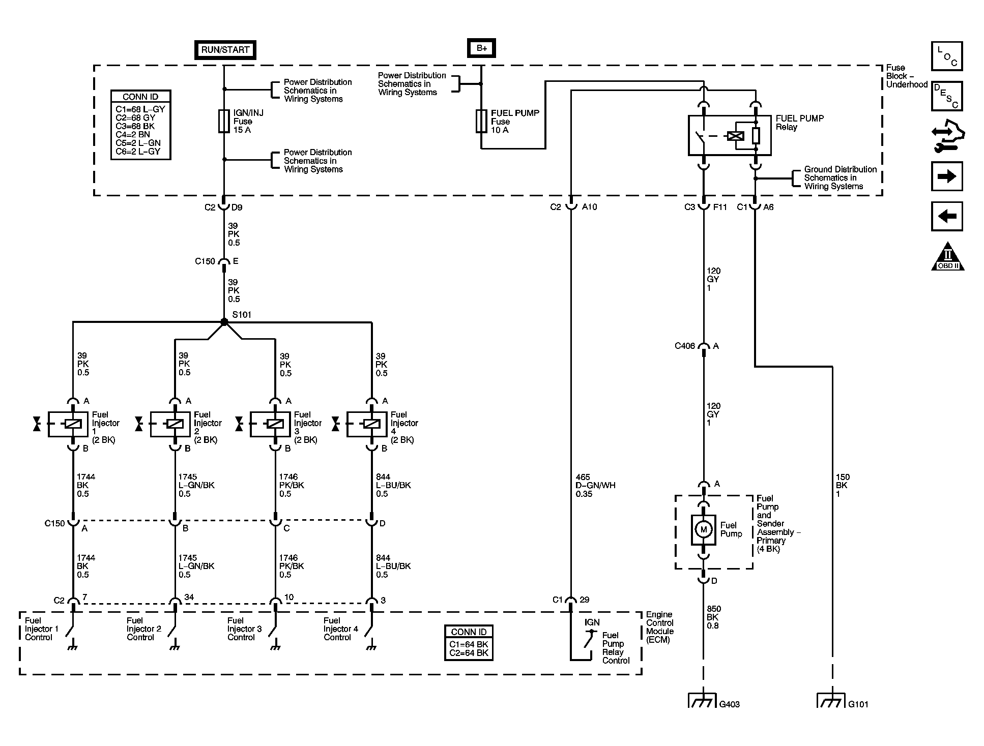
Fig 6: Fuel Controls - Fuel Pump and Injectors
GM1503630Courtesy of GENERAL MOTORS CORP.
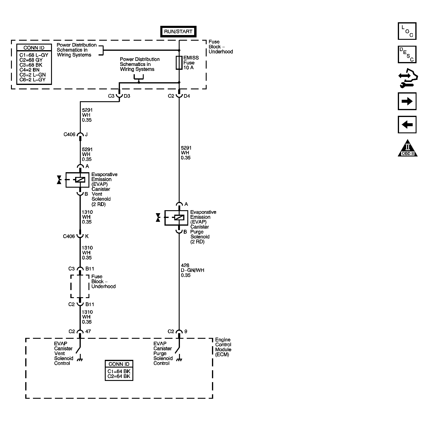
Fig 7: Fuel Controls - EVAP Controls
GM1503631Courtesy of GENERAL MOTORS CORP.
Fig 8: Controlled/Monitored Subsystem References
GM1503633Courtesy of GENERAL MOTORS CORP.