LEMON Manuals: Even more car manuals for everyone: 1960-2025
Home >> Saturn >> 2006 >> ION L4-2.4L VIN B >> Repair and Diagnosis >> Powertrain Management >> Computers and Control Systems >> Relays and Modules - Computers and Control Systems >> Body Control Module >> Diagrams >> Electrical Diagrams >> Retained Accessory Power (RAP) Diagrams
April 5, 2026: LEMON Manuals is launched! Read the announcement.

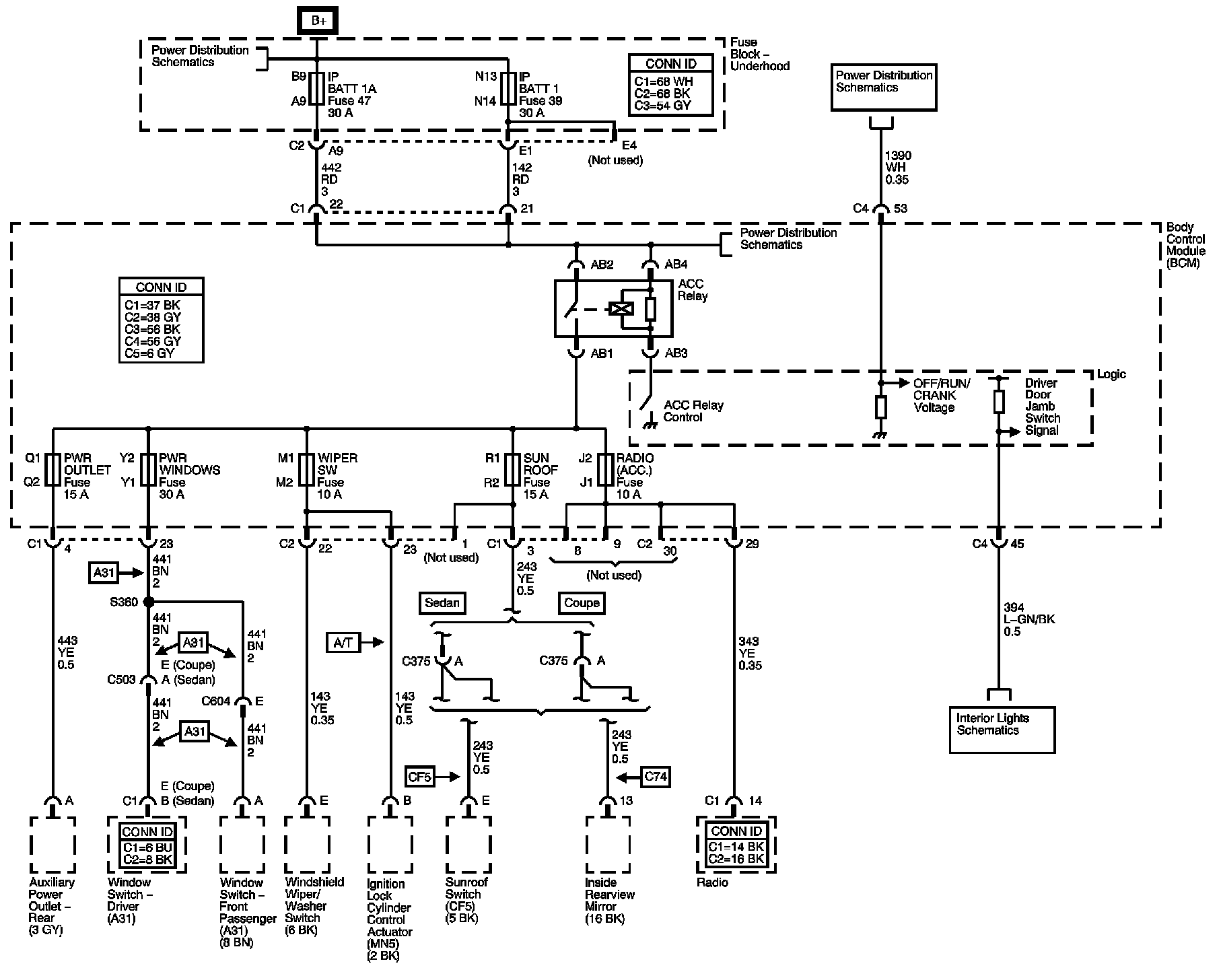
Retained Accessory Power (RAP) Diagrams



Retained Accessory Power (RAP) Schematics