LEMON Manuals: Even more car manuals for everyone: 1960-2025
Home >> Saturn >> 2007 >> Relay 3.9 1 >> Repair and Diagnosis >> External Pages >> Different car >> Section 16 (Cellular System, Entertainment System, And Navigation System) >> Schematic and Routing Diagrams >> OnStar Schematics
April 5, 2026: LEMON Manuals is launched! Read the announcement.

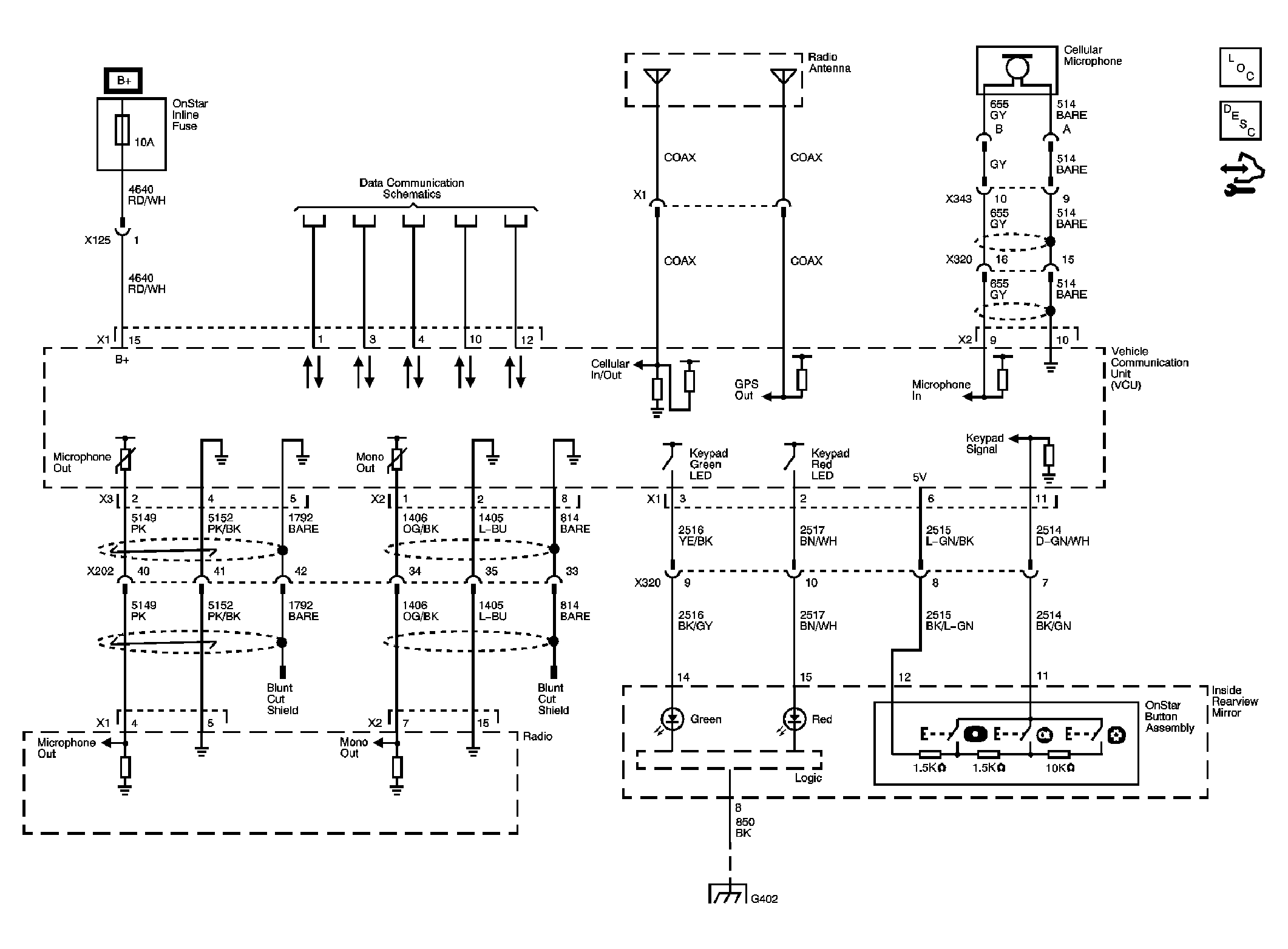
OnStar Schematics

WARNING: This page is about a different car, the 2007 Saturn Outlook. However, it is still accessible from the selected car via links, so may be relevant.
Fig 1: UE1 Schematic
GM1844223Courtesy of GENERAL MOTORS CORP.