LEMON Manuals: Even more car manuals for everyone: 1960-2025
Home >> Saturn >> 2007 >> Relay 3.9 W >> Repair and Diagnosis >> External Pages >> Different car >> Section 16 (Cellular System, Entertainment System, And Navigation System) >> Schematic and Routing Diagrams >> Radio/Navigation System Schematics
April 5, 2026: LEMON Manuals is launched! Read the announcement.

Radio/Navigation System Schematics

WARNING: This page is about a different car, the 2007 Saturn Outlook. However, it is still accessible from the selected car via links, so may be relevant.
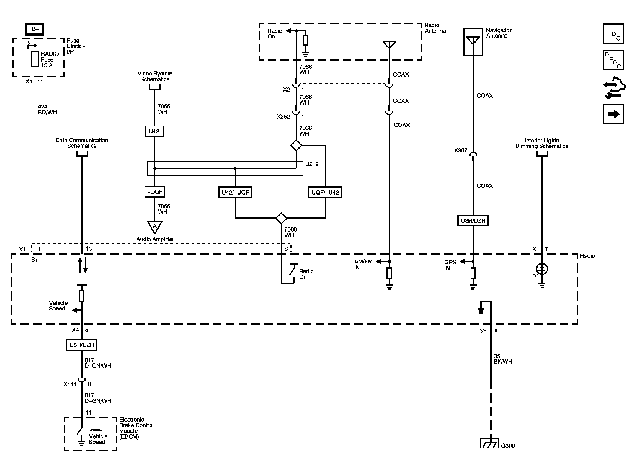
Fig 1: Radio Antennas, Data Communication, Lighting, Power & Vehicle Speed Signal Schematic
GM1844210Courtesy of GENERAL MOTORS CORP.
Fig 2: Audio Amplifier Power, Ground & All Audio Inputs - UQG, Front & Rear Audio Inputs Schematic - UQA/UQS
GM1844211Courtesy of GENERAL MOTORS CORP.
Fig 3: Audio Amplifier Power, Ground and All Audio Inputs - UQG+UK6, Front & Rear Audio Inputs Schematic - UQA/UQS+UK6
GM1844212Courtesy of GENERAL MOTORS CORP.
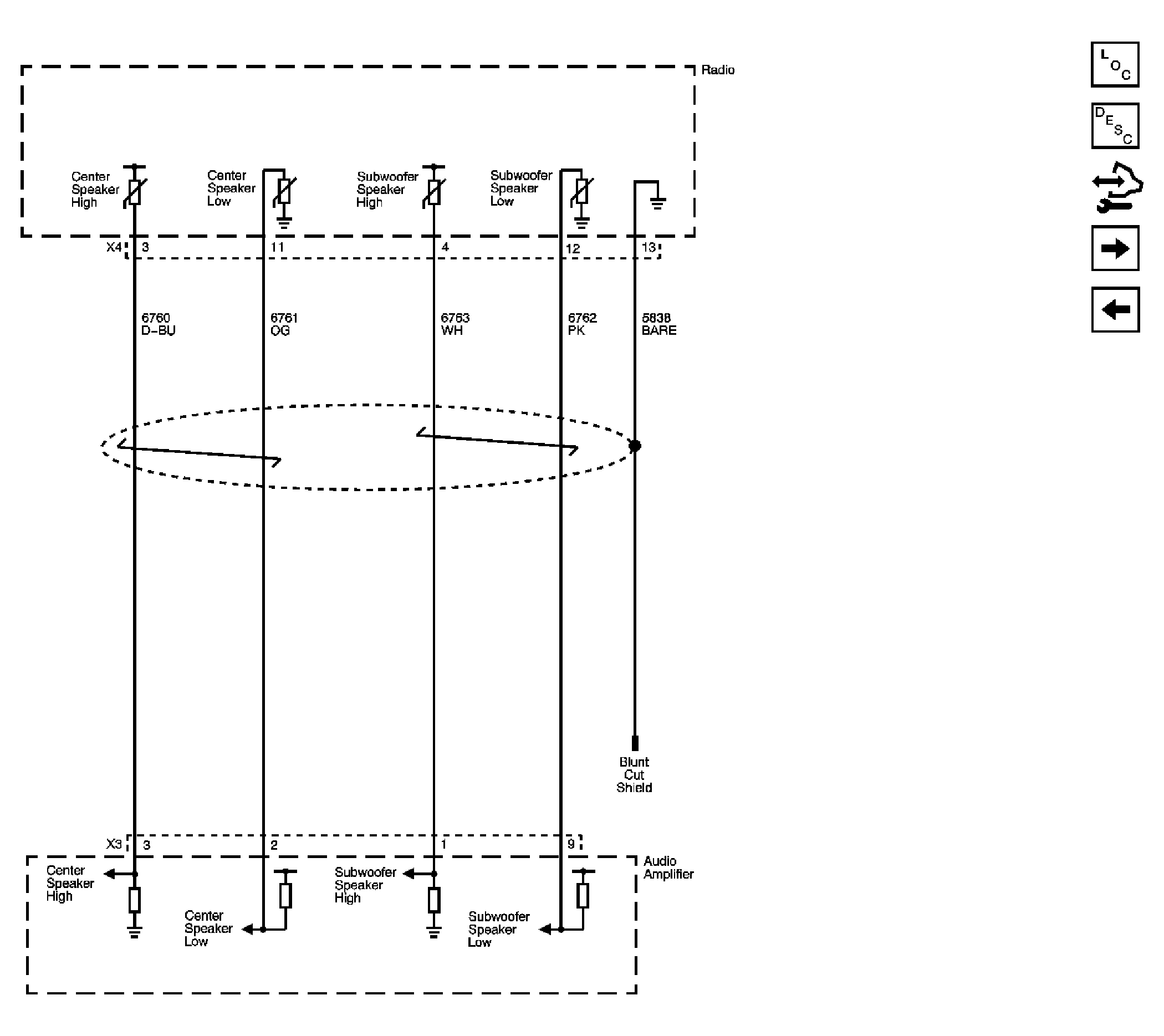
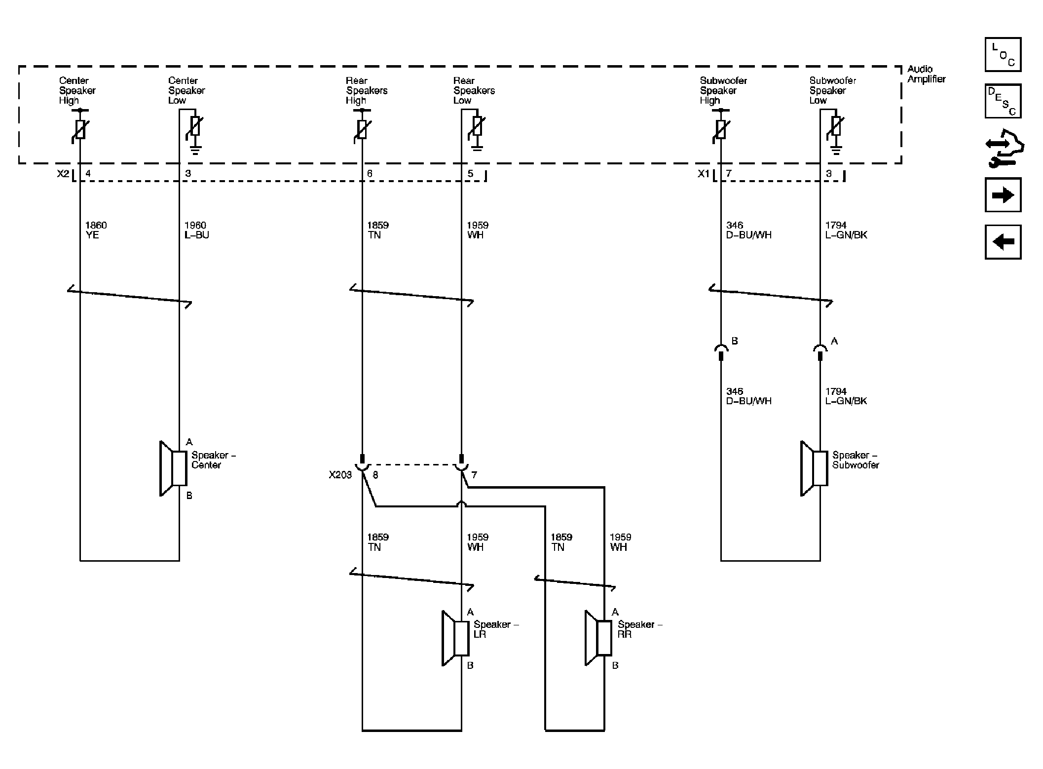
Fig 4: Audio Amplifier Center & Subwoofer Audio Inputs Schematic - UGA/UQS
GM1844213Courtesy of GENERAL MOTORS CORP.
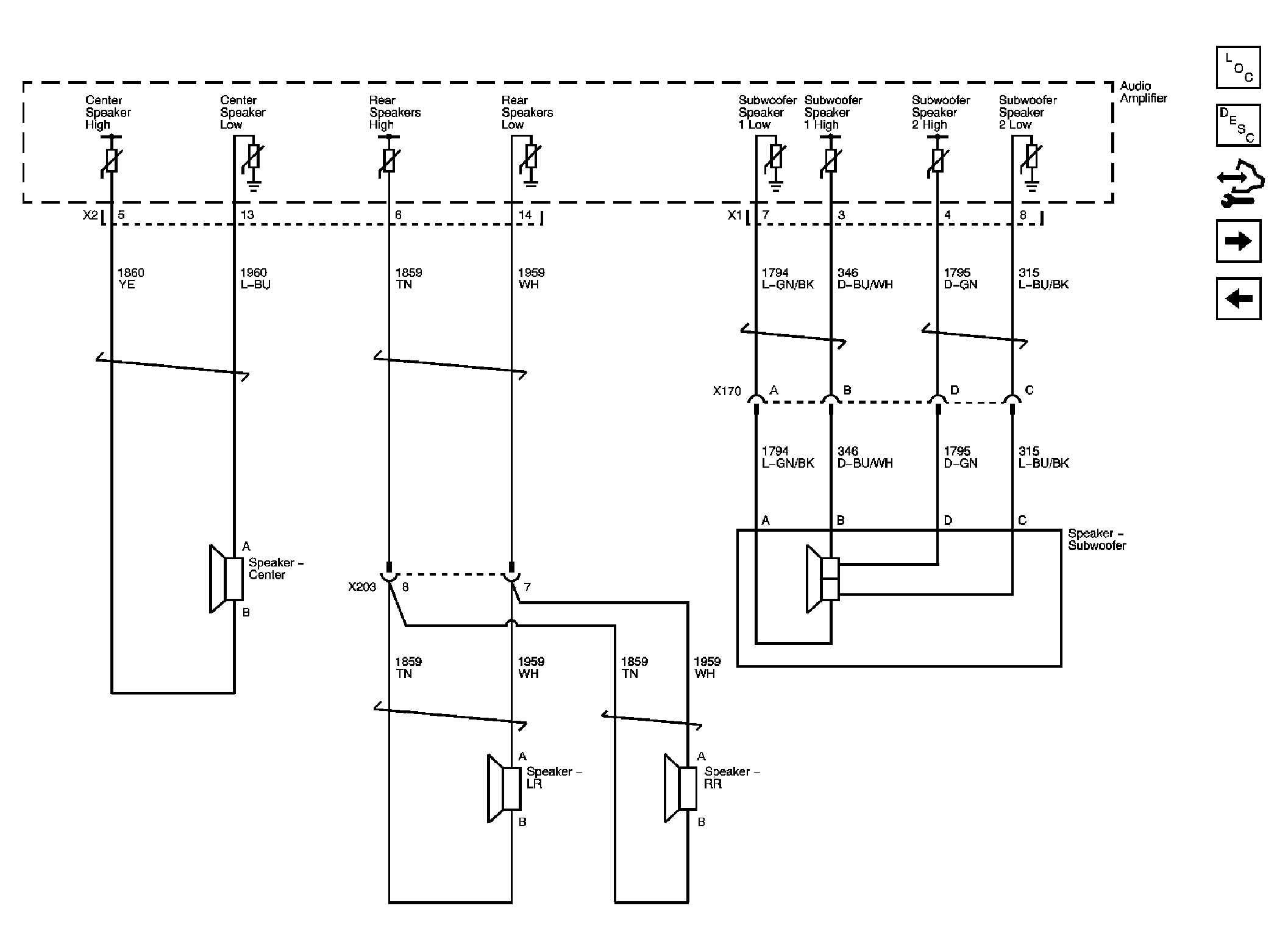
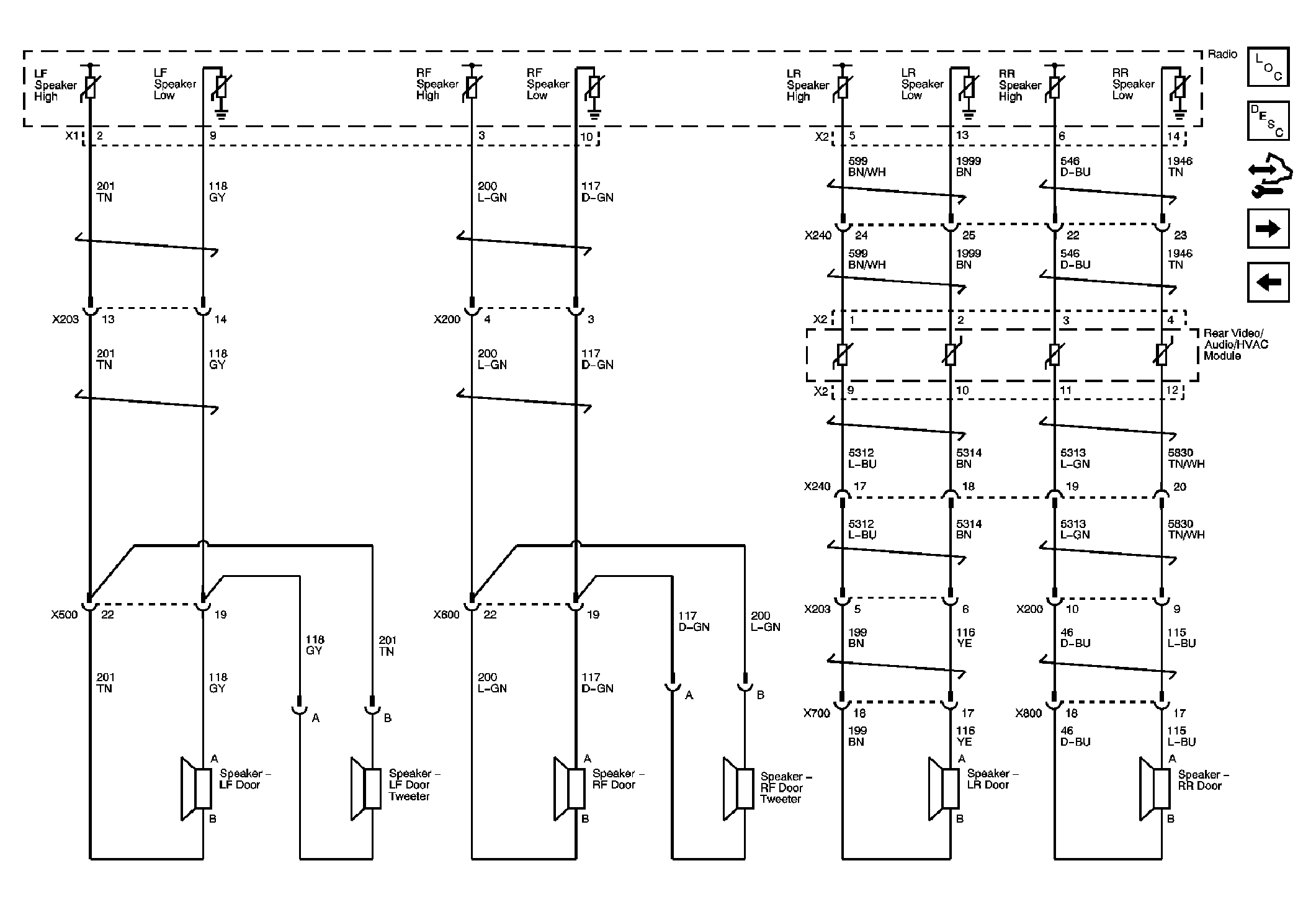
Fig 5: Speakers Schematic - UQF
GM1844214Courtesy of GENERAL MOTORS CORP.
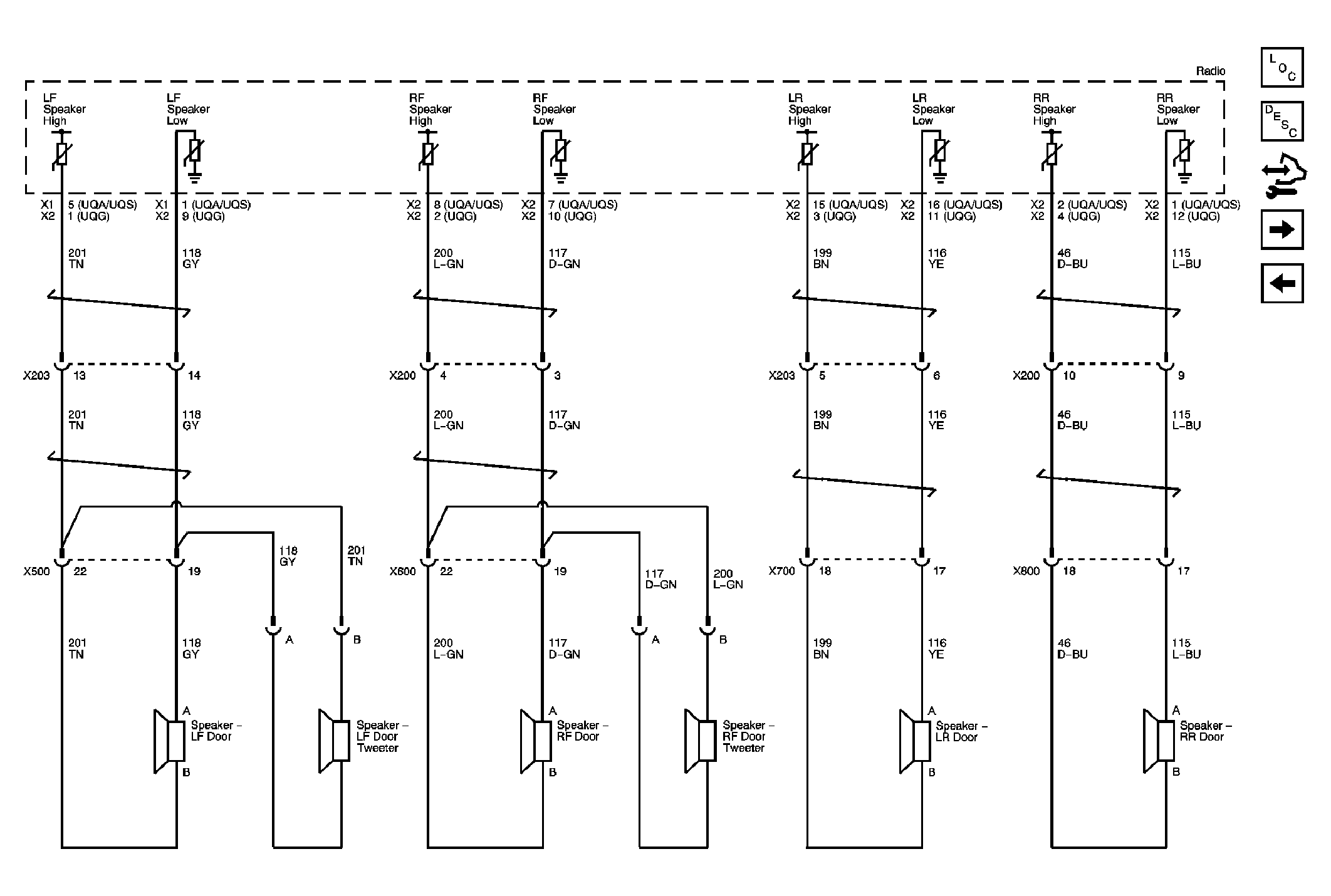
Fig 6: Speakers Schematic - UQF+UK6
GM1844215Courtesy of GENERAL MOTORS CORP.
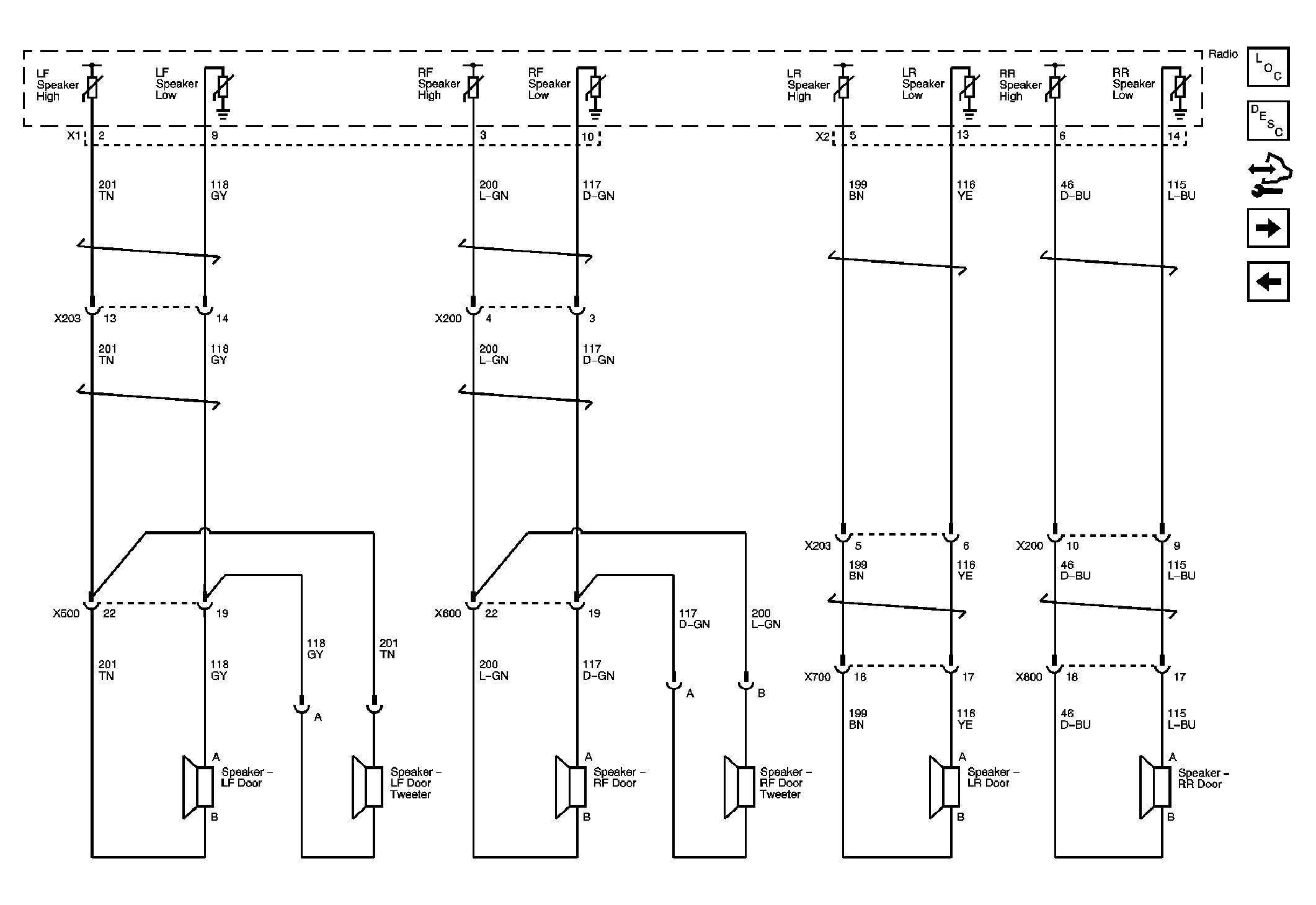
Fig 7: Door Speakers Schematic - UQA/UQG/UGS
GM1844216Courtesy of GENERAL MOTORS CORP.
Fig 8: Except Door Speakers Schematic - UQA/UQS
GM1844217Courtesy of GENERAL MOTORS CORP.
Fig 9: Except Door Speakers Schematic - UQG
GM1844218Courtesy of GENERAL MOTORS CORP.
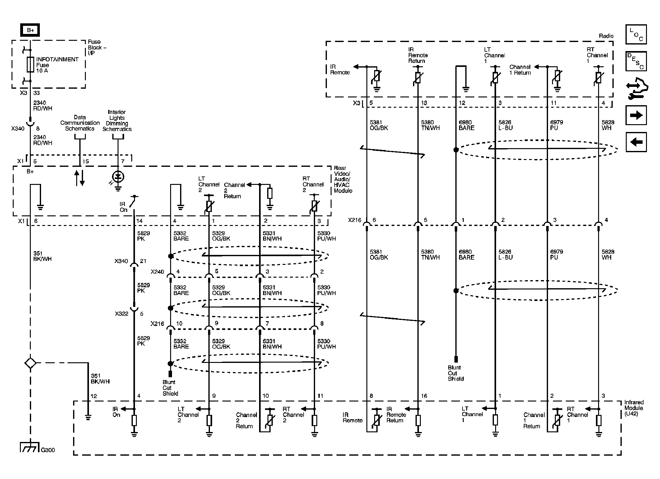
Fig 10: Rear Video/Audio/HVAC Module Power, Ground, Lighting, Data Communication & Infrared Module Schematic
GM1844219Courtesy of GENERAL MOTORS CORP.
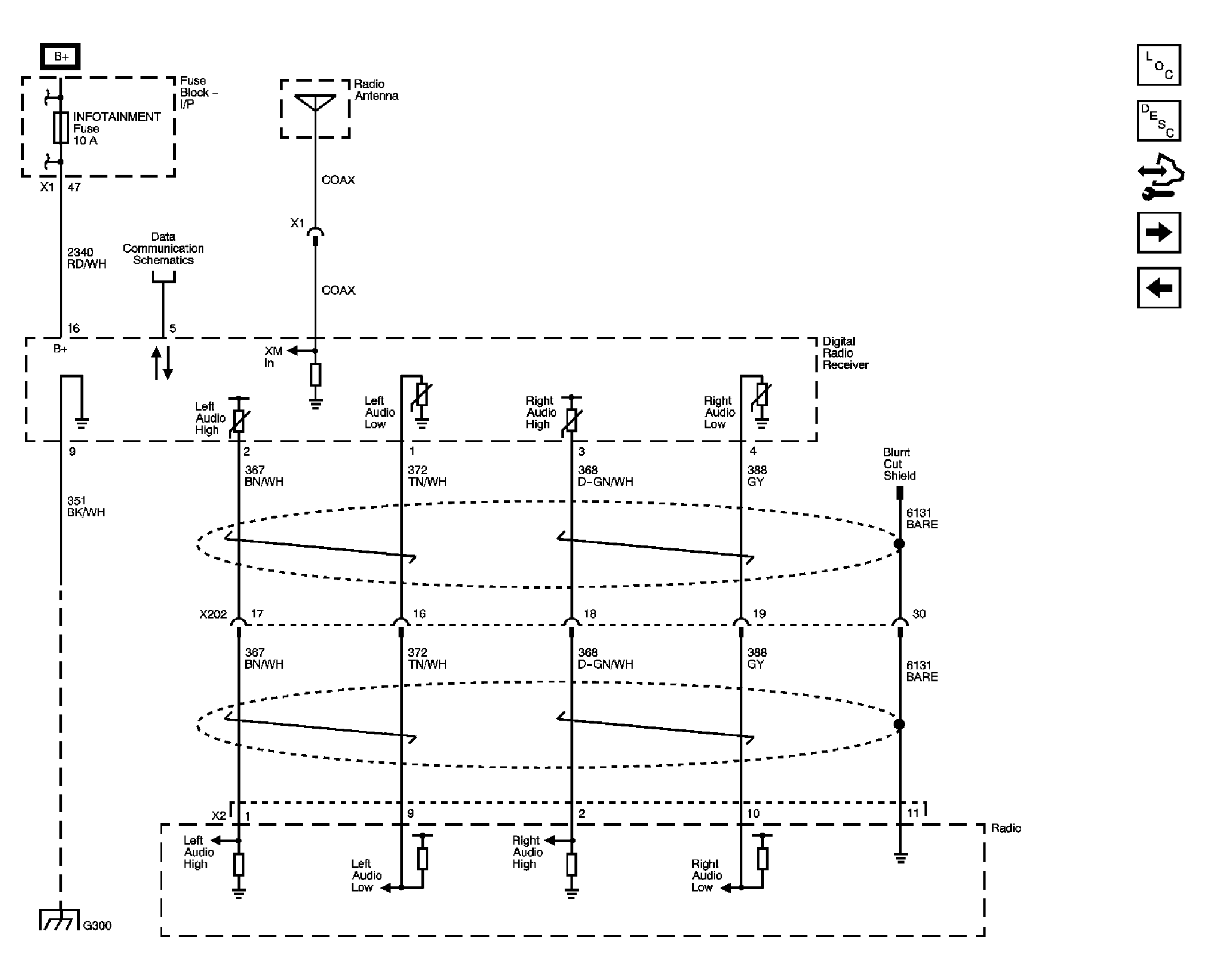
Fig 11: XM Radio Schematic - U2K
GM1844220Courtesy of GENERAL MOTORS CORP.
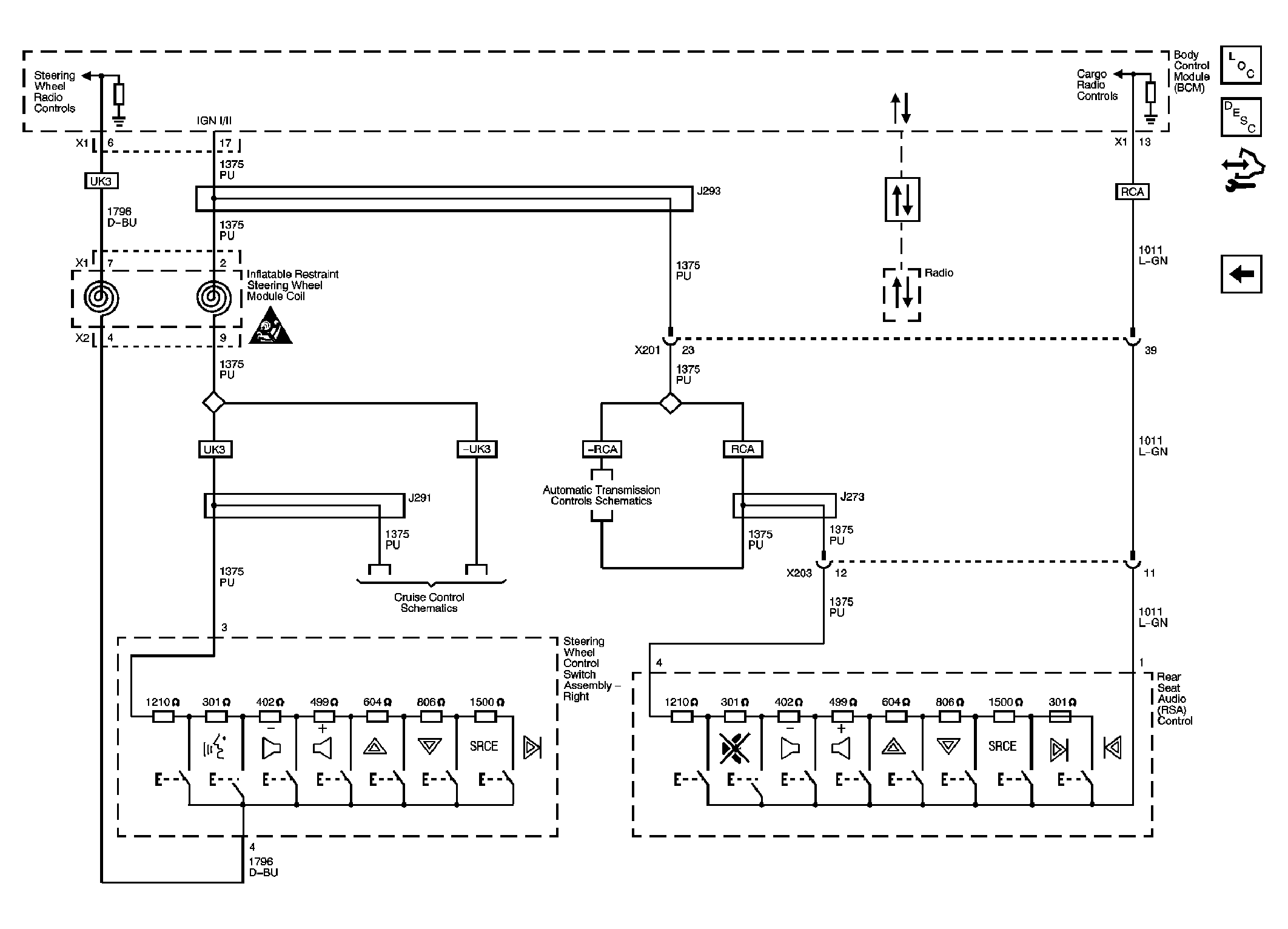
Fig 12: Secondary Controls Schematic
GM1844221Courtesy of GENERAL MOTORS CORP.