LEMON Manuals: Even more car manuals for everyone: 1960-2025
Home >> Saturn >> 2007 >> Sky Red Line, Automatic >> Repair and Diagnosis >> External Pages >> Different car >> Section 9 (Data Communication System) >> Schematic and Routing Diagrams >> Data Communication Schematics
April 5, 2026: LEMON Manuals is launched! Read the announcement.

Data Communication Schematics

WARNING: This page is about a different car, the 2007 Pontiac Solstice. However, it is still accessible from the selected car via links, so may be relevant.
Fig 1: Low Speed LAN Schematic
GM1830092Courtesy of GENERAL MOTORS CORP.
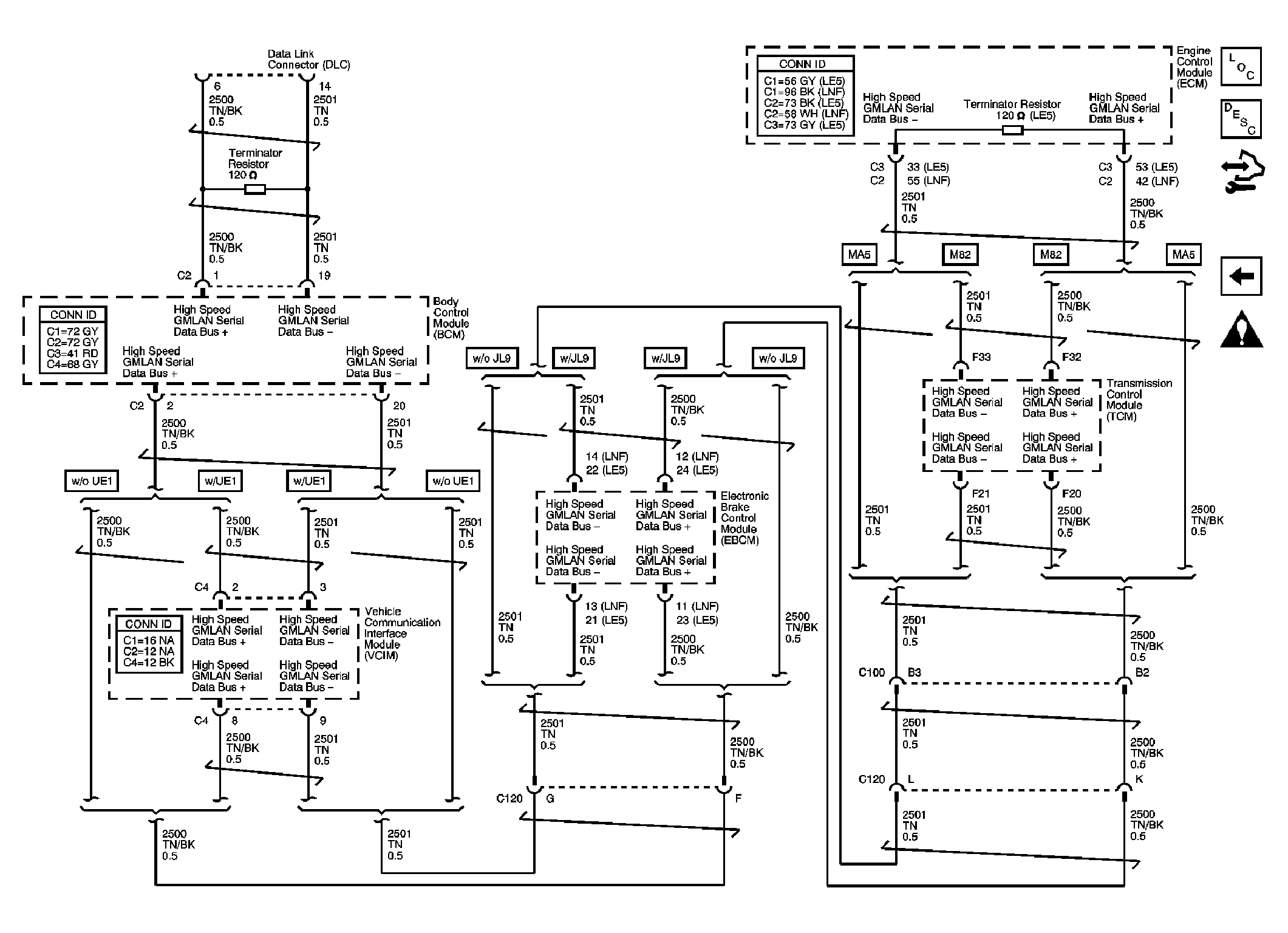
Fig 2: High Speed LAN Schematic
GM1830096Courtesy of GENERAL MOTORS CORP.