LEMON Manuals: Even more car manuals for everyone: 1960-2025
Home >> Saturn >> 2007 >> VUE AWD V6-3.5L >> Repair and Diagnosis >> Windows and Glass >> Windows >> Locations
April 5, 2026: LEMON Manuals is launched! Read the announcement.

Windows: Locations



Window Systems Component Views

Instrument Panel Components




1 - Instrument Panel Cluster (IPC)
2 - Windshield Wiper/Washer Switch
3 - I/P Dimmer Control
4 - Hazard Switch
5 - Inflatable Restraint Front Passenger Presence System (PPS) Indicator
6 - Fog Lamp (T96) or Traction Control Switch (NW9)
7 - Ambient Light Sensor
8 - Inflatable Restraint I/P Module
9 - HVAC Control Module
10 - Cigar Lighter (DT4)
11 - Window Switch - Passenger
12 - Heated Seat Switches
13 - Window Switch - Driver
14 - Outside Rearview Mirror Switch (D22/DG7)
15 - Radio
16 - Steering Wheel Control Switch - Right (Radio)
17 - Inflatable Restraint Steering Wheel Module
18 - Steering Wheel Control Switch - Left (Cruise Control)
19 - Turn Signal/Multifunction Switch

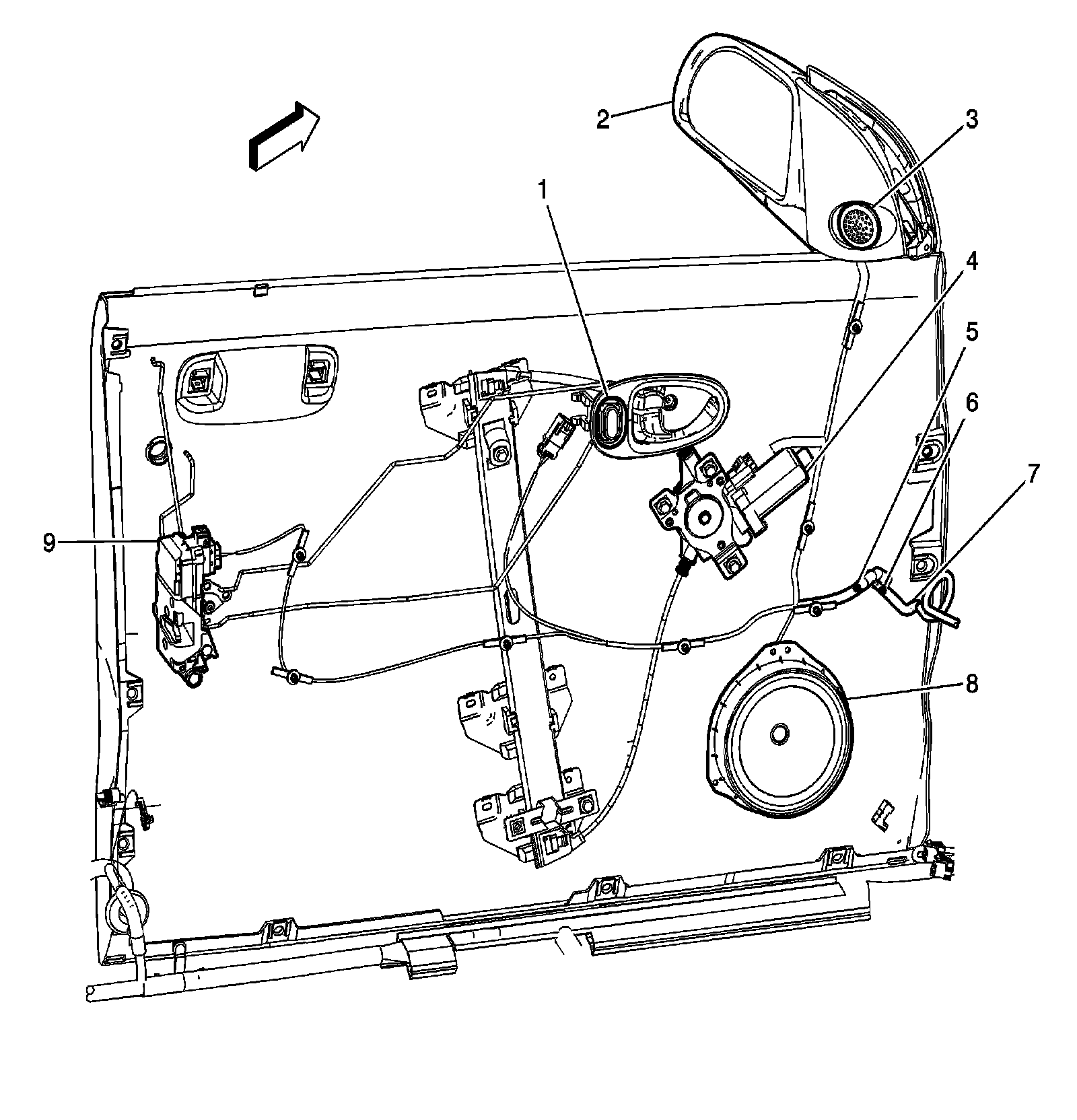
Door Harness Routing - Driver




1 - Door Lock Switch - Driver
2 - Outside Rearview Mirror - Driver
3 - Speaker - LF (Tweeter) (UW6/WBM)
4 - Window Motor - LF
5 - S500
6 - S501
7 - Body Harness
8 - Speaker - LF
9 - Door Latch - Driver

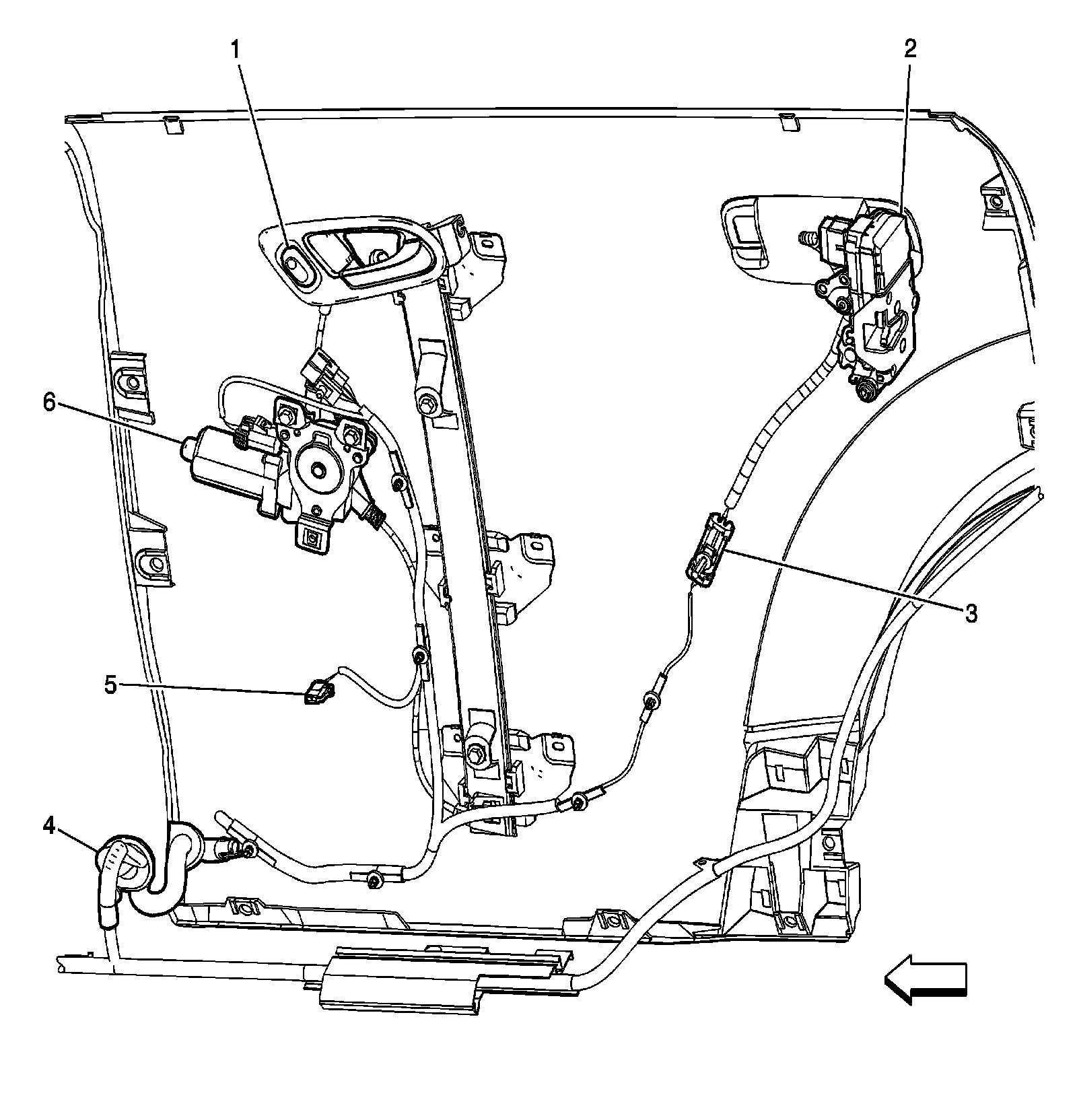
Door Harness Routing - Passenger




1 - Outside Rearview Mirror - Passenger
2 - Door Lock Switch - Front Passenger
3 - Door Latch - Front Passenger
4 - Speaker - LF
5 - Body Harness
6 - Window Motor - Front Passenger
7 - Speaker - LF (Tweeter) (UW6/WBM)

Door Harness Routing - LR




1 - Window Switch - LR
2 - Window Motor - LR
3 - Speaker - LR
4 - Body Harness
5 - C700
6 - Door Latch - LR

Door Harness Routing - RR




1 - Window Switch - RR
2 - Door Latch - RR
3 - C800
4 - Body Harness
5 - Speaker - RR Connector
6 - Window Motor - RR

Liftgate Harness Routing




1 - Center High Mounted Stop Lamp (CHMSL)
2 - C403
3 - S402
4 - C402
5 - S400
6 - S407
7 - Rear Defogger Grid Connector
8 - C405
9 - Liftgate Lamp - Left
10 - License Lamps
11 - Liftgate Latch
12 - Liftgate Lamp - Right
13 - Rear Defogger Grid Connector