LEMON Manuals: Even more car manuals for everyone: 1960-2025
Home >> Saturn >> 2007 >> Vue Green Line >> Repair and Diagnosis >> External Pages >> Different car >> Section 1103 (Keyless Entry System & Remote Functions) >> Schematic and Routing Diagrams >> Remote Function Schematics
April 5, 2026: LEMON Manuals is launched! Read the announcement.

Remote Function Schematics

WARNING: This page is about a different car, the 2008 Chevrolet Malibu. However, it is still accessible from the selected car via links, so may be relevant.
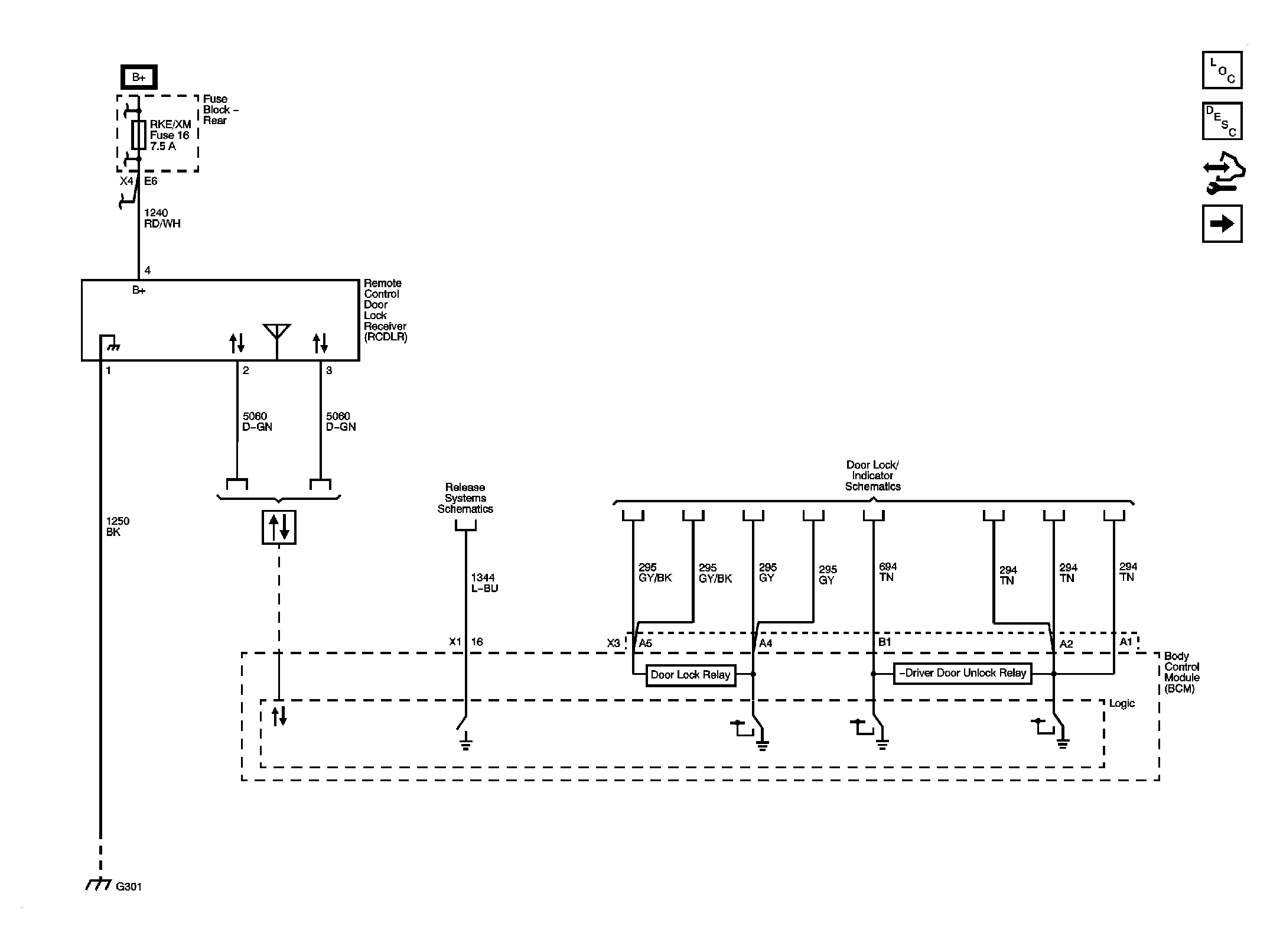
Fig 1: Keyless Entry Schematic
GM1975068Courtesy of GENERAL MOTORS CORP.
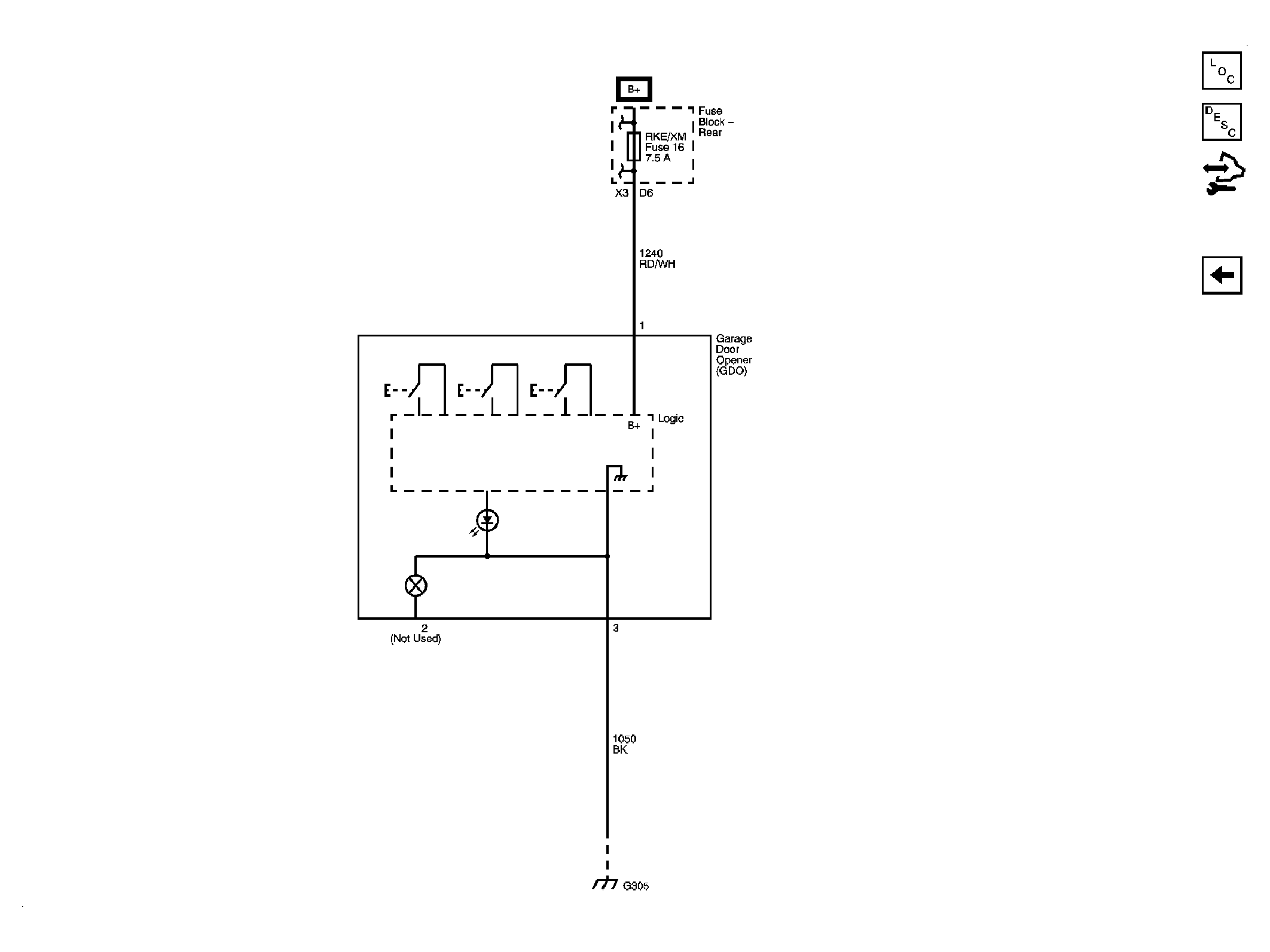
Fig 2: Garage Door Opener Schematic
GM1975071Courtesy of GENERAL MOTORS CORP.