LEMON Manuals: Even more car manuals for everyone: 1960-2025
Home >> Saturn >> 2008 >> Aura L4-2.4L >> Repair and Diagnosis >> Powertrain Management >> Computers and Control Systems >> Relays and Modules - Computers and Control Systems >> Body Control Module >> Diagrams >> Electrical Diagrams
April 5, 2026: LEMON Manuals is launched! Read the announcement.

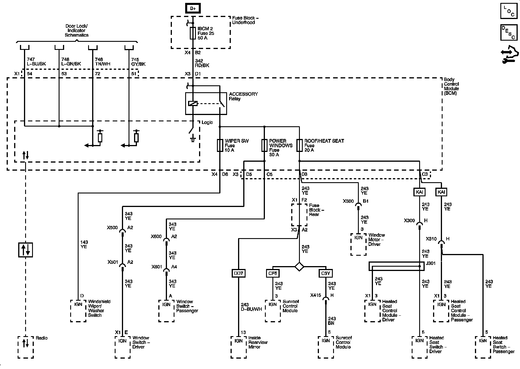
Electrical Diagrams



Power Moding Schematics

Retained Accessory Power (RAP)