LEMON Manuals: Even more car manuals for everyone: 1960-2025
Home >> Saturn >> 2009 >> Aura Green Line >> Repair and Diagnosis >> Engine Performance >> System >> Engine Controls And Fuel - 2.4L - Introduction >> Repair Instructions >> Engine Control Module Replacement (LAT) >> Installation Procedure
April 5, 2026: LEMON Manuals is launched! Read the announcement.

Installation Procedure

    Fig 1: Identifying ECM & Retainers
    GM1889667Courtesy of GENERAL MOTORS CORP.
  1. Set the ECM (2) into the bottom of the bracket and push the ECM towards the battery until the ECM snaps into place and is secured by the retainers (1).
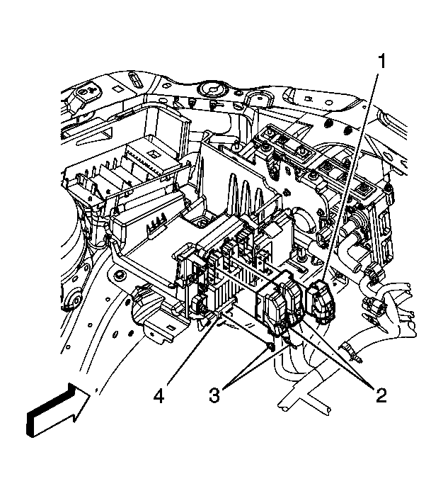
  2. Fig 2: Identifying Engine Wiring Harness Electrical Connectors & ECM Components
    GM1889666Courtesy of GENERAL MOTORS CORP.
  3. Connect the engine wiring harness electrical connectors (2) to the ECM.
  4. Install the engine wiring harness clips (3) to the ECM bracket (4).
  5. Fig 3: Identifying Engine Control Module Wiring Harness Electrical Connector
    GM1889665Courtesy of GENERAL MOTORS CORP.
  6. Connect the body wiring harness electrical connector (1) to the ECM.
  7. Connect the negative battery cable. Refer to Battery Negative Cable Disconnection and Connection (LAT) or Battery Negative Cable Disconnection and Connection (LZ4, LY7, and LE5) .
  8. Program the ECM. Refer to Control Module References .