LEMON Manuals: Even more car manuals for everyone: 1960-2025
Home >> Saturn >> 2009 >> Sky Base, Automatic >> Repair and Diagnosis >> Accessories & Equipment >> Infotainment >> Cellular System, Entertainment System & Navigation System >> Schematic and Routing Diagrams >> Radio/Navigation System Schematics
April 5, 2026: LEMON Manuals is launched! Read the announcement.

Radio/Navigation System Schematics

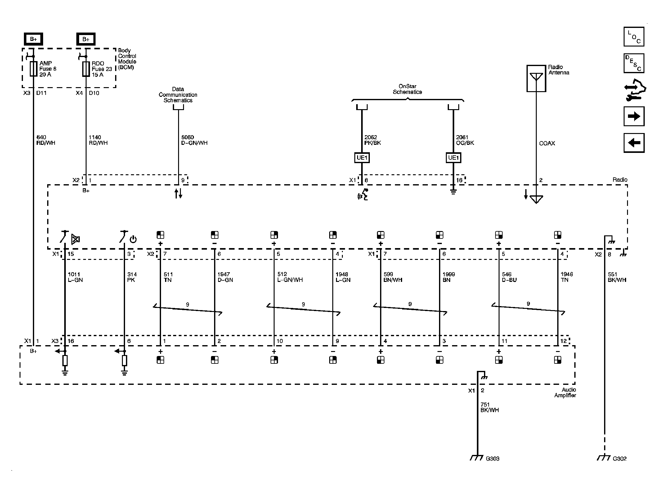
Fig 1: Radio, Speakers (UW5)
GM2049629Courtesy of GENERAL MOTORS CORP.
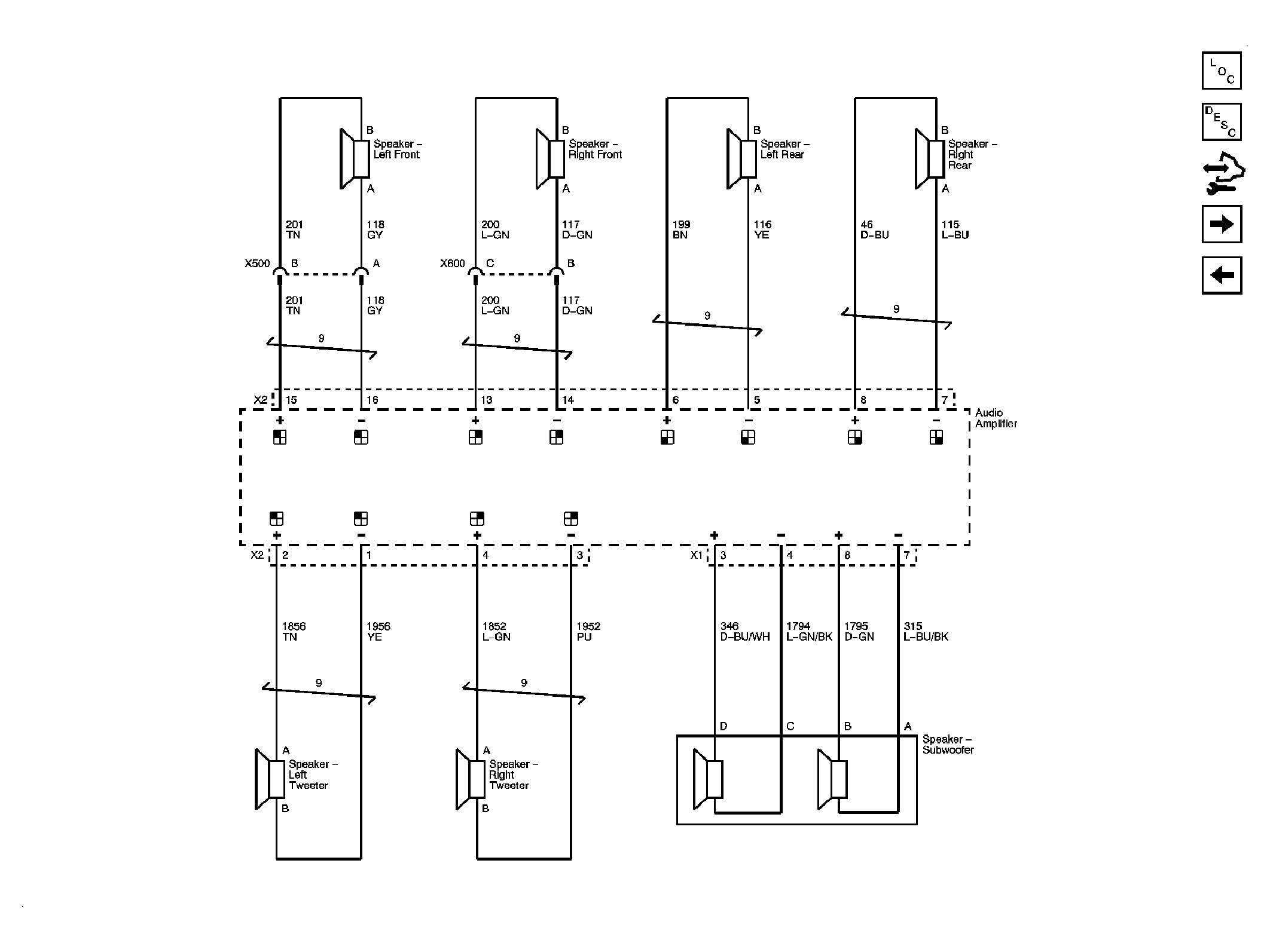
Fig 2: Amplifier Power, Speakers (UQ3) (1 of 2)
GM2049631Courtesy of GENERAL MOTORS CORP.
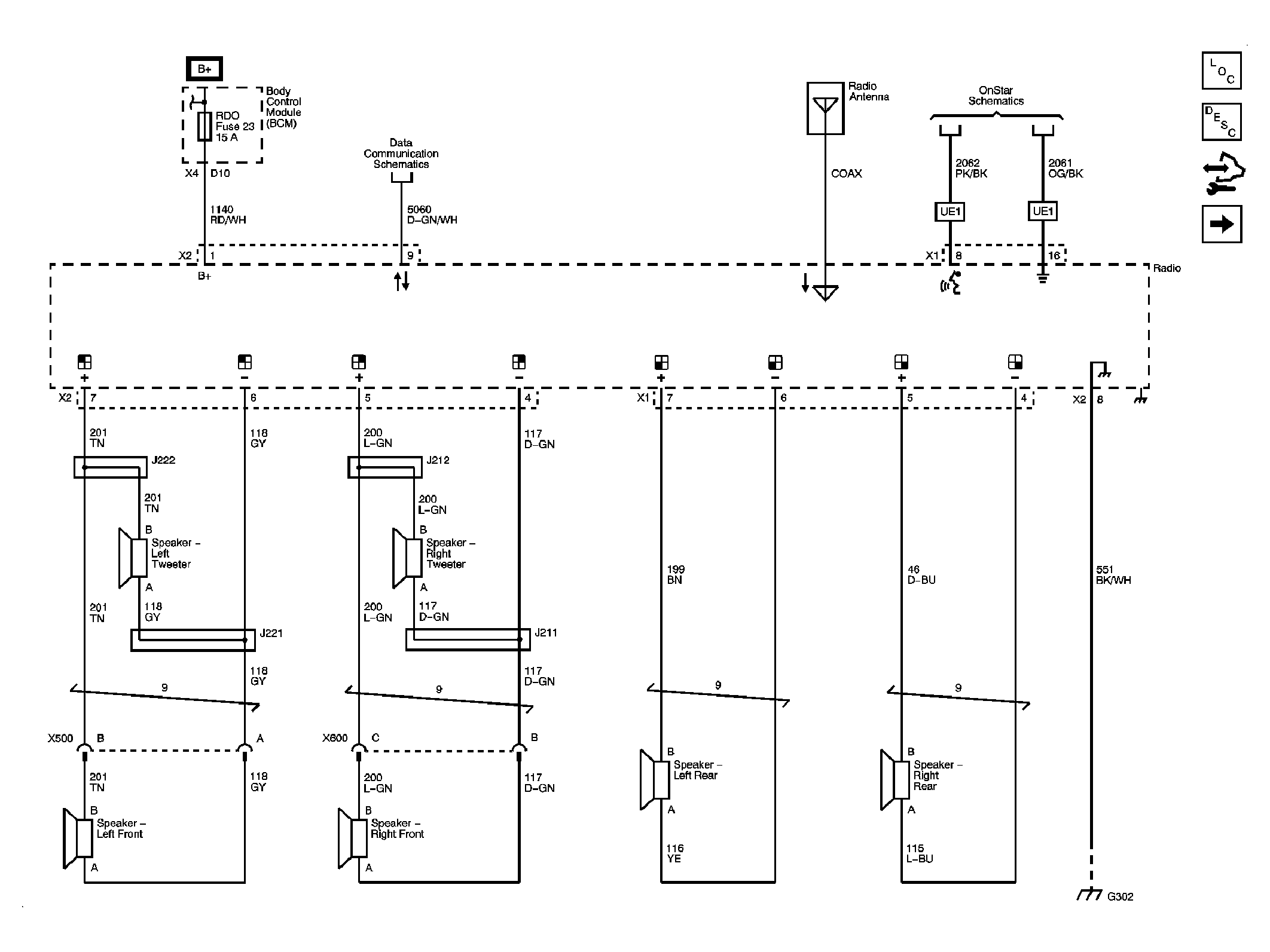
Fig 3: Amplifier Power, Speakers (UQ3) (2 of 2)
GM2049633Courtesy of GENERAL MOTORS CORP.
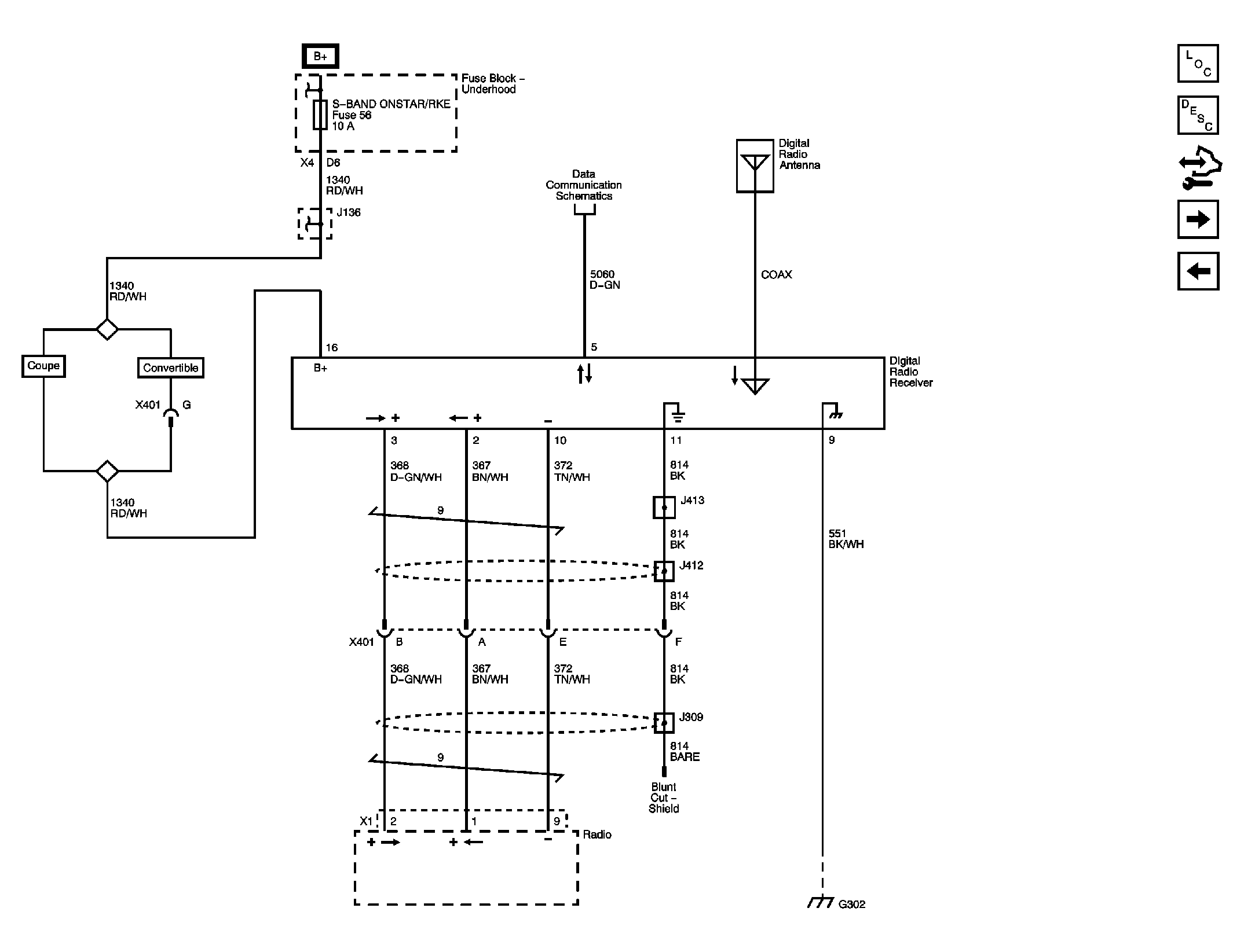
Fig 4: Digital Radio Receiver (U2K)
GM2049635Courtesy of GENERAL MOTORS CORP.
Fig 5: Redundant Radio Controls
GM2049638Courtesy of GENERAL MOTORS CORP.