LEMON Manuals: Even more car manuals for everyone: 1960-2025
Home >> Saturn >> 2009 >> Sky Red Line, Automatic >> Repair and Diagnosis >> External Pages >> Different car >> Section 168 (Cellular Systems, Entertainment Systems & Navigation Systems) >> Schematic and Routing Diagrams >> Radio/Navigation System Schematics
April 5, 2026: LEMON Manuals is launched! Read the announcement.

Radio/Navigation System Schematics

WARNING: This page is about a different car, the 2010 Saturn Sky and 2010 Pontiac Solstice. However, it is still accessible from the selected car via links, so may be relevant.
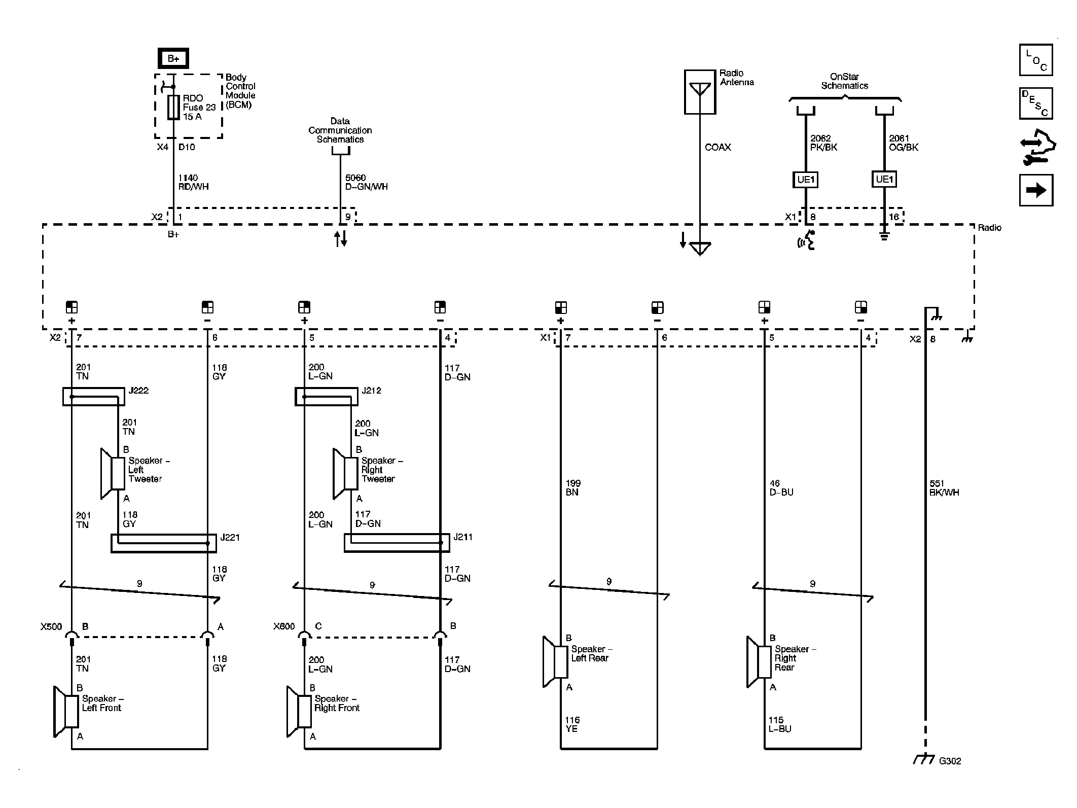
Fig 1: Radio, Speakers (UW5) Circuit Schematic
GM2225166Courtesy of GENERAL MOTORS CORP.
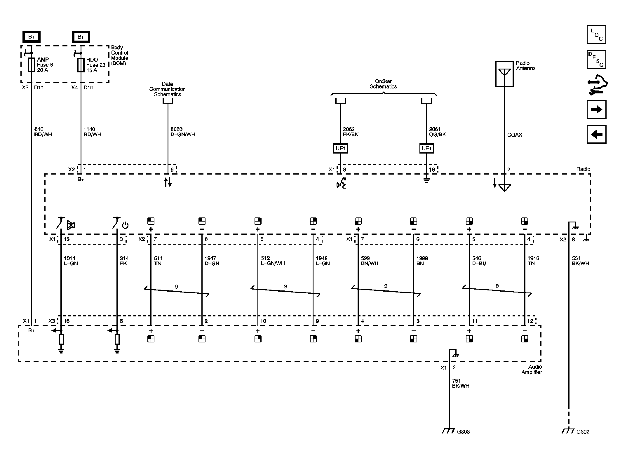
Fig 2: Amplifier Power, Speakers (UQ3) Circuit Schematic (1 of 2)
GM2225169Courtesy of GENERAL MOTORS CORP.
Fig 3: Amplifier Power, Speakers (UQ3) Circuit Schematic (2 of 2)
GM2225171Courtesy of GENERAL MOTORS CORP.
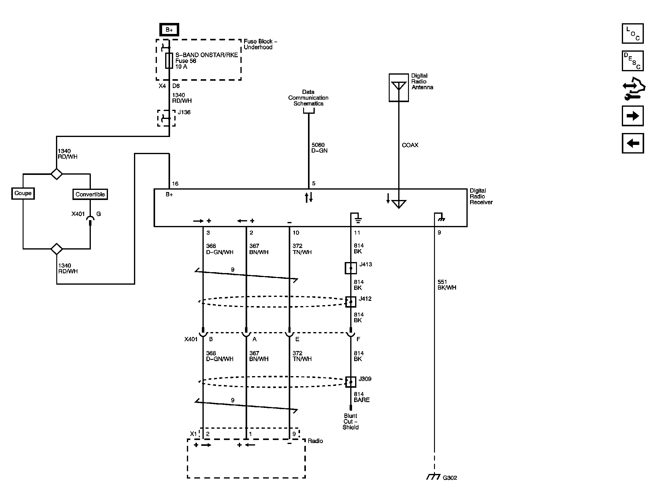
Fig 4: Digital Radio Receiver (U2K) Circuit Schematic
GM2225173Courtesy of GENERAL MOTORS CORP.
Fig 5: Redundant Radio Controls Circuit Schematic
GM2225175Courtesy of GENERAL MOTORS CORP.