LEMON Manuals: Even more car manuals for everyone: 1960-2025
Home >> Saturn >> 2009 >> Vue Red Line, AWD >> Repair and Diagnosis >> External Pages >> Different car >> Section 1412 (Cellular System, Entertainment System, And Navigation System) >> Schematic and Routing Diagrams >> Radio/Navigation System Schematics
April 5, 2026: LEMON Manuals is launched! Read the announcement.

Radio/Navigation System Schematics

WARNING: This page is about a different car, the 2009 Cadillac STS. However, it is still accessible from the selected car via links, so may be relevant.
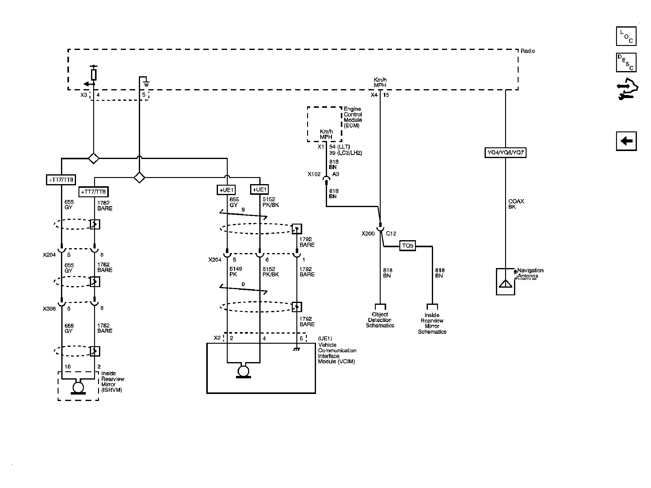
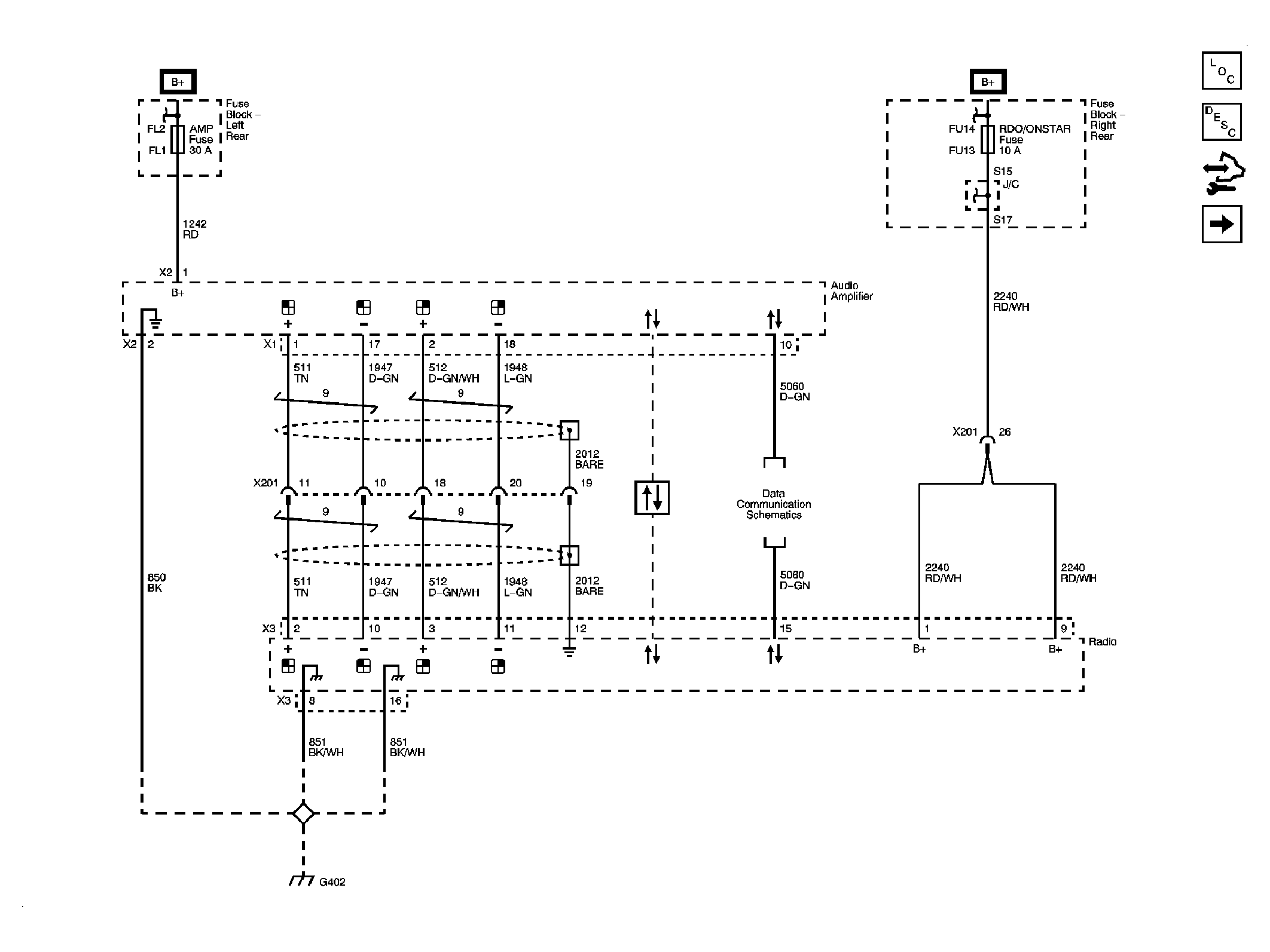
Fig 1: Radio Power, Ground, DLC and Audio Communications
GM2063334Courtesy of GENERAL MOTORS CORP.
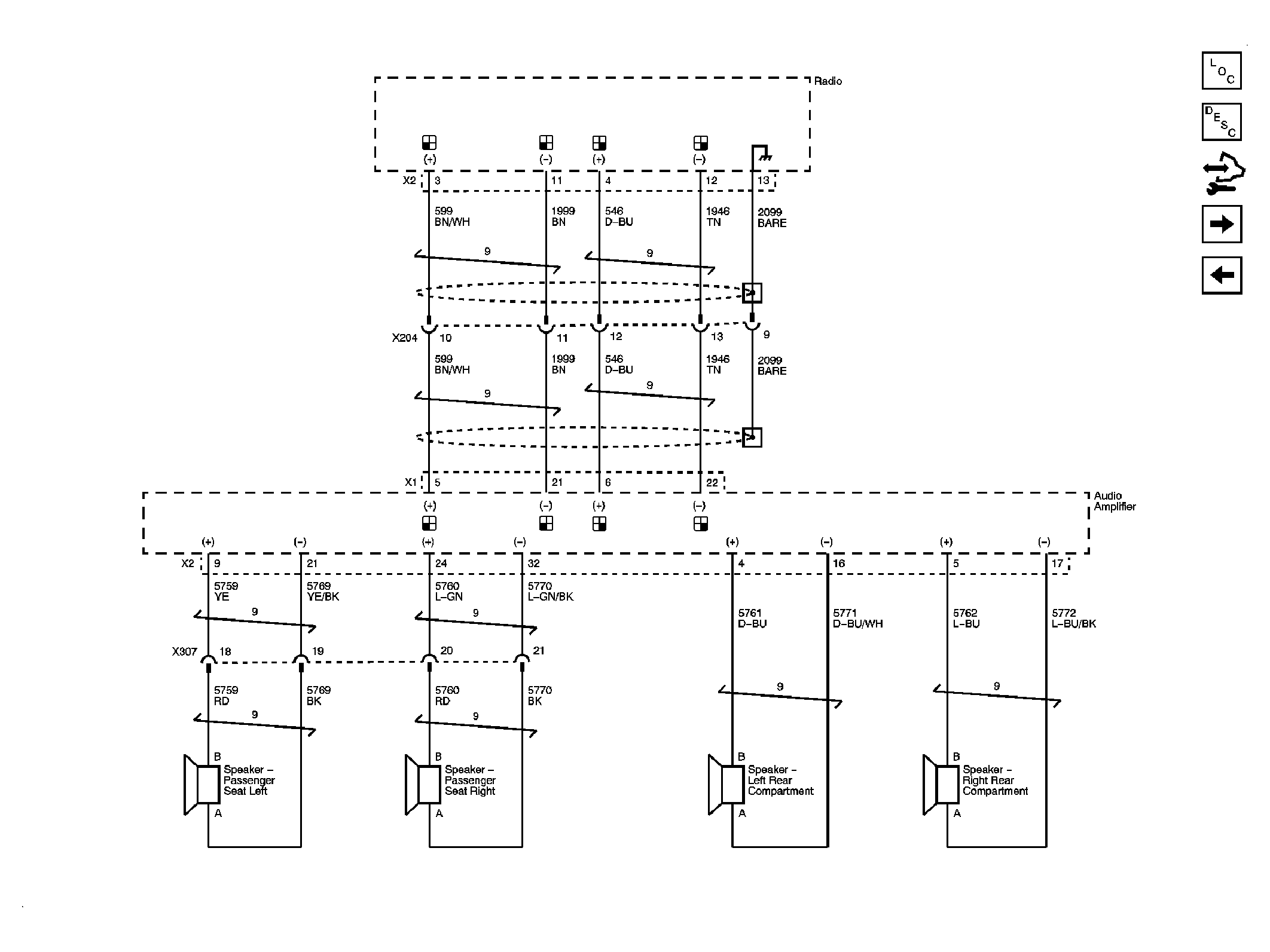
Fig 2: Speakers (UX8)
GM2063340Courtesy of GENERAL MOTORS CORP.
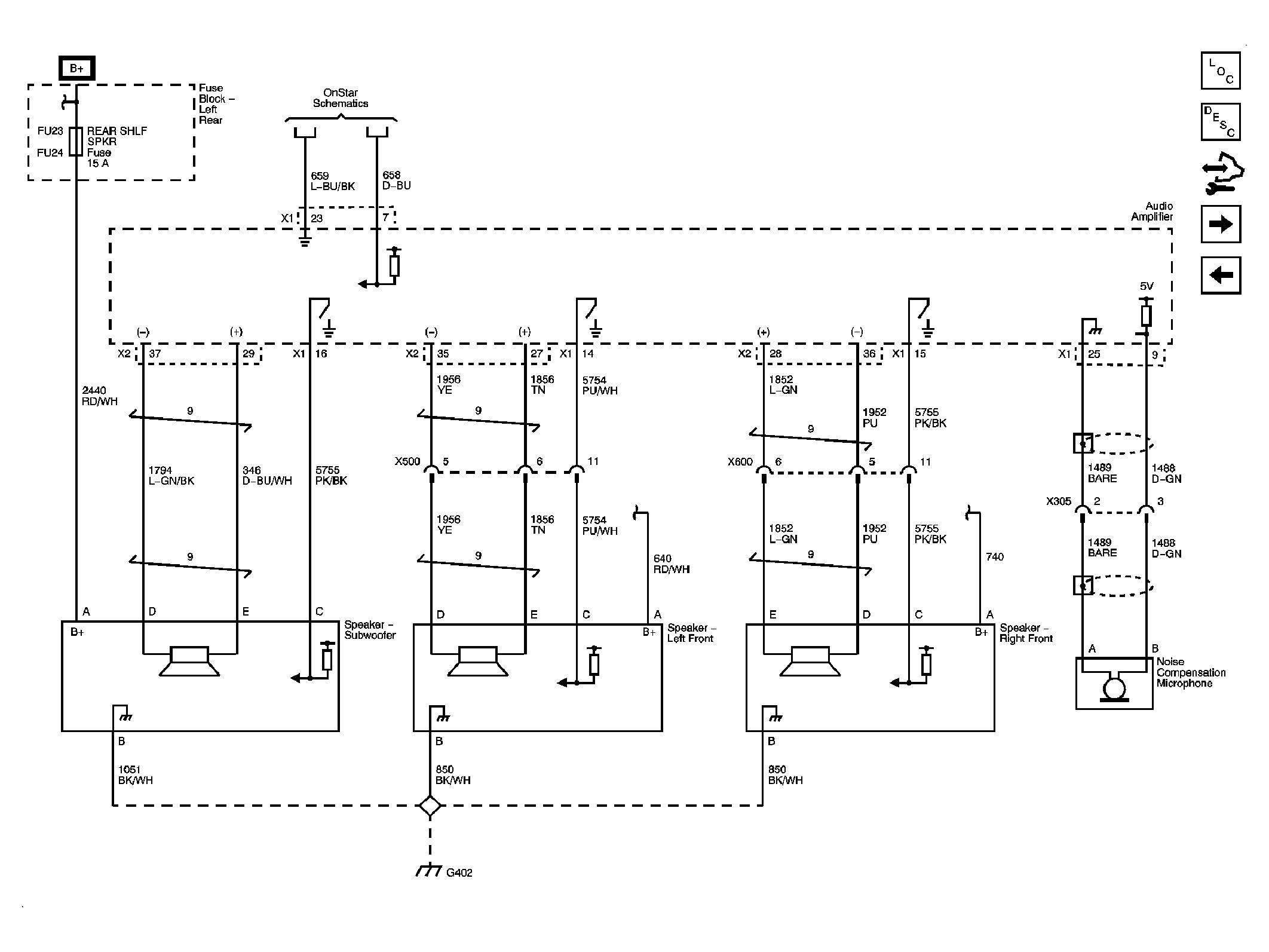
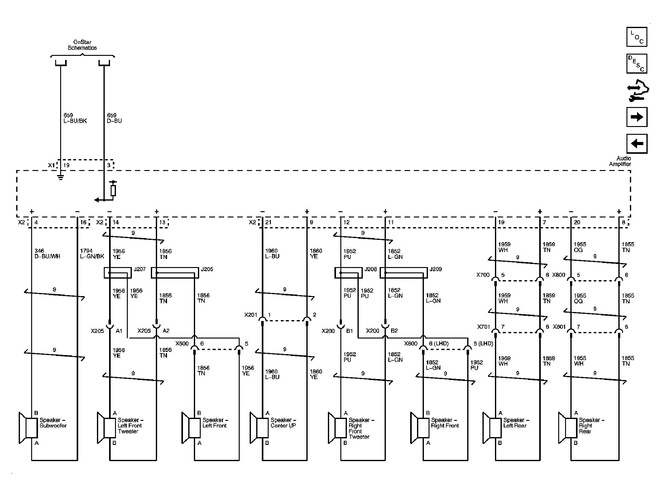
Fig 3: Speakers (UY5) 1 of 3
GM2063344Courtesy of GENERAL MOTORS CORP.
Fig 4: Speakers (UY5) 2 of 3
GM2063348Courtesy of GENERAL MOTORS CORP.
Fig 5: Speakers (UY5) 3 of 3
GM2063353Courtesy of GENERAL MOTORS CORP.
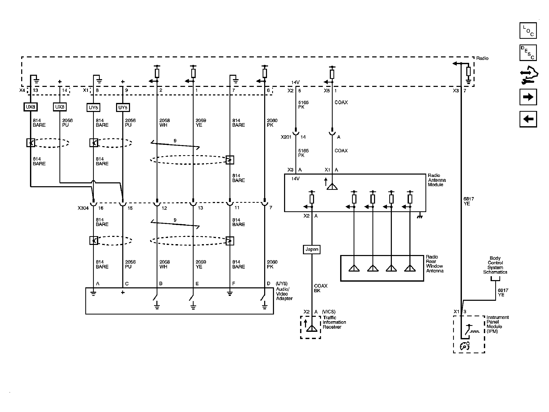
Fig 6: Radio Antennas, Audio/Video Adapter
GM2063355Courtesy of GENERAL MOTORS CORP.
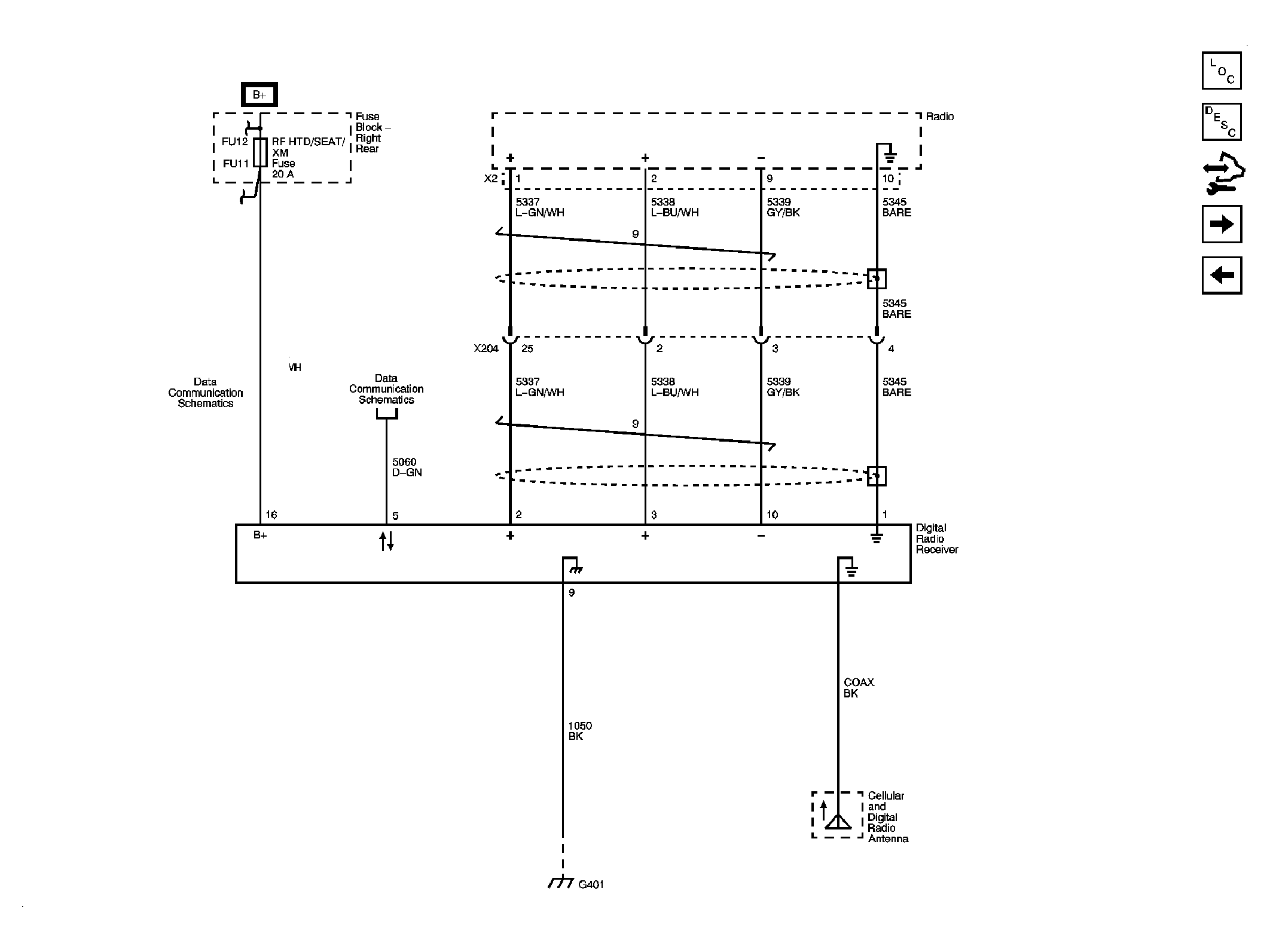
Fig 7: Digital Radio Receiver (U2K)
GM2063360Courtesy of GENERAL MOTORS CORP.
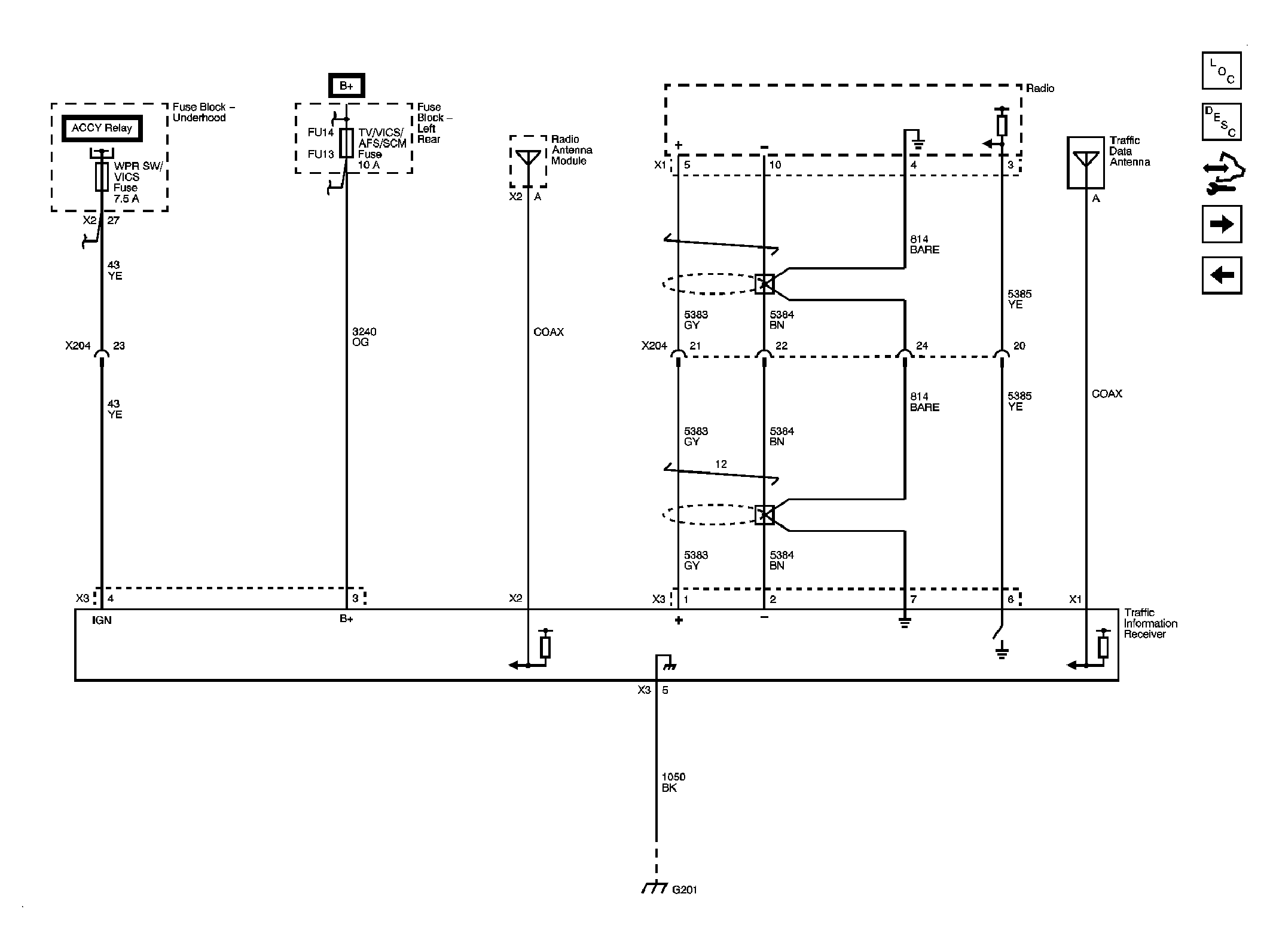
Fig 8: Traffic Information Receiver Module (VICS) - Japan Only
GM2063459Courtesy of GENERAL MOTORS CORP.
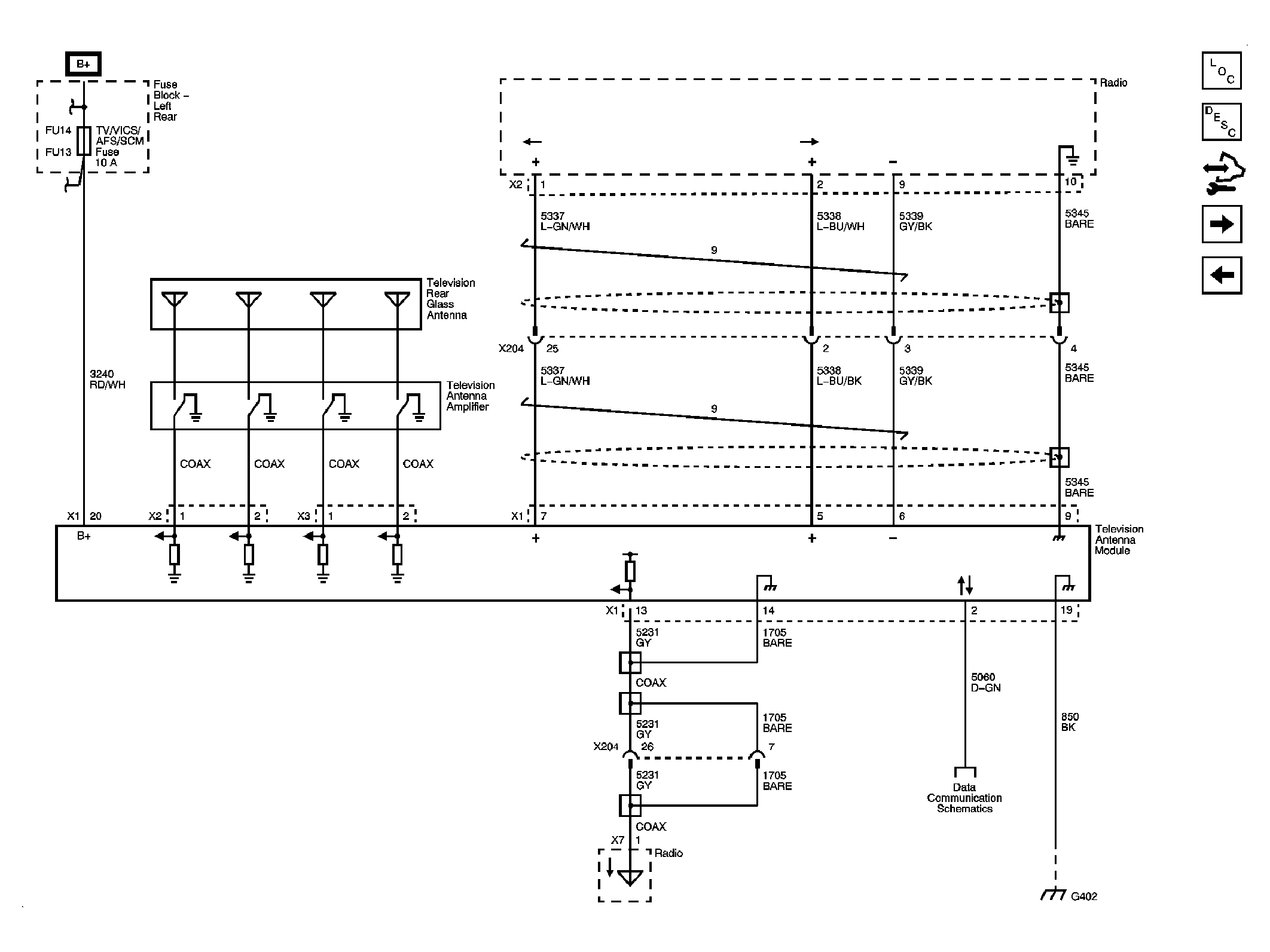
Fig 9: TV Tuner (YQ6 or YQ7)
GM2063463Courtesy of GENERAL MOTORS CORP.
Fig 10: Microphone, VSS and GPS Antenna
GM2063471Courtesy of GENERAL MOTORS CORP.