LEMON Manuals: Even more car manuals for everyone: 1960-2025
Home >> Saturn >> 2009 >> Vue Red Line, AWD >> Repair and Diagnosis >> External Pages >> Different car >> Section 1631 (Cellular Systems, Entertainment Systems And Navigation Systems) >> Schematic and Routing Diagrams >> Radio/Navigation System Schematics
April 5, 2026: LEMON Manuals is launched! Read the announcement.

Radio/Navigation System Schematics

WARNING: This page is about a different car, the 2010 Chevrolet Malibu. However, it is still accessible from the selected car via links, so may be relevant.
Fig 1: Power, Ground, Front Speakers, Antenna, and References
GM2253267Courtesy of GENERAL MOTORS CORP.
Fig 2: Rear Speakers (without UQ3)
GM2253272Courtesy of GENERAL MOTORS CORP.
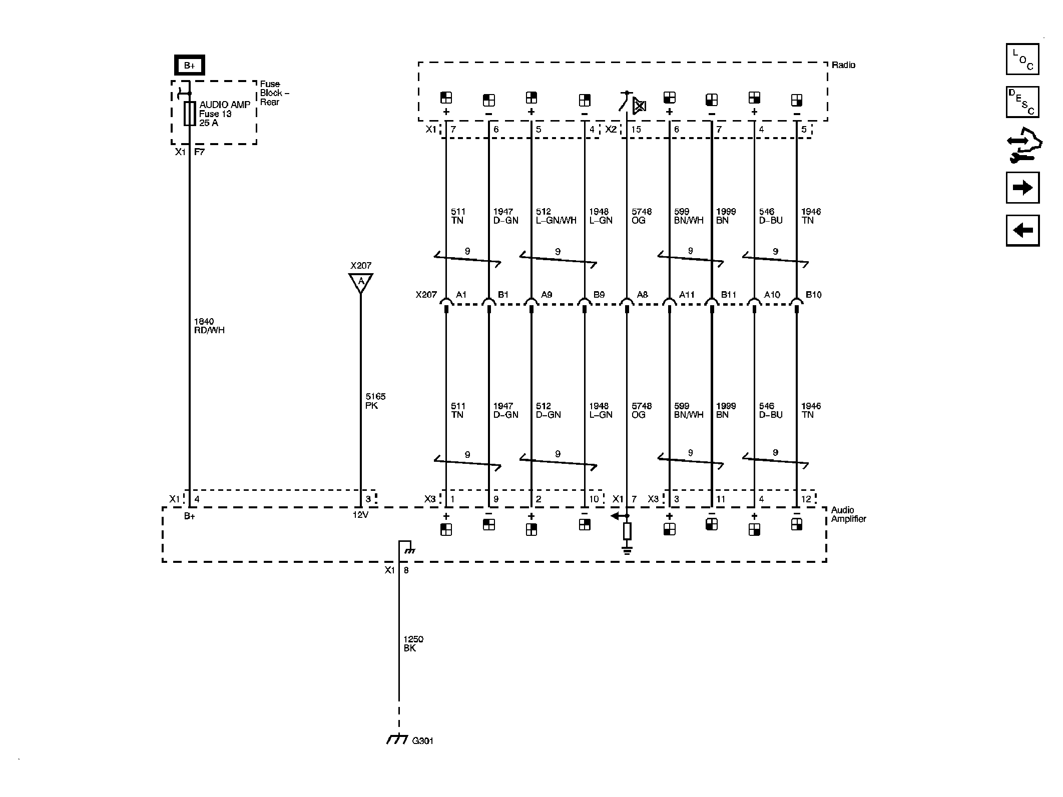
Fig 3: Amplifier (UQ3)
GM2253278Courtesy of GENERAL MOTORS CORP.
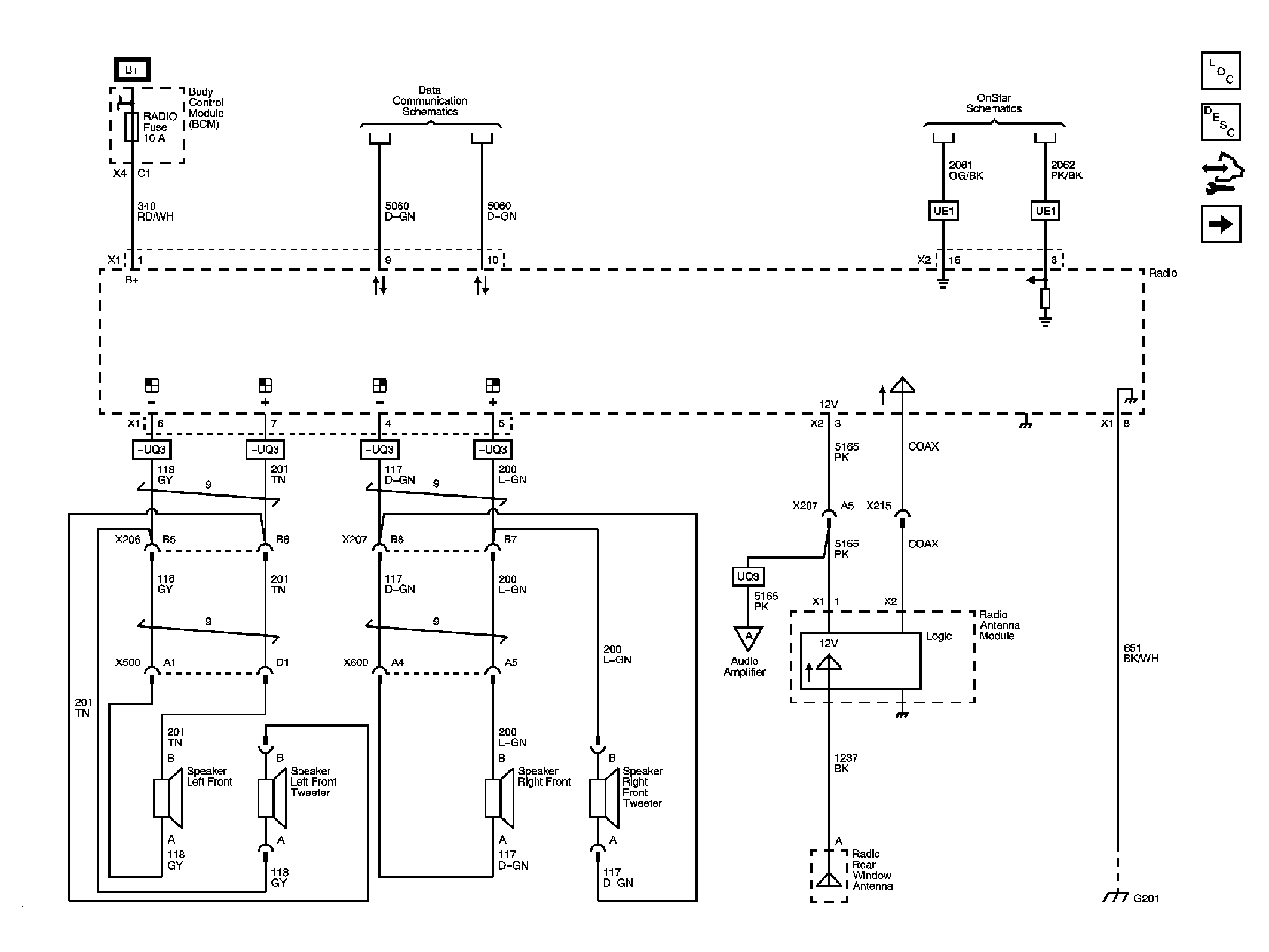
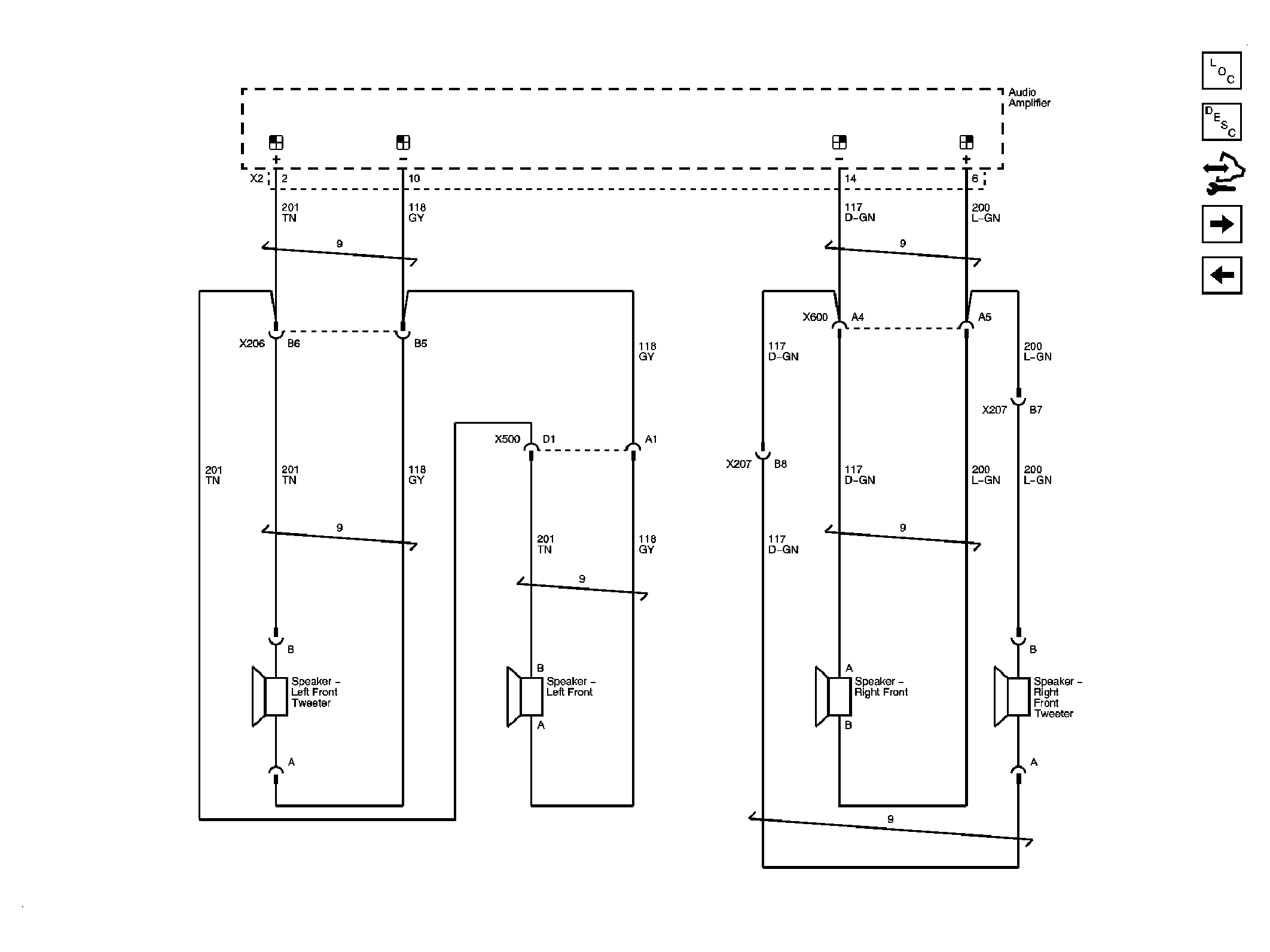
Fig 4: Front Speakers (UQ3)
GM2253281Courtesy of GENERAL MOTORS CORP.
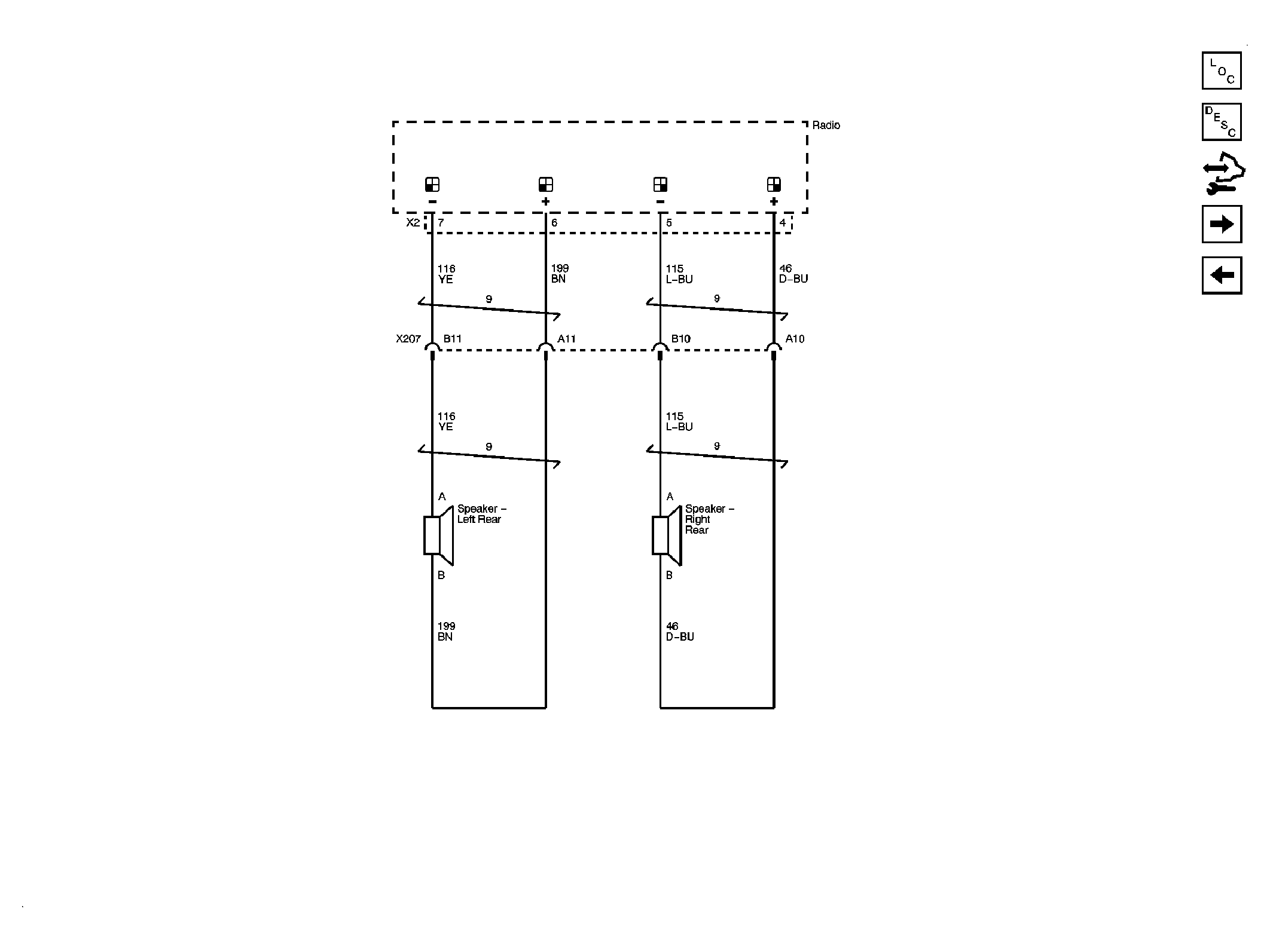
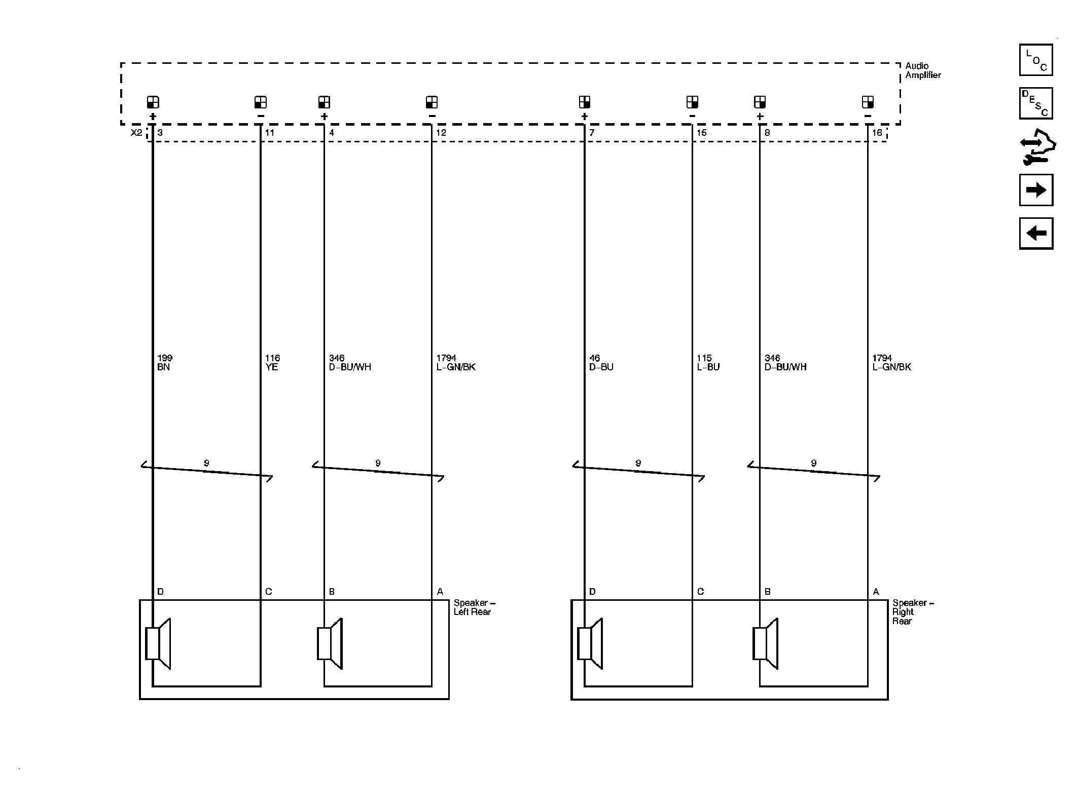
Fig 5: Rear Speakers (UQ3)
GM2253283Courtesy of GENERAL MOTORS CORP.
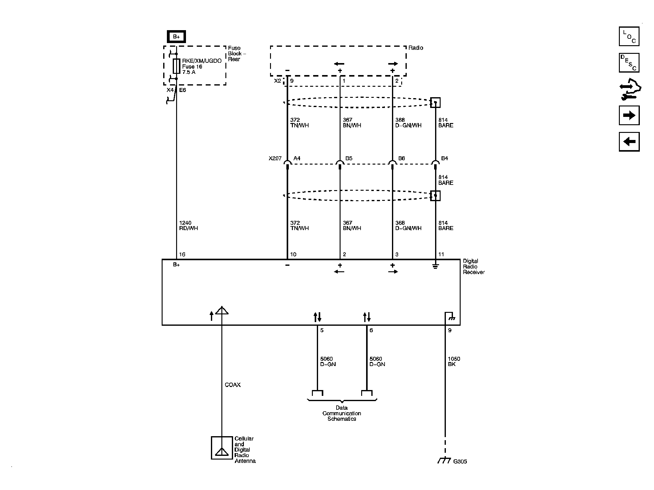
Fig 6: Digital Radio Receiver (U2K)
GM2253286Courtesy of GENERAL MOTORS CORP.
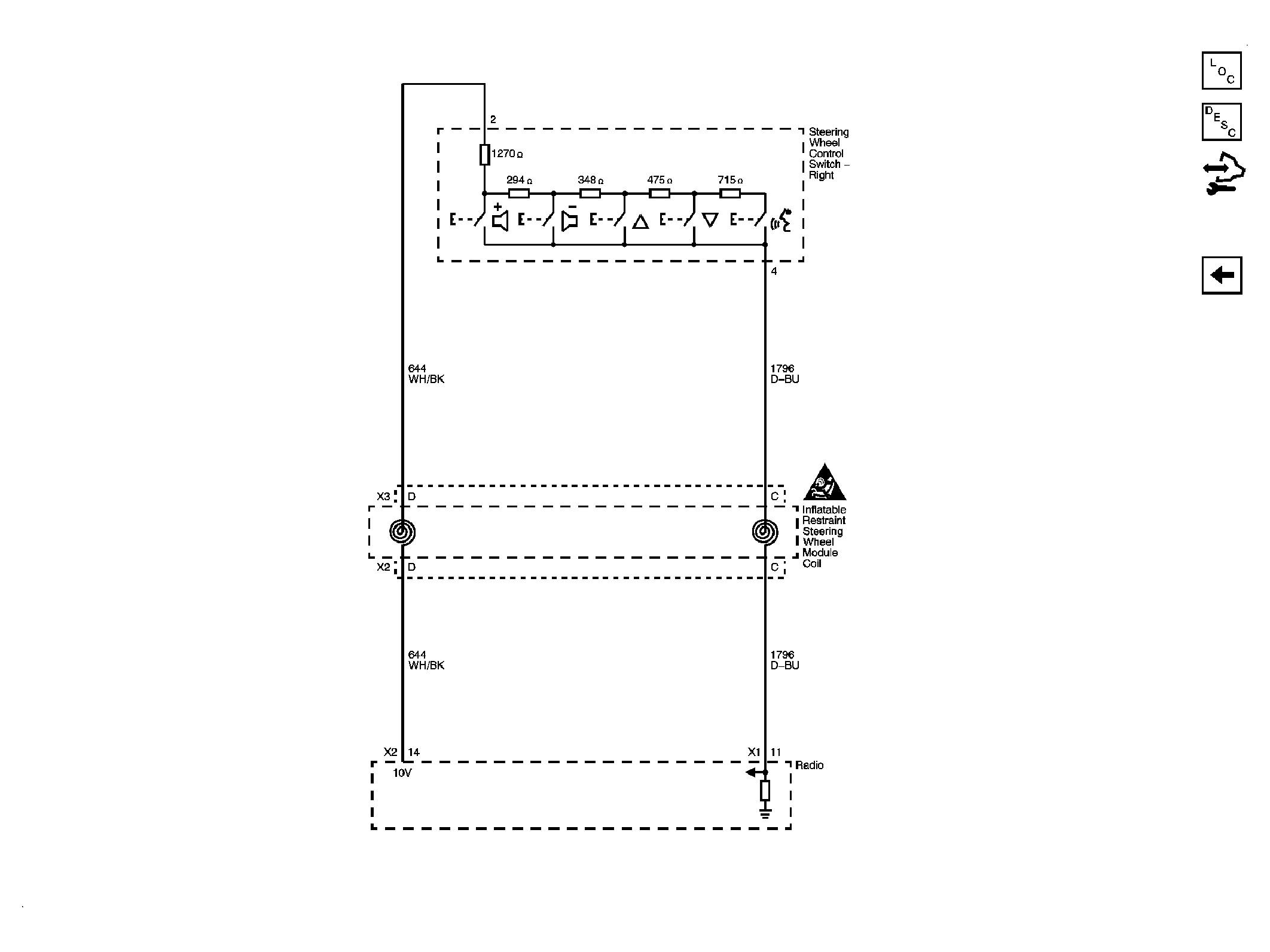
Fig 7: Redundant Radio Controls (UK3)
GM2253290Courtesy of GENERAL MOTORS CORP.