LEMON Manuals: Even more car manuals for everyone: 1960-2025
Home >> Scion >> 2006 >> tC Standard >> Repair and Diagnosis >> Electrical >> Body Electrical >> OEM System Circuits >> Power Window >> Notes
April 5, 2026: LEMON Manuals is launched! Read the announcement.

Power Window: Notes

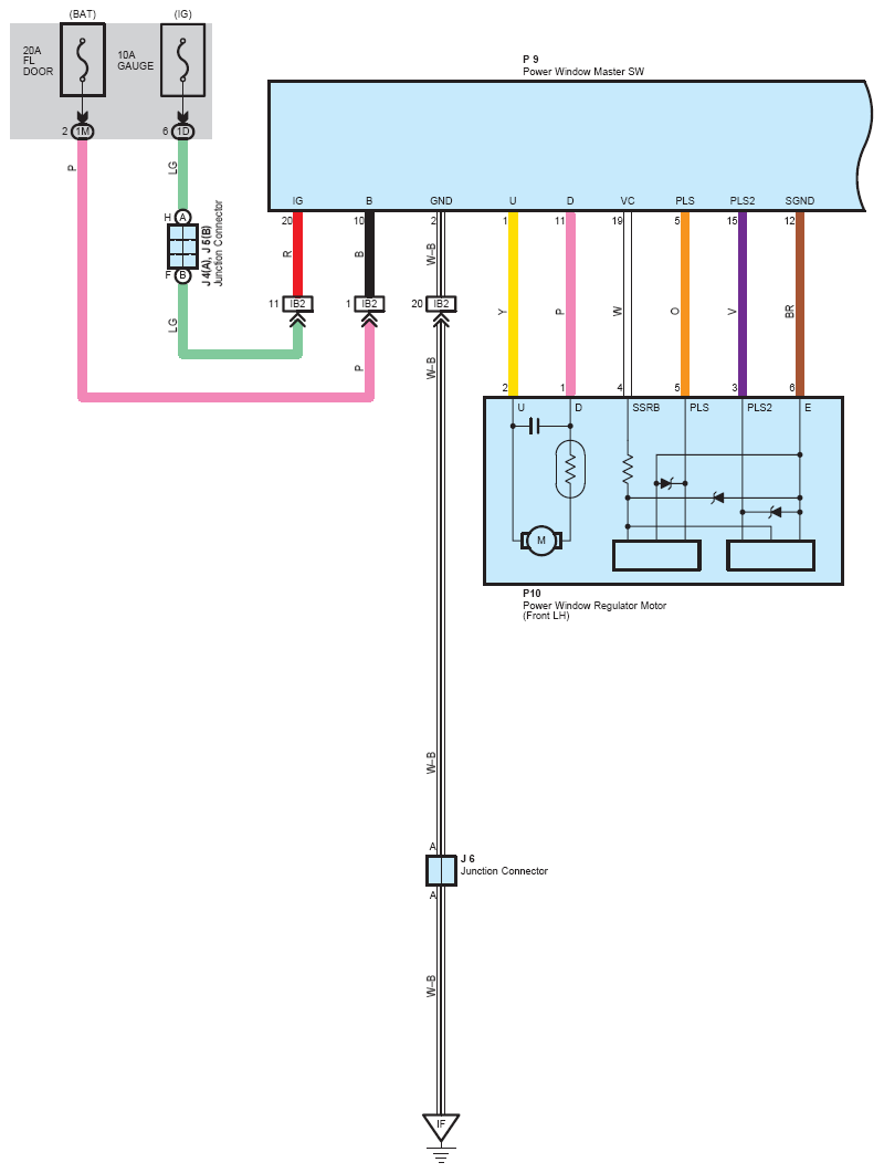
Fig 1: Power Window System Wiring Diagram (1 Of 2)
G08758331Courtesy of © TOYOTA, LICENSE AGREEMENT TMS1002
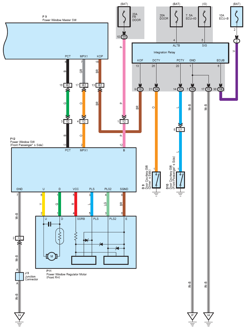
Fig 2: Power Window System Wiring Diagram (2 Of 2)
G08758332Courtesy of © TOYOTA, LICENSE AGREEMENT TMS1002