LEMON Manuals: Even more car manuals for everyone: 1960-2025
Home >> Scion >> 2006 >> tC Standard >> Repair and Diagnosis >> Electrical >> Body Electrical >> OEM System Circuits >> Shift Lock >> Notes
April 5, 2026: LEMON Manuals is launched! Read the announcement.

Shift Lock: Notes

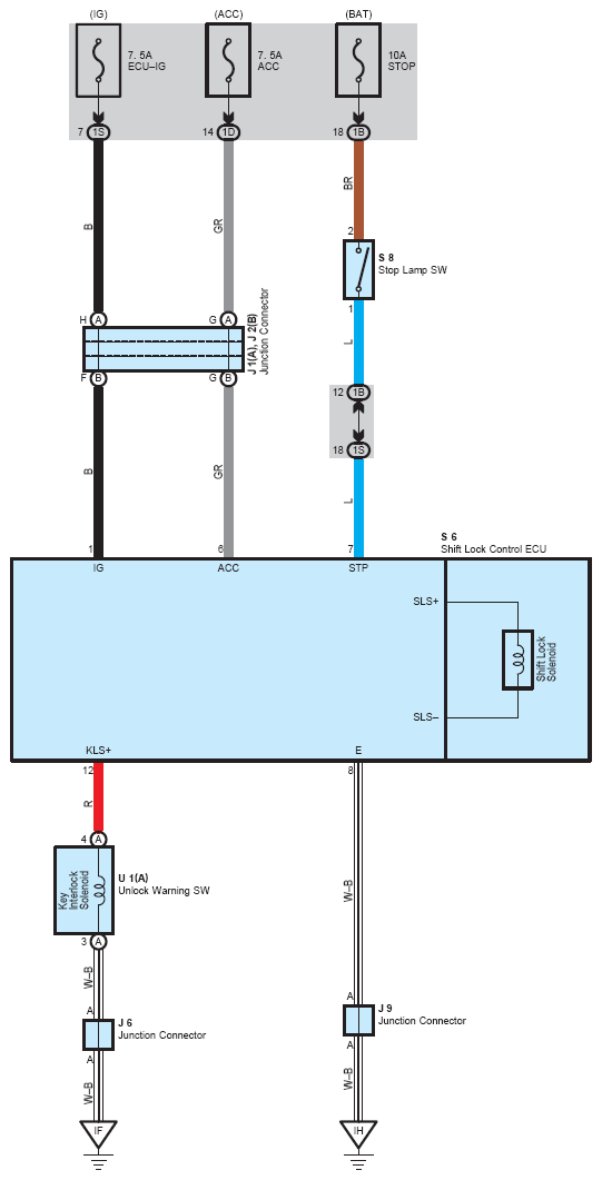
Fig 1: Shift Lock System Wiring Diagram
G08758343Courtesy of © TOYOTA, LICENSE AGREEMENT TMS1002