LEMON Manuals: Even more car manuals for everyone: 1960-2025
Home >> Scion >> 2006 >> xA Automatic >> Repair and Diagnosis >> Electrical >> Body Electrical >> OEM System Circuits >> ABS without VSC >> Notes
April 5, 2026: LEMON Manuals is launched! Read the announcement.

ABS without VSC: Notes

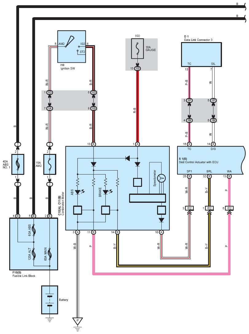
Fig 1: ABS Without VSC System Wiring Diagram (1 Of 2)
G08758684Courtesy of © TOYOTA, LICENSE AGREEMENT TMS1002
Fig 2: ABS Without VSC System Wiring Diagram (2 Of 2)
G08758685Courtesy of © TOYOTA, LICENSE AGREEMENT TMS1002